HOME
ASK A QUESTION
REPAIR GUIDES
BECOME A MEMBER
LOG IN
Login with Facebook
OR
Remember me
NOT A MEMBER?
FORGOT PASSWORD?
CONTACT US
PRIVACY POLICY
TERMS AND CONDITIONS
☰
Home
Buick
La Crosse
Safety
Horn
Not Working
Car horn stopped working
LAJUANIA
MEMBER
2011 BUICK LA CROSSE
100,000 MILES
I've replaced the fuse. I want to replace the horn but I don't know where it's located.
Tuesday, March 12th, 2019 AT 4:10 PM
1 Reply
ASEMASTER6371
MECHANIC
52,796 POSTS
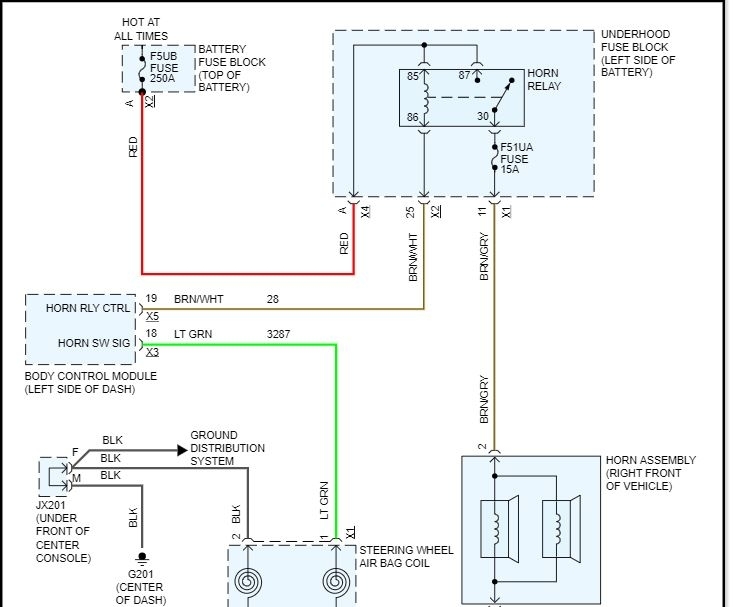
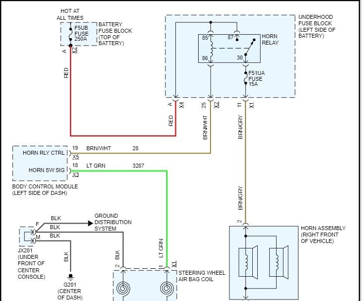
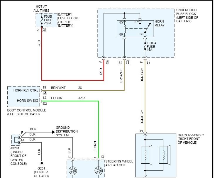
Good evening,
I attached the location, picture and a wire diagram for you to view for the horn.
Do you have a voltmeter to do some tests if the horns do not work?
Roy
Images (Click to make bigger)
Was this
answer
helpful?
Yes
No
+2
Tuesday, March 12th, 2019 AT 4:33 PM
Please
login
or
register
to post a reply.
Related Horn Not Working Content
Horn Not Working
Where Is Horn On 06 Buick Lacrosse Cx It Does Not Work Where Is The Fuse And How Do I Test The Horn?
Asked by
dale451
·
2 ANSWERS
18 IMAGES
2006
BUICK LA CROSSE
Why Would My Dash Info, Horn And Wippers Gor Crazy...
Went To Start Car And When I Turned The Key Car Would Not Start And All Hell Broke Loose The Wippers Turned On The Horn Was Sounding The...
Asked by
scooter2
·
2 ANSWERS
2007
BUICK LA CROSSE
2010 Buick La Crosse Car Horn
Can You Tell Where To Find The Horn In The Buick Lacrosse Car. Please Describe To Me Where The Horns Are Located, Only One Horn Is...
Asked by
looking for an answer
·
1 ANSWER
2010
BUICK LA CROSSE
2006 Buick La Crosse Abs & Traction Control
Thanks For Your Time. Last Night The Abs Light & The T/c Light Came On. I Have A Message To Service Soon. Anything I Can Check Before Going...
Asked by
jcroz
·
1 ANSWER
2006
BUICK LA CROSSE
Ask a Car Question. It's Free!
How to Use a Test Light
Steering Wheel Removal
Airbag Removal - Drivers Side