Car has trouble starting sometimes

Tiny
SUSIEQ6914
  • MEMBER
  • 1996 BUICK REGAL
  • 0.6L
  • V8
  • AUTOMATIC
  • 11,000 MILES
Sometimes I have to turn the key several times before it will turn over. But sometimes it starts up nicely.
Sunday, March 4th, 2018 AT 1:49 PM

1 Reply

Tiny
PATENTED_REPAIR_PRO
  • MECHANIC
  • 1,853 POSTS
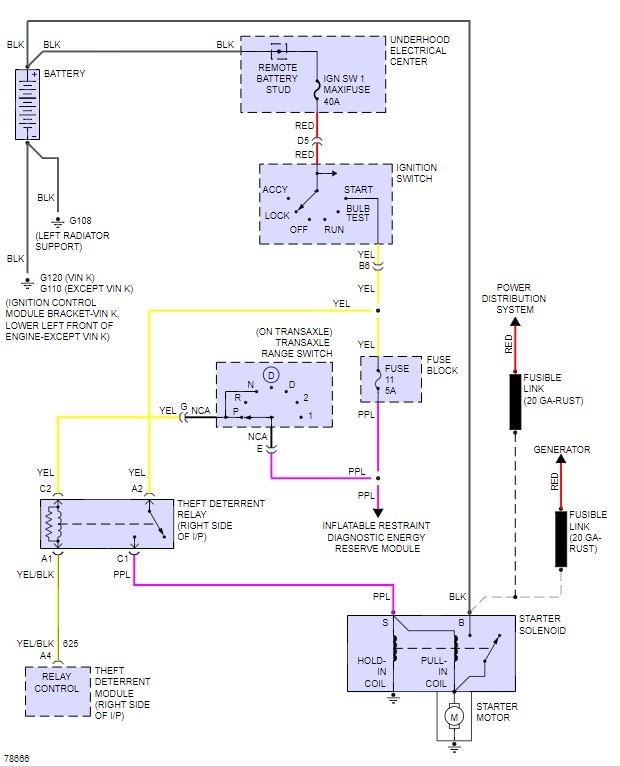
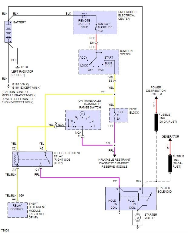
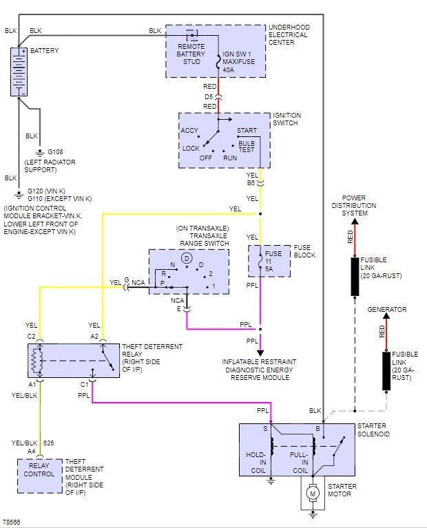
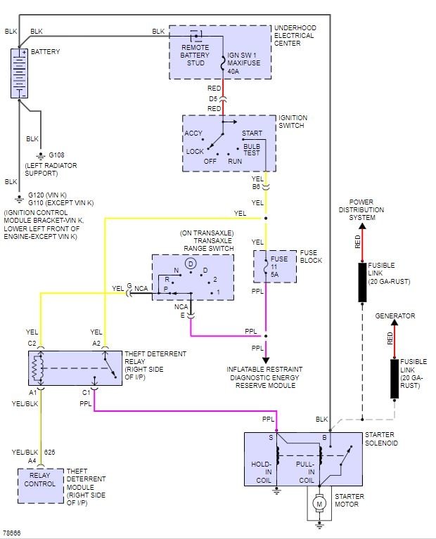
Check if the fuse #11 in the fuse block is getting voltage when you turn the key to start. You will have to test when the starter is not working, because it comes from the ignition switch. If anytime it does not have voltage when turning the key to start, it appears you have a bad ignition switch.
Was this
answer
helpful?
Yes
No
Sunday, March 4th, 2018 AT 1:59 PM

Please login or register to post a reply.