Tuesday, May 17th, 2022 AT 1:17 AM
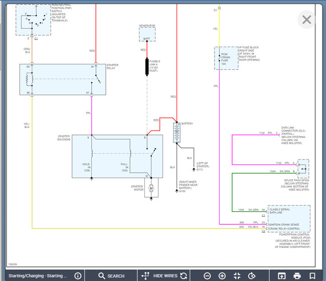
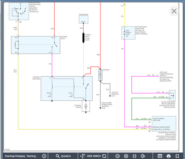
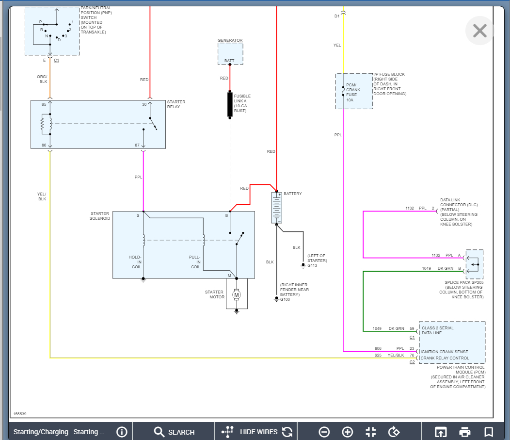
So, I bought this van knowing it wouldn't start but I was told it just needed a prndl switch and fuel pump. I have replaced the NSS not the fuel pump yet because it still won't even try to crank over. It makes no sound when trying to start it. I have reset the security and checked all the fuses I don't see and wires that are bad. I've changed out the battery just in case it wasn't strong enough. I've changed the starter and still nothing. Please, if you have any suggestions on what I can try or test from this point I would appreciate it.




