HOME
ASK A QUESTION
REPAIR GUIDES
BECOME A MEMBER
LOG IN
Login with Facebook
OR
Remember me
NOT A MEMBER?
FORGOT PASSWORD?
CONTACT US
PRIVACY POLICY
TERMS AND CONDITIONS
☰
Home
Ford
Focus
Engine
Symptoms
Not Cranking Over
Car does not crank
ALI MOHAMMED BUKAR
MEMBER
2016 FORD FOCUS
2.0L
4 CYL
2WD
AUTOMATIC
37,000 MILES
I replaced BCM and the car refused to start or even crank. It shows on the dashboard service engine and transmission now.
Thursday, February 6th, 2020 AT 1:52 AM
3 Replies
ASEMASTER6371
MECHANIC
52,796 POSTS
Good morning,
Did it start prior to the replacement?
Did you have it programmed to your vin?
What are the codes that are set? You can have a parts store or get a reader and check the codes.
Starting requires input from several modules before starting will be enabled. That is why I asked if you had the BCM programmed.
Roy
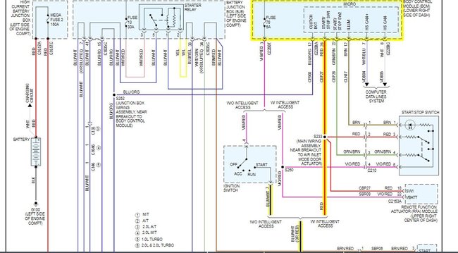
Images (Click to make bigger)
Was this
answer
helpful?
Yes
No
Thursday, February 6th, 2020 AT 7:00 AM
ALI MOHAMMED BUKAR
MEMBER
3 POSTS
No, it has not been programmed to the VIN.
Was this
answer
helpful?
Yes
No
Thursday, February 6th, 2020 AT 10:32 AM
ASEMASTER6371
MECHANIC
52,796 POSTS
That is where I would start. You need someone with the scan tool and access to the factory technical information to download the module.
Roy
Was this
answer
helpful?
Yes
No
Thursday, February 6th, 2020 AT 11:59 AM
Please
login
or
register
to post a reply.
Related Engine Not Cranking Over Content
No Crank Issue?
When We Turn The Key, You Can Hear Everything Engaging, However The Car Will Either Not Start, Or Will Start After Holding The Key For A...
Asked by
ravensunset
·
33 ANSWERS
8 IMAGES
2012
FORD FOCUS
VIDEO
Car Not Cranking? Try This | EASY
Instructional repair video
GUIDE
Starter Not Working
This guide is designed to help you identify whether the issue with your non-working starter motor is due to an electrical problem or a fault within the starter motor itself...
Clicking When Trying To Start
When I Turn The Key Over My Car Just Clicks. All My Lights Work But Will Not Turn Over. I Cleaned My Battery Connections And It Is Still...
Asked by
davehailey
·
1 ANSWER
FORD FOCUS
No Crank
Wired Electric Fan Motor Up Straight To Fuse Box Car Started And Shut Off Then Would Not Do Anything. Have Checked All Fuses Put A Charged...
Asked by
Brian Sparks2
·
20 ANSWERS
1 IMAGE
2003
FORD FOCUS
2001 Zx3, Possible Starter Problem? Hearing Weird...
Wow, I'm Glad I Found This Site! Ok, So Anyone Has Any Idea What's Going On, Let Me Know! After The Car Has Been Sitting Overnight Or...
Asked by
ChrisRobin
·
2 ANSWERS
2001
FORD FOCUS
Focus Starter Problem
2001 Ford Focus, 65,000 Miles, 2.0l. The Car Would Intermittently Not Crank--nothing Happens After Turning The Ignition Switch. Must Try...
Asked by
butlerf
·
1 ANSWER
FORD FOCUS
VIEW MORE
Ask a Car Question. It's Free!
Car Not Cranking? Try This | EASY
Battery Replacement Guide
How to Test a Car Battery