Friday, August 1st, 2025 AT 1:41 PM
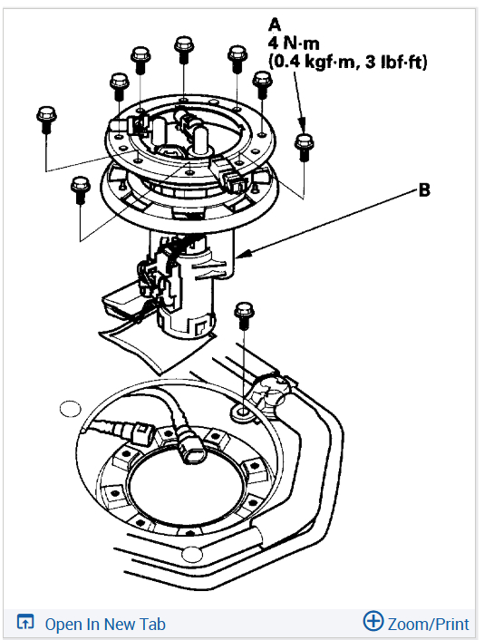
The car idles fine but whenever the accelerator is pressed the engine stalls out and dies. I changed the fuel pump and injectors, but I don't have the right tool to check fuel pressure. I can't figure it out




