No start issue after replacing rear crankshaft seal (housing and sensor)

Tiny
KHOTHATSO
  • MEMBER
  • 2004 VOLKSWAGEN POLO
  • 1.4L
  • V8
  • 2WD
  • MANUAL
  • 146,800 MILES
After replacing the rear crankshaft seal which comes with a new sensor housing and the seal. The starter kicks but the engine does not run. Do I need to program the car to solve this problem?
Thursday, June 14th, 2018 AT 8:08 AM

6 Replies

Tiny
KEN L
  • MASTER CERTIFIED MECHANIC
  • 55,499 POSTS
Hello,

The rear seal came with the sensor. I have the diagrams for the seal. I do not see the sensor?

Can you see if the ignition has spark?

https://www.2carpros.com/articles/how-to-test-an-ignition-system

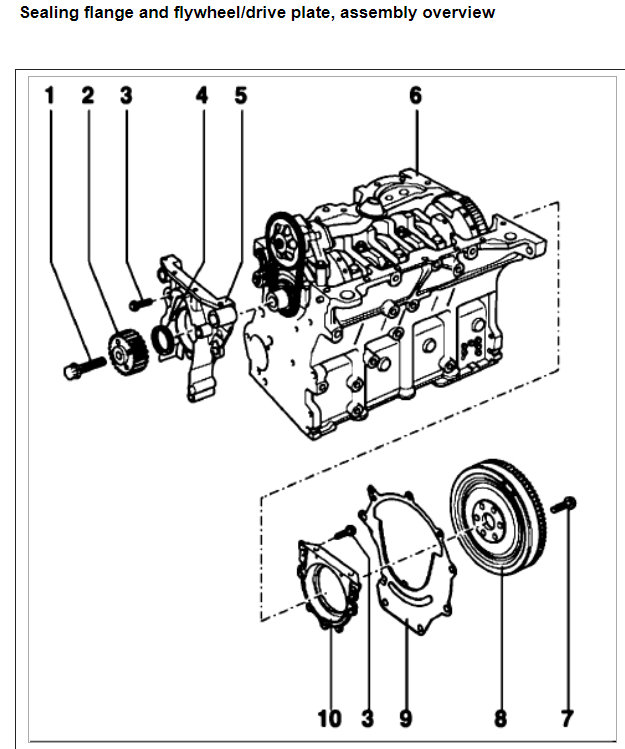
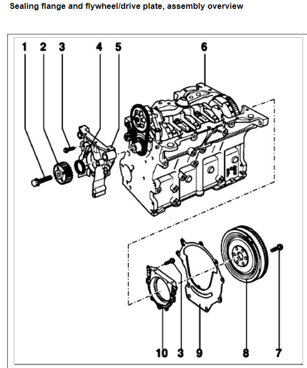
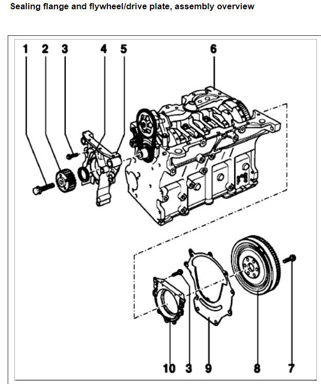
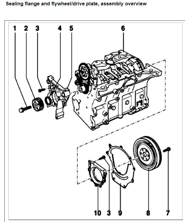
Check the diagrams below. Please run down this guide and report back.

Cheers, Ken
Was this
answer
helpful?
Yes
No
Friday, June 15th, 2018 AT 10:43 AM
Tiny
KHOTHATSO
  • MEMBER
  • 4 POSTS
Can the deference be the problem? They said it is the correct part at the auto store.
Was this
answer
helpful?
Yes
No
+1
Saturday, June 16th, 2018 AT 5:52 AM
Tiny
KEN L
  • MASTER CERTIFIED MECHANIC
  • 55,499 POSTS
So does the metal ring spin in the housing? Do you still have the old one? If the ring spins then I would say you have the wrong part so the crankshaft angle sensor bolts to the seal housing? I have never seen that before.
Was this
answer
helpful?
Yes
No
+2
Saturday, June 16th, 2018 AT 11:19 AM
Tiny
PATENTED_REPAIR_PRO
  • MECHANIC
  • 1,853 POSTS
No, the rear main oil seal should not prevent the engine from starting but it might be something left disconnected while doing that job. Double check everything.
For instance if the crankshaft position sensor was disconnected.
Was this
answer
helpful?
Yes
No
+3
Sunday, June 17th, 2018 AT 10:50 AM (Merged)
Tiny
KHOTHATSO
  • MEMBER
  • 4 POSTS
The engine fires up but cannot run. Now I think of programming the car because the new sensor might not be recognized. Can these new sensor be the problem?
Was this
answer
helpful?
Yes
No
+1
Sunday, June 17th, 2018 AT 10:50 AM (Merged)
Tiny
KEN L
  • MASTER CERTIFIED MECHANIC
  • 55,499 POSTS
Yep sure can, some sensors need to be programmed in. Here are instructions:

CKP SYSTEM VARIATION LEARN PROCEDURE

Install a scan tool.
Monitor the powertrain control module (PCM) for DTCs with a scan tool. If other DTCs are set, except DTC P0315, refer to Diagnostic Trouble Code (DTC) List for the applicable DTC that set.
Select the crankshaft position (CKP) variation learn procedure with a scan tool.
The scan tool instructs you to perform the following:
4.1. Accelerate to wide open throttle (WOT).
4.2. Release throttle when fuel cut-off occurs.
4.3. Observe fuel cut-off for applicable engine.
4.4. Engine should not accelerate beyond calibrated RPM value.
4.5. Release throttle immediately if value is exceeded.
4.6. Block drive wheels.
4.7. Set parking brake.
4.8. DO NOT apply brake pedal.
4.9. Cycle ignition from OFF to ON.
4.10. Apply and hold brake pedal.
4.11. Start and idle engine.
4.12. Turn A/C OFF.
4.13. Vehicle must remain in Park or Neutral.
4.14. The scan tool monitors certain component signals to determine if all the conditions are met to continue with the procedure. The scan tool only displays the condition that inhibits the procedure.
The scan tool monitors the following components:
CKP sensors activity-If there is a CKP sensor condition, refer to the applicable DTC that set.
Camshaft position (CMP) sensor activity-If there is a CMP sensor condition, refer to the applicable DTC that set.
Engine coolant temperature (ECT)-If the ECT is not warm enough, idle the engine until the engine coolant temperature reaches the correct temperature.
Enable the CKP system variation learn procedure with a scan tool.
IMPORTANT: While the learn procedure is in progress, release the throttle immediately when the engine starts to decelerate. The engine control is returned to the operator and the engine responds to throttle position after the learn procedure is complete.

Accelerate to WOT.
Release when the fuel cut-off occurs.
Test in progress
The scan tool displays Learn Status: Learned this ignition. If the scan tool indicates that DTC P0315 ran and passed, the CKP variation learn procedure is complete. If the scan tool indicates DTC P0315 failed or did not run, refer to DTC P0315. If any other DTCs set, refer to Diagnostic Trouble Code (DTC) List for the applicable DTC that set.
Turn OFF the ignition for 30 seconds after the learn procedure is completed successfully.
The CKP system variation learn procedure is also required when the following service procedures have been performed, regardless of whether DTC P0315 is set:
A CKP sensor replacement
An engine replacement
A PCM replacement
A harmonic balancer replacement
A crankshaft replacement
Any engine repairs which disturb the CKP sensor relationship

Please let us know what happens.

Cheers, Ken
Was this
answer
helpful?
Yes
No
+2
Monday, July 2nd, 2018 AT 11:48 AM

Please login or register to post a reply.