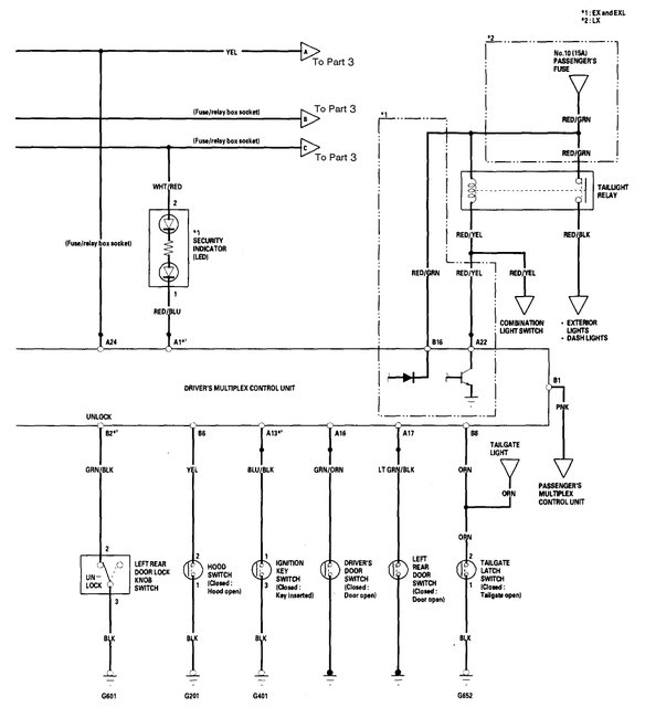
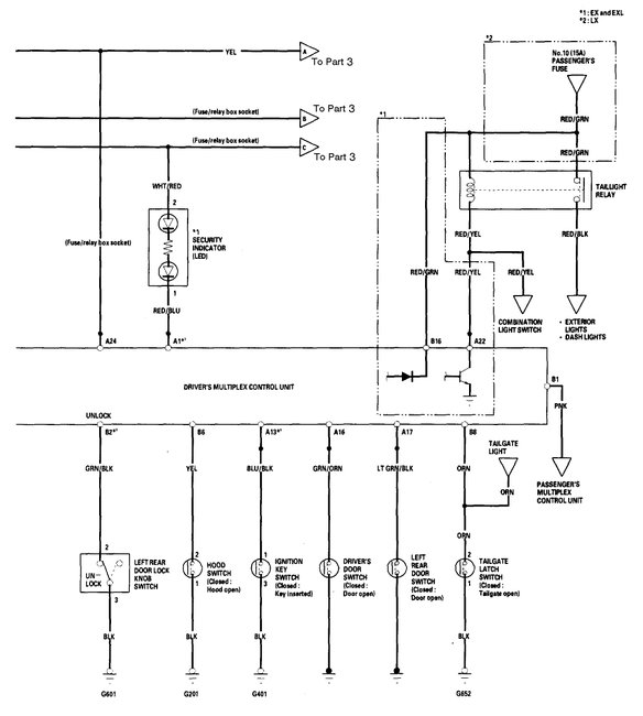
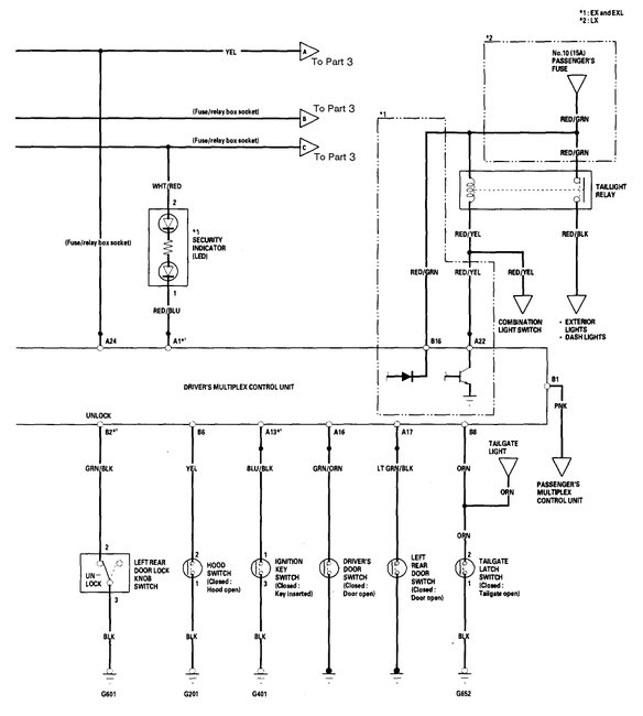
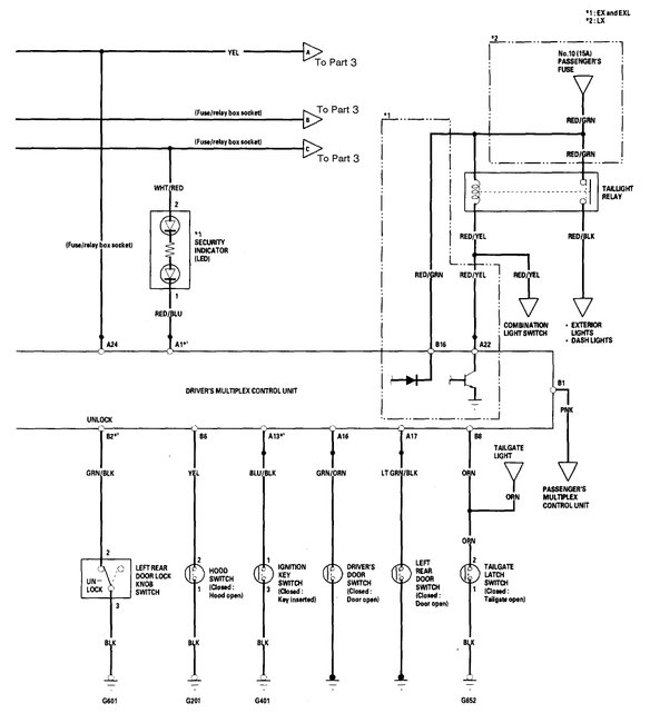
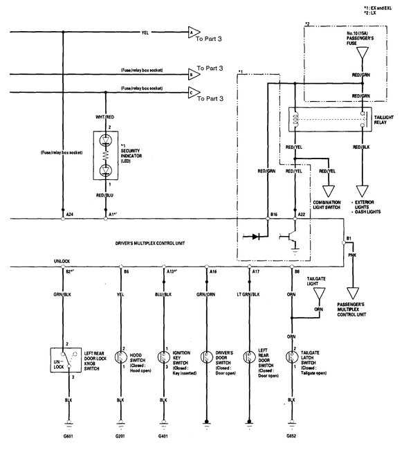
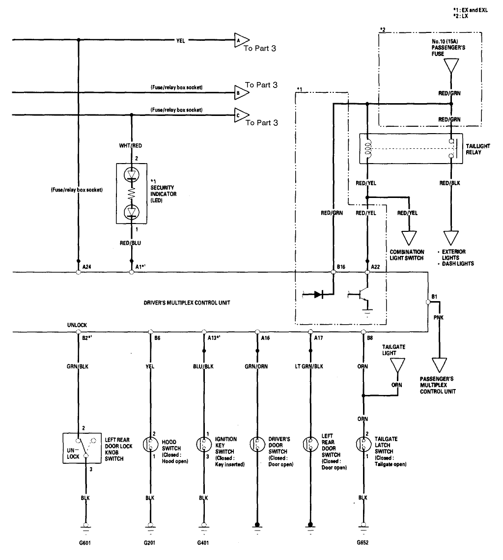
Saturday, February 17th, 2018 AT 10:52 PM
I am trying to install a shock sensor to the OEM alarm and I need to know which is the door unlock trigger wire that will set off the alarm.

