Fuel pump relay location needed

Tiny
MOMFINDIT
  • MEMBER
  • 2007 NISSAN FRONTIER
  • 2.5L
  • 4 CYL
  • 2WD
  • AUTOMATIC
  • 208,000 MILES
Truck ran okay, went out next morning will not start.
Sunday, September 20th, 2020 AT 10:52 AM

1 Reply

Tiny
KASEKENNY
  • MECHANIC
  • 18,907 POSTS
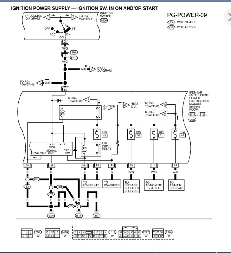
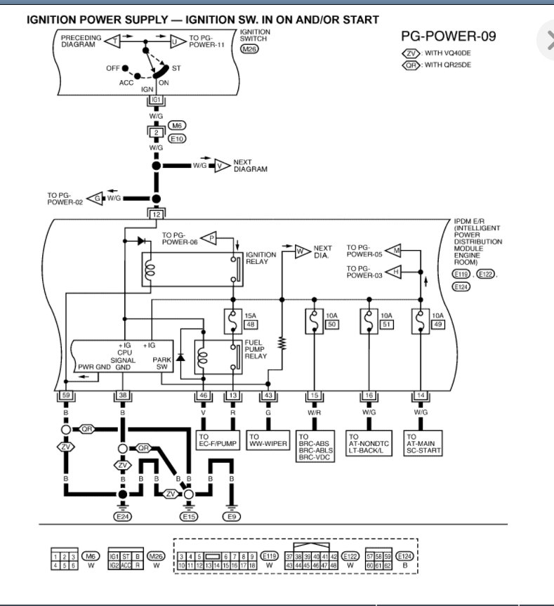
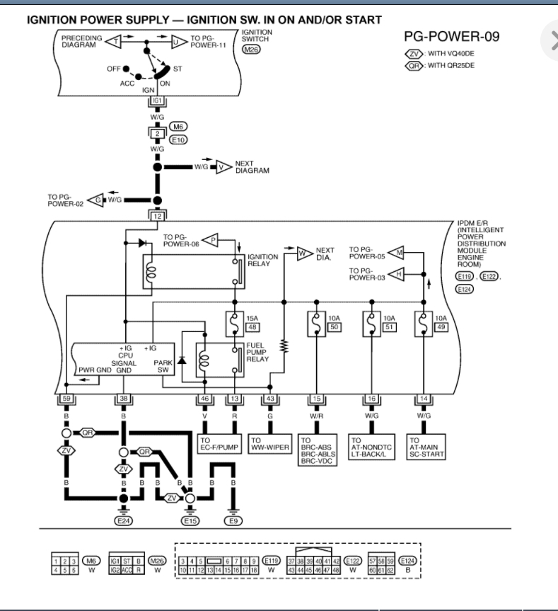
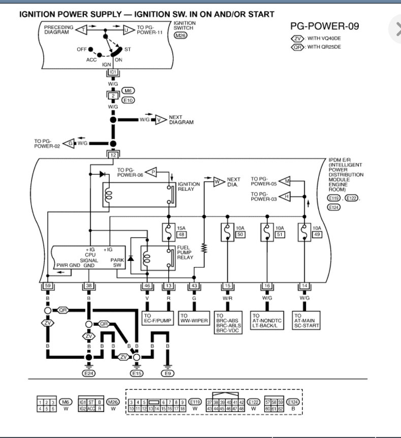
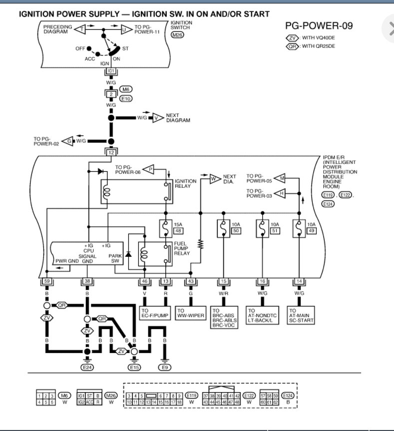
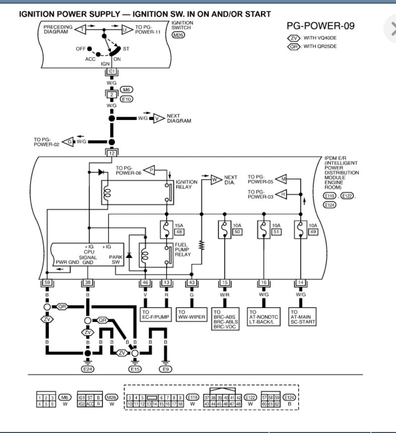
The fuel pump relay is part of the IPDM. I attached the info on this. Does the fuel pump turn on when you turn the key? If it does, we need to check pressure as the relay is working.

https://www.2carpros.com/articles/how-to-check-fuel-system-pressure-and-regulator

Let's start with this and go from there.
Was this
answer
helpful?
Yes
No
-1
Sunday, September 20th, 2020 AT 11:59 AM

Please login or register to post a reply.