Canister purge valve diagram needed

Tiny
IGENIUS92
  • MEMBER
  • 1997 CHEVROLET CAMARO
  • 3.8L
  • V6
  • 2WD
  • MANUAL
  • 155,000 MILES
Hello, I have the car listed above with a 5 speed, and I was wondering if anyone has the schematics, diagrams etc, on where the canister purge valve should be hooked up to? I'm wondering if there is a wire missing or something because the code came up.
Sunday, November 28th, 2021 AT 2:39 PM

16 Replies

Tiny
JACOBANDNICKOLAS
  • MECHANIC
  • 110,194 POSTS
Hi,

The purge valve is part of the EVAP emissions system (EVAP). It is triggered to allow gas fumes to enter the engine from the EVAP canister (charcoal canister).

It functions on both electric and vacuum, either of which can cause a code. Also, the purge valve itself can fail.

If you look below, the first two pics are the electrical portion of the purge valve circuit. I highlighted and placed red arrows to where power comes from and goes to. (Power from fuse/ground provided by PCM).

The last pic shows the vacuum portion of the system. Gas fumes from the fuel tank are stored in the charcoal canister. At a specific time, the PCM provides ground to actuate the purge valve. At that point, a vacuum from the throttle body draws the fumes through the valve from the canister to be burned in the combustion chamber.

If you have the code that was set, let me know what it is so I can point you in the right direction, vacuum or electrical.

I hope this helps. Let me know if you have other questions. If you have the chance, let me know what the fix was. I'm interested in knowing.

Take care,
Joe

See pics below. Note: Pics 1 and 2 came from a one-page schematic. I had to cut it in half the make it readable. I did overlap them so you can follow from one to the next. Also, sorry for the sloppy printing in pic 3. I can't do it neatly with a mouse. LOL
Was this
answer
helpful?
Yes
No
+3
Sunday, November 28th, 2021 AT 9:11 PM
Tiny
IGENIUS92
  • MEMBER
  • 205 POSTS
Yes, that helps a lot I just wished I had another Camaro with the 3.8l motor to physically see how its hooked up on someone else's vehicle.
Was this
answer
helpful?
Yes
No
Monday, November 29th, 2021 AT 4:28 PM
Tiny
JACOBANDNICKOLAS
  • MECHANIC
  • 110,194 POSTS
Hi,

Which part do you need help with? I should be able to help.

Let me know.

Joe
Was this
answer
helpful?
Yes
No
Monday, November 29th, 2021 AT 5:23 PM
Tiny
IGENIUS92
  • MEMBER
  • 205 POSTS
Well, like how it's connected on another Camaro I might not have something connected unless it's the actual valve itself, but I took the engine apart, and rebuilt it. Well in most factors and now it's misfiring and very rich, too lean, and one of the codes that popped up is for the evap canister.
Was this
answer
helpful?
Yes
No
Monday, November 29th, 2021 AT 6:52 PM
Tiny
JACOBANDNICKOLAS
  • MECHANIC
  • 110,194 POSTS
When you say too rich, too lean, those are opposites. If it is too rich, suspect a fuel pressure issue or a leaking fuel injector. If it is too lean, a vacuum leak (such as the valve you asked about) low fuel pressure, or anything that can allow unmetered air to enter the engine.

Here is a link that shows how to locate a vacuum leak if you have a lean mixture:

https://www.2carpros.com/articles/how-to-use-an-engine-vacuum-gauge

Here is a link that explains how to test fuel pressure if it's lean or rich:

https://www.2carpros.com/articles/how-to-check-fuel-system-pressure-and-regulator

If there are other codes, let me know what they are. Also, let me know the code you found.

Take care,

Joe
Was this
answer
helpful?
Yes
No
Monday, November 29th, 2021 AT 9:15 PM
Tiny
IGENIUS92
  • MEMBER
  • 205 POSTS
Hey, you know that might be on the money. I replaced my MAP sensor with an after market one from AutoZone, and I remember when I replaced my MAF with one from autosome, it wouldn't stay started unless I kept my foot on the gas, once I got the original OEM, idled just fine. So, I know some of those sensors are sensitive, and I may have to have that MAP sensor OEM, can you give me a schematic or diagram of the MAP sensor, and TPA sensor location? Because I changed them both, but forgot which one is which.
Was this
answer
helpful?
Yes
No
Monday, November 29th, 2021 AT 10:05 PM
Tiny
JACOBANDNICKOLAS
  • MECHANIC
  • 110,194 POSTS
Hi,

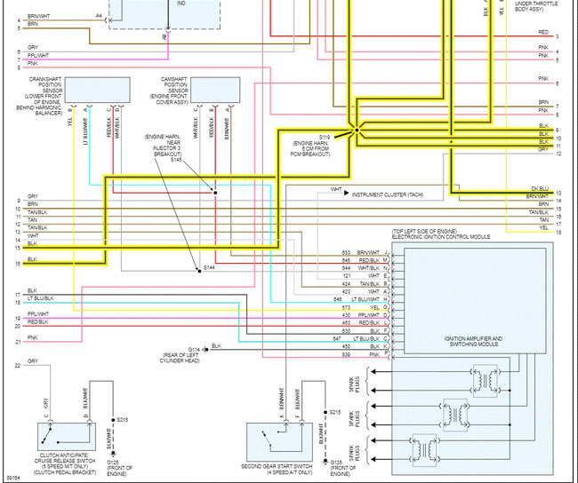
I attached the entire powertrain management system schematic below. There were a total of three pages. I had to cut each page in half to make them readable for you, however, I did overlap them so you can follow from one to the next.

Additionally, I highlighted all wiring related to the MAP and TPS.

Here is a link you may find helpful:

https://www.2carpros.com/articles/how-to-check-wiring

I hope this helps. Let me know what you find, or if you have other questions.

Take care,

Joe

See pics below.
Was this
answer
helpful?
Yes
No
Tuesday, November 30th, 2021 AT 6:36 PM
Tiny
IGENIUS92
  • MEMBER
  • 205 POSTS
That is very helpful! Thank you very much. I'll keep you updated on my progress.
Was this
answer
helpful?
Yes
No
Tuesday, November 30th, 2021 AT 7:23 PM
Tiny
IGENIUS92
  • MEMBER
  • 205 POSTS
So here's what it does:
On a cold start in the morning after sitting all night it starts up quickly, but after it gets to operational temperature I'll cut it off then try to cut it back on, and it hesitates like it's out of gas, but while slowly turn over.
Was this
answer
helpful?
Yes
No
Wednesday, December 1st, 2021 AT 11:08 AM
Tiny
JACOBANDNICKOLAS
  • MECHANIC
  • 110,194 POSTS
Hi,

When it starts, is there any smoke from the exhaust or odd smells?

Let me know.

Joe
Was this
answer
helpful?
Yes
No
Wednesday, December 1st, 2021 AT 6:17 PM
Tiny
IGENIUS92
  • MEMBER
  • 205 POSTS
Yea, I can smell exhaust and yes, some smoke too.
Was this
answer
helpful?
Yes
No
Thursday, December 2nd, 2021 AT 6:39 PM
Tiny
JACOBANDNICKOLAS
  • MECHANIC
  • 110,194 POSTS
If the exhaust has a strong fuel smell and you are seeing gray or black smoke, chances are the fuel pressure is too high or you have an injector issue.

If possible, perform a fuel pressure test on the vehicle. Here is a link that shows how it's done:

https://www.2carpros.com/articles/how-to-check-fuel-system-pressure-and-regulator

You will need a fuel pressure gauge, but most parts stores will lend one to you.

Try this and let me know the results.

Joe
Was this
answer
helpful?
Yes
No
Thursday, December 2nd, 2021 AT 7:03 PM
Tiny
IGENIUS92
  • MEMBER
  • 205 POSTS
I was thinking the same thing with my injectors. Does this vehicle have a fuel pressure regulator, and fuel pressure test port? If so, are there pictures of the locations?
Was this
answer
helpful?
Yes
No
Saturday, December 4th, 2021 AT 12:44 PM
Tiny
JACOBANDNICKOLAS
  • MECHANIC
  • 110,194 POSTS
Hi,

Yes, it has both. They are on the fuel rail. The regulator is vacuum operated. Before doing anything, remove the vacuum hose and inspect for evidence of fuel in it. The line should be dry.

Then proceed with the test. Remember, the system is always pressurized, so be careful I attached a pic below showing locations (sorry for the sloppy handwriting) and the manufacturer's specs for pressure.

Let me know what you find.

Take care,

Joe

See pics below.
Was this
answer
helpful?
Yes
No
Saturday, December 4th, 2021 AT 7:31 PM
Tiny
IGENIUS92
  • MEMBER
  • 205 POSTS
Okay thanks, will do.
Was this
answer
helpful?
Yes
No
Sunday, December 5th, 2021 AT 9:10 AM
Tiny
JACOBANDNICKOLAS
  • MECHANIC
  • 110,194 POSTS
You are very welcome. Let me know what you find and what I can do to help.

Joe
Was this
answer
helpful?
Yes
No
Sunday, December 5th, 2021 AT 3:45 PM

Please login or register to post a reply.