Engine ran hot after recent radiator replacement

Tiny
MABENDROTH86
  • MEMBER
  • 2004 GMC ENVOY
  • V6
  • 2WD
  • AUTOMATIC
  • 214,270 MILES
I got my radiator replaced on May 21. My car ran hot yesterday. I have coolant leaking from somewhere. Now my fan is making a noise. Is it the water pump? Can I mess up my water pump replacing my radiator?
Monday, May 28th, 2018 AT 4:13 AM

1 Reply

Tiny
ASEMASTER6371
  • MECHANIC
  • 52,796 POSTS
Good morning.

It could be but you need a pressure test in the system to confirm. Once it is confirmed then you can be sure of the location of the leak.

Roy

https://www.2carpros.com/articles/radiator-pressure-test

https://www.2carpros.com/articles/water-pump-replacement

1. Drain the coolant.
2. Remove the fan and shroud.
3. Remove the drive belt.
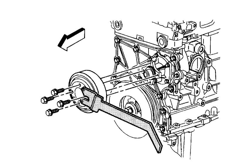
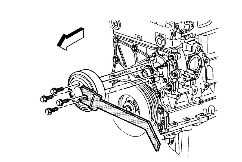
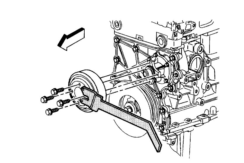
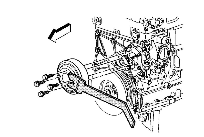
4. Using the J 41240, secure the water pump pulley and remove the water pump pulley bolts.
5. Remove the J 41240.
6. Remove the water pump pulley.

imageZoom/Print

7. Loosen and remove the water pump bolts.
8. Remove the water pump.
9. Clean and inspect the water pump.
10. Discard and replace the gasket.
Was this
answer
helpful?
Yes
No
Monday, May 28th, 2018 AT 4:56 AM

Please login or register to post a reply.