Code P0341 Camshaft Sensor

Tiny
TEAMBSI
  • MEMBER
  • 2010 CHEVROLET SPARK
  • 0.8L
  • 3 CYL
  • 2WD
  • MANUAL
  • 281,000 MILES
My vehicle display this code and I can't seem to get it cleared after trying almost everything Google suggests. My car runs okay but stalls occasionally I think I lack the testing steps of the input and output of the sensor. Please help me.
Wednesday, April 1st, 2020 AT 12:34 PM

8 Replies

Tiny
ASEMASTER6371
  • MECHANIC
  • 52,796 POSTS
Good afternoon,

What exactly have you tried? Google sometimes is not the best source of information.

I attached a description and possible issues.

Do you have a scan tool to read live data?

Roy

Circuit/System Description
The camshaft position (CMP) sensor correlates the crankshaft to camshaft position so that the engine control module (ECM) can determine which cylinder is ready to be fueled by an injector. As the camshaft rotates, the reluctor wheel interrupts a magnetic field produced by a magnet within the sensor and sends a signal to the ECM through the signal circuit. The CMP sensor circuits are directly connected to the ECM. The CMP sensor also determines which cylinder is misfiring. The CMP sensor circuits consist of the following:

An ignition voltage
A low reference
A CMP signal
Conditions for Running the DTC
The engine is running.
The DTC runs continuously when the above conditions are met.
Conditions for Setting the DTC
P0341

The ECM detects no transition of CMP signal between 25th and 33th CKP pulse and detects change in polarity.

P0342

The ECM detects no transition of CMP signal between 25th and 33th CKP pulse and detects no change in polarity.

Action Taken When the DTC Sets
DTC P0341 and P0342 are Type E DTCs.

Conditions for Clearing the DTC
DTC P0341 and P0342 are Type E DTCs.

Diagnostic Aids
The following conditions can also set the DTC:

Physical damage to the CMP sensor or the reluctor wheel.
Excessive play or looseness of the CMP sensor or the reluctor wheel.
Improper installation of the CMP sensor or the reluctor wheel.
Foreign material passing between the CMP sensor and the reluctor wheel.
Excessive air gap between the CMP sensor and the reluctor wheel.
Was this
answer
helpful?
Yes
No
Wednesday, April 1st, 2020 AT 12:57 PM
Tiny
TEAMBSI
  • MEMBER
  • 38 POSTS
Hi, thanks for a much informative answer, I surely appreciate it.

I have tried a different camshaft, sensor, double checked cam and crank timing. Also, tried checking the input and output of the sensors but realized that I needed the wiring diagram.

Hope all this makes sense.

Regards,

Bernard
Was this
answer
helpful?
Yes
No
Wednesday, April 1st, 2020 AT 1:33 PM
Tiny
ASEMASTER6371
  • MECHANIC
  • 52,796 POSTS
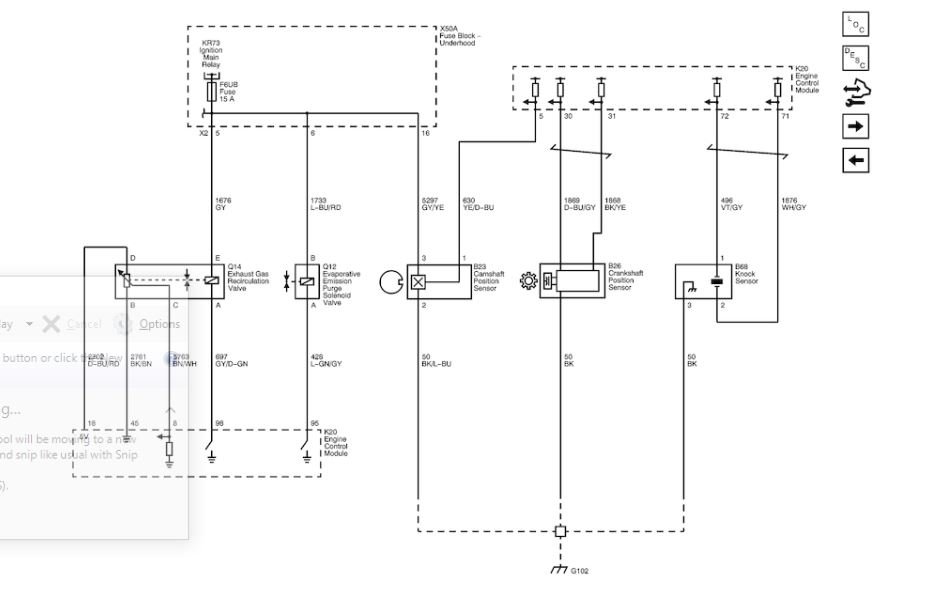
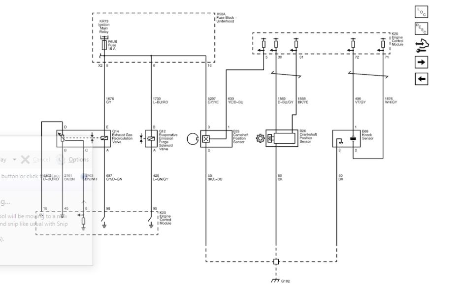
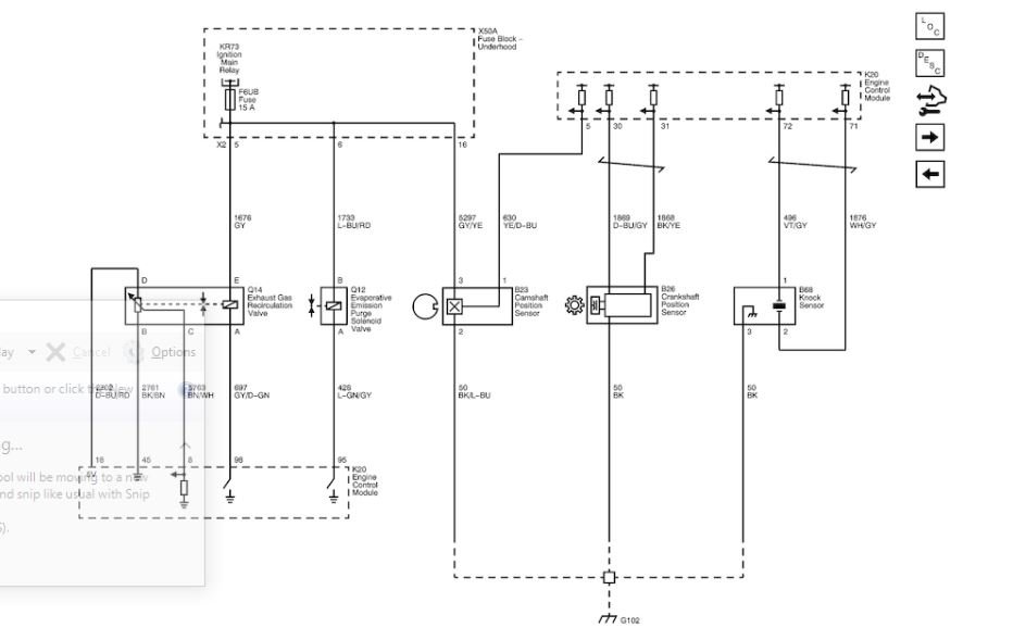
Okay, I attached a wiring diagram of the sensors for you to review.

Let me know if you have any other questions.

Roy
Was this
answer
helpful?
Yes
No
+1
Wednesday, April 1st, 2020 AT 1:47 PM
Tiny
TEAMBSI
  • MEMBER
  • 38 POSTS
Hi, I don't think my scan tool support live data reading.
Was this
answer
helpful?
Yes
No
Wednesday, April 1st, 2020 AT 1:48 PM
Tiny
ASEMASTER6371
  • MECHANIC
  • 52,796 POSTS
Okay, let me know when you start testing.

Roy
Was this
answer
helpful?
Yes
No
Wednesday, April 1st, 2020 AT 1:50 PM
Tiny
TEAMBSI
  • MEMBER
  • 38 POSTS
Okay, thanks. Can only do it in the morning, the time is 23h00 at the moment.
Was this
answer
helpful?
Yes
No
+1
Wednesday, April 1st, 2020 AT 2:00 PM
Tiny
TEAMBSI
  • MEMBER
  • 38 POSTS
Do you mind sending me the testing step for the multi-meter?
Bernard
Was this
answer
helpful?
Yes
No
Wednesday, April 1st, 2020 AT 2:02 PM
Tiny
ASEMASTER6371
  • MECHANIC
  • 52,796 POSTS
Attached for you to review.

Let me know if you have any other questions.

https://www.2carpros.com/articles/how-to-use-a-voltmeter

https://www.2carpros.com/articles/how-to-check-wiring

Roy
Was this
answer
helpful?
Yes
No
Wednesday, April 1st, 2020 AT 2:10 PM

Please login or register to post a reply.