Drivers side heated seat won't work

Tiny
NMNERK
  • MEMBER
  • 2004 CADILLAC ESCALADE ESV
  • V8
  • AWD
  • AUTOMATIC
  • 95,000 MILES
It will turn on for 3-5 seconds then switch off. The passenger side heated seat works great.

Also, the driver side memory seat is no longer working.

Thanks
Sunday, February 28th, 2010 AT 1:23 PM

1 Reply

Tiny
KASEKENNY
  • MECHANIC
  • 18,907 POSTS
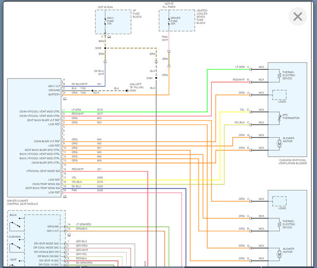
More than likely this is an issue with the seat heat element being shorted.

What happens is the module will turn this on but when it sees the current getting to high then it will shut it off so that it doesn't cause an issue. So, when the heating element is shorted to ground it can damage the circuit.

So, it shuts it off.

I am attaching the wiring diagram that will help with checking for the short to ground.

Here is a guide that will help as well:

https://www.2carpros.com/articles/how-to-check-wiring

Please see the wiring diagram and let us know what you find.

Thanks
Was this
answer
helpful?
Yes
No
Sunday, January 30th, 2022 AT 5:50 PM

Please login or register to post a reply.