Stop Lamp Switch Replacement
Removal Procedure
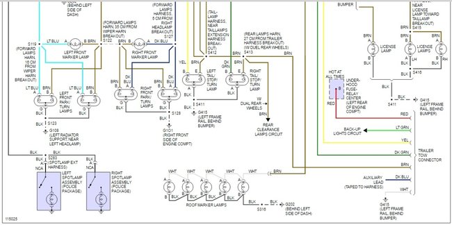
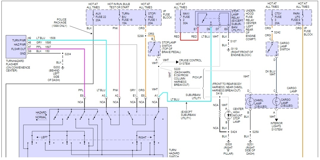
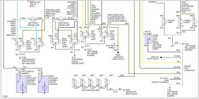
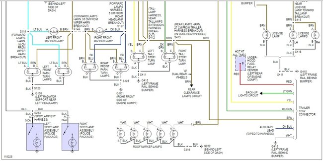
For information on stoplamp circuit diagnosis, refer to Lighting Systems in Body and Chassis; and Electrical Diagnosis.
Caution: Unless directed otherwise, the ignition and start switch must be in the OFF or LOCK position, and all electrical loads must be OFF before servicing any electrical component. Disconnect the negative battery cable to prevent an electrical spark should a tool or equipment come in contact with an exposed electrical terminal. Failure to follow these precautions may result in personal injury and/or damage to the vehicle or its components.
For Vehicles equipped with OnStar  (UE1) with Back Up Battery:
The Back Up Battery is a redundant power supply to allow limited OnStar  functionality in the event of a main vehicle battery power disruption to the VCIM (OnStar  module). Do not disconnect the main vehicle battery or remove the OnStar  fuse with the ignition key in any position other than OFF. Retained accessory power (RAP) should be allowed to time out or be disabled (simply opening the driver door should disable RAP) before disconnecting power. Disconnecting power to the OnStar  module in any way while the ignition is On or with RAP activated may cause activation of the OnStar  Back-Up Battery (BUB) system and will discharge and permanently damage the back-up battery. Once the Back-Up Battery is activated it will stay on until it has completely discharged. The BUB is not rechargeable and once activated the BUB must be replaced.
Disconnect the battery negative cable.
Disable the SIR. Refer to Disabling the SIR System .

Remove the pushrod retainer from the brake pedal pin. Use snap ring pliers.
Unsnap the stoplamp switch from the pushrod.
Disconnect the electrical connector from the stoplamp switch.
Installation Procedure

Connect the electrical connector to the stoplamp switch.
Snap the stoplamp switch onto the pushrod.
Install a new pushrod retainer on the brake pedal pin. Use an 11 mm (7/16 in) socket in order to push a new clip onto the pin.
Connect the negative battery cable.
Enable the SIR. Refer to Enabling the SIR System in Supplemental Inflatable Restraints.
Wednesday, July 21st, 2010 AT 10:53 PM