My car brake lights are not working?

Tiny
ESCALADE333
  • MEMBER
  • 2002 CADILLAC ESCALADE
  • 195,000 MILES
My car brake lights are not working but all other lights are working please can you give me solution and location for the fuse?
Friday, May 25th, 2012 AT 4:02 PM

3 Replies

Tiny
FIXITMR
  • MECHANIC
  • 9,990 POSTS
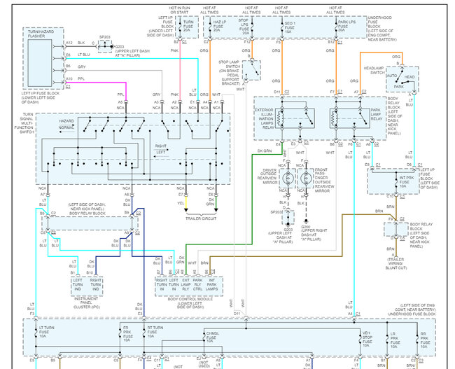
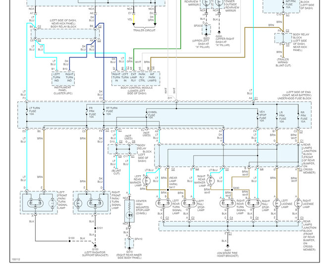
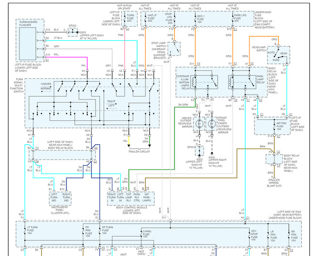
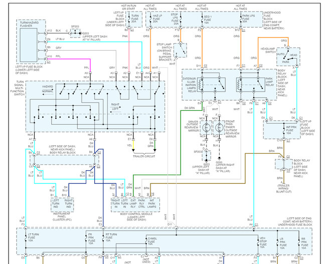
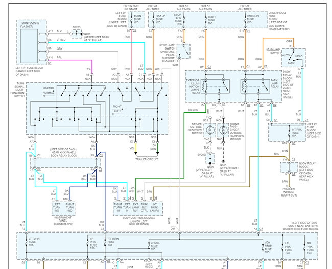
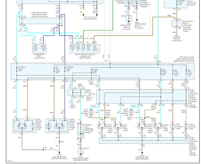
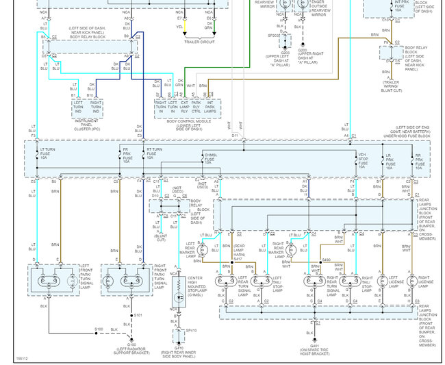
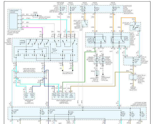
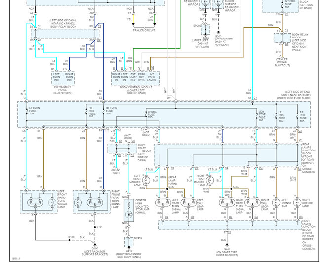
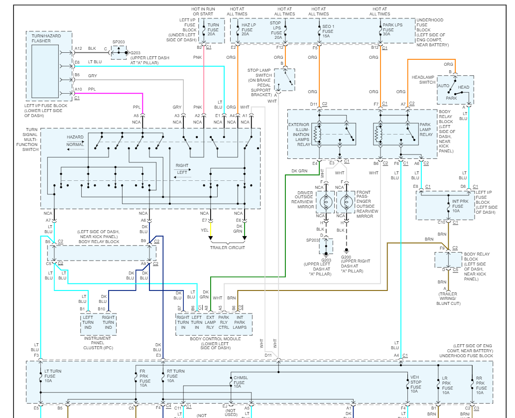
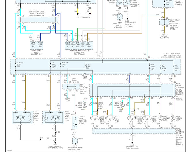
In the underhood fuse panel please check the STOP LPS fuse. Here is a guide to help and the fuse location in the images below I have included the brake light wiring diagrams so you can see how the system works as well. This guide may help as well

https://www.2carpros.com/articles/brake-lights-not-working

Check out the images (Below). Please let us know what happens.
Was this
answer
helpful?
Yes
No
Friday, May 25th, 2012 AT 4:19 PM
Tiny
FIXITMR
  • MECHANIC
  • 9,990 POSTS
Could also be your hazard switch. Try contact cleaner and work it a few times.
Was this
answer
helpful?
Yes
No
-1
Friday, May 25th, 2012 AT 4:23 PM
Tiny
ESCALADE333
  • MEMBER
  • 3 POSTS
It was the stop light switch thanks for helping me :)
Was this
answer
helpful?
Yes
No
+1
Friday, May 25th, 2012 AT 7:12 PM

Please login or register to post a reply.