Fuel pump relay?

Tiny
HARPER051
  • MEMBER
  • 2000 CADILLAC DEVILLE
Where do I locate the fuel relay pump on my car?
Tuesday, September 9th, 2008 AT 1:28 PM

19 Replies

Tiny
KEN L
  • MASTER CERTIFIED MECHANIC
  • 55,499 POSTS
Hello,

Here is a guide to help you test the relay so when you find it below.

https://www.2carpros.com/articles/how-to-check-an-electrical-relay-and-wiring-control-circuit

Check out the diagrams (Below)

Please let us know if you need anything else to get the problem fixed.

Cheers, Ken
Was this
answer
helpful?
Yes
No
+3
Monday, February 19th, 2018 AT 2:20 PM
Tiny
NICK KOOL
  • MEMBER
  • 2 POSTS
  • 1990 CADILLAC DEVILLE
Where can I find the fuel pump relay? Car wont start I just put new fuel pump and it was running ok but now it wont start, I dont hear any noise from the pump when key is on, can you help?
Was this
answer
helpful?
Yes
No
+7
Monday, January 6th, 2020 AT 3:10 PM (Merged)
Tiny
RASMATAZ
  • MECHANIC
  • 75,992 POSTS
Hello,

Here is a guide to help you test the relay with the fuel pump relay location below.

https://www.2carpros.com/articles/how-to-check-an-electrical-relay-and-wiring-control-circuit

Check out the diagrams (Below). Please let us know if you need anything else to get the problem fixed.
Was this
answer
helpful?
Yes
No
Monday, January 6th, 2020 AT 3:10 PM (Merged)
Tiny
PATLEE
  • MEMBER
  • 1 POST
  • 1986 CADILLAC DEVILLE
  • V8
  • 2WD
  • AUTOMATIC
  • 94,000 MILES
Where is it located? I'm installing a fuel pump and need to check the relay.
Was this
answer
helpful?
Yes
No
+2
Monday, January 6th, 2020 AT 3:10 PM (Merged)
Tiny
KEN L
  • MASTER CERTIFIED MECHANIC
  • 55,499 POSTS
Installing a new fuel pump relay is not to bad of a job. You can try direct power to the fuel pump to see if the pump works.

See below


https://www.2carpros.com/forum/automotive_pictures/12900_fuel_pump_relay_27.jpg



Here is the fuel pump location for a newer model

https://www.2carpros.com/questions/cadillac-deville-2000-cadillac-deville-fuel-pump-relay

Please let us know happens so it will help others.

Best, Ken
Was this
answer
helpful?
Yes
No
-1
Monday, January 6th, 2020 AT 3:10 PM (Merged)
Tiny
RICH001
  • MEMBER
  • 2 POSTS
  • 1986 CADILLAC DEVILLE
  • V8
  • FWD
  • AUTOMATIC
  • 140,000 MILES
My Cadillac runs perfect on all short trips, but after a longer trip (60 min. Or more), it will not start and is not getting fuel. I replaced the filter, and am now trying to locate the fuel relay switch. I have a manual that says it is beside the fuse box, which it isn`t. I went to the GM dealer, and they said it was on the firewall, which it isn`t. So I have a new relay and nowhere to put it.
Was this
answer
helpful?
Yes
No
-1
Monday, January 6th, 2020 AT 3:10 PM (Merged)
Tiny
MERLIN2021
  • MECHANIC
  • 17,250 POSTS
Check engine compartment relay block near the washer fluid reservoir.
Was this
answer
helpful?
Yes
No
Monday, January 6th, 2020 AT 3:10 PM (Merged)
Tiny
BUZZSAW
  • MECHANIC
  • 1,198 POSTS
Its on the firewall, under a black cover made of plastic,
there are 3 of them there, and some fuses, I dought this is your prob, is there a ck engine lite on? Need codes, push off and warmer on heater controls, and they display on heater assy, write them down, with out looking at it I would say your prob is in the distributor, cam sensor or pick up coil
Was this
answer
helpful?
Yes
No
-1
Monday, January 6th, 2020 AT 3:10 PM (Merged)
Tiny
RICH001
  • MEMBER
  • 2 POSTS
Thanks for your advice. I tried the codes the last time my car wouldn`t start. I got a BCM code 32 and 48. The code 32 is my MAP sensor circuit open. Should I be replacing it instaed of the relay. I found the relay behind the glove compartment.
Was this
answer
helpful?
Yes
No
+2
Monday, January 6th, 2020 AT 3:10 PM (Merged)
Tiny
WOODYCOFF
  • MEMBER
  • 1 POST
  • 1989 CADILLAC DEVILLE
  • 210,000 MILES
Engine turns over but no fuel coming from injectors in throttle body
Was this
answer
helpful?
Yes
No
Monday, January 6th, 2020 AT 3:10 PM (Merged)
Tiny
FIXITMR
  • MECHANIC
  • 9,990 POSTS
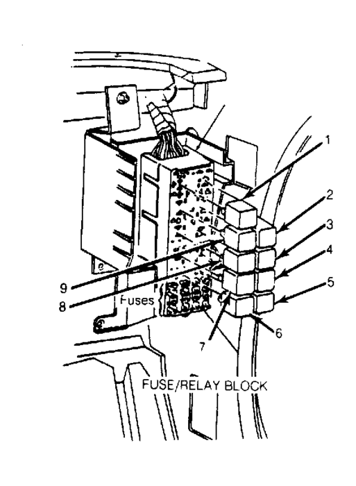
Did you look for it underhood in a fusebox or on a bracket? Here's a pic from book. #3 is the pump relay.
Was this
answer
helpful?
Yes
No
+1
Monday, January 6th, 2020 AT 3:10 PM (Merged)
Tiny
FIXITMR
  • MECHANIC
  • 9,990 POSTS
Looks to be under dash pass side interior.
Was this
answer
helpful?
Yes
No
+7
Monday, January 6th, 2020 AT 3:10 PM (Merged)
Tiny
POPROCKS6301
  • MEMBER
  • 13 POSTS
  • 1983 CADILLAC DEVILLE
  • 8,000 MILES
I need to find out what the fuel pump relay looks like. I found all of the relays under the dashboard and I don't know how to tell which ones which. I have got a 4.1 L V8 Cadillac Coupe Deville 1983 model. Its got digital fuel injection if that makes a difference. Thanks for your time.
Was this
answer
helpful?
Yes
No
Monday, January 6th, 2020 AT 3:10 PM (Merged)
Tiny
ASEMASTER6371
  • MECHANIC
  • 52,796 POSTS
It is on the rely center under the dash as you were describing.

Why are you looking for this? What is the issue?

Roy
Was this
answer
helpful?
Yes
No
-1
Monday, January 6th, 2020 AT 3:10 PM (Merged)
Tiny
POPROCKS6301
  • MEMBER
  • 13 POSTS
I am looking for the fuel pump relay because there is a problem with fuel getting to the engine. The gas tank is not pumping gas at all. I am hoping that it is not the fuel pump. But I am trying to go with the cheapest things first. The reason I need to find the fuel pump relay is because I need to check it and see if it is plugged in or if there even is one.
Was this
answer
helpful?
Yes
No
+2
Monday, January 6th, 2020 AT 3:10 PM (Merged)
Tiny
POPROCKS6301
  • MEMBER
  • 13 POSTS
I am trying to find out and see if there is something electrical going on that could be stopping the car fuel pump from pumping
Was this
answer
helpful?
Yes
No
+3
Monday, January 6th, 2020 AT 3:10 PM (Merged)
Tiny
JACOBANDNICKOLAS
  • MECHANIC
  • 110,194 POSTS
Did you check under the hood in the relay block?
Was this
answer
helpful?
Yes
No
+2
Monday, January 6th, 2020 AT 3:10 PM (Merged)
Tiny
POPROCKS6301
  • MEMBER
  • 13 POSTS
Could not find a relay block under the hood.
Was this
answer
helpful?
Yes
No
+2
Monday, January 6th, 2020 AT 3:10 PM (Merged)
Tiny
POPROCKS6301
  • MEMBER
  • 13 POSTS
On the car the relay block is on the fuzebox
the relay block is under the dash
Was this
answer
helpful?
Yes
No
Monday, January 6th, 2020 AT 3:10 PM (Merged)

Please login or register to post a reply.