Thursday, February 5th, 2009 AT 8:34 PM
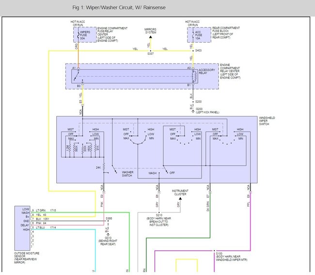
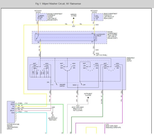
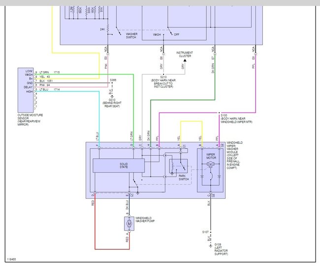
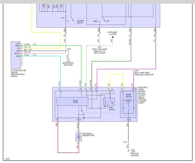
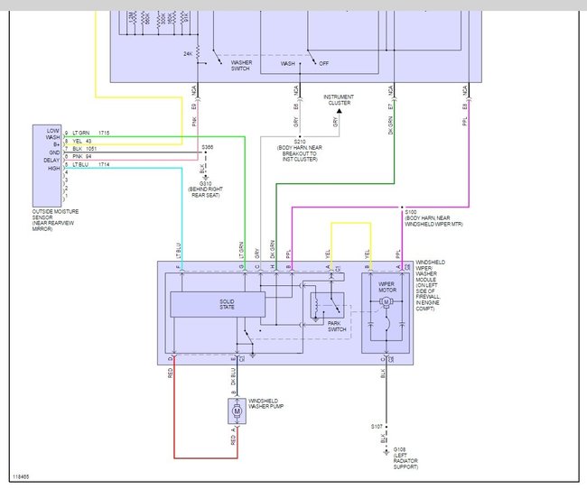
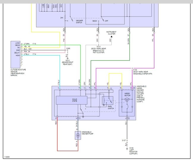
Is there a wiper motor relay on a 99 Cadillac Deville? I have replaced the motor and the circuit board and it still will not work. I have also replaced the fuse under the hood.



