Where is Neutral Safety Switch?

1990 CADILLAC DEVILLE
Avatar
RODGERDODGER
  • MEMBER
  • 1 POST
Where is the Neutral Safety Switch located and how do I test to see if it's working?
Feb 3, 2009 at 2:36 PM
Advertisement
Avatar
KASEKENNY
  • CAR REPAIR CONTRIBUTOR
  • 18,907 POSTS
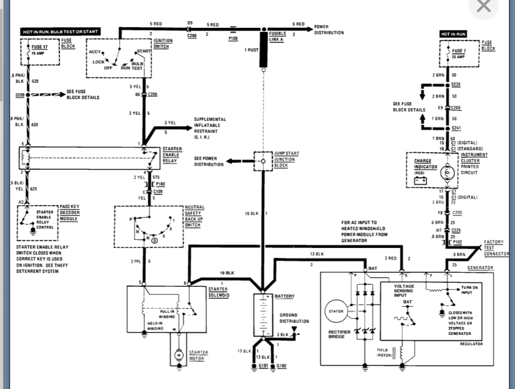
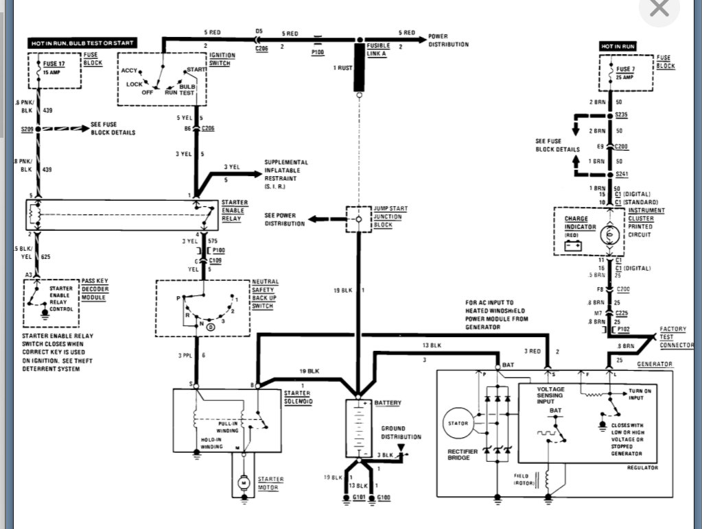
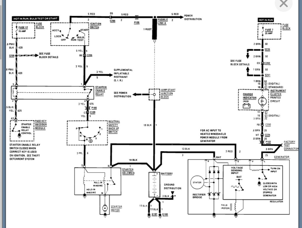
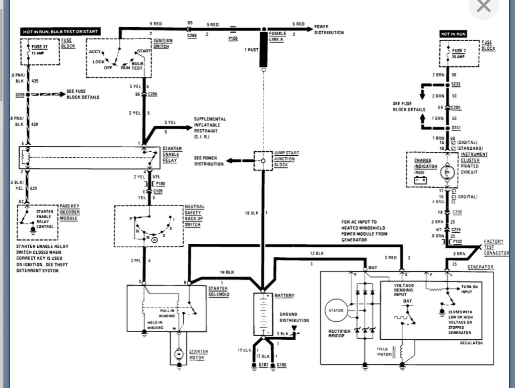
This is located on top of the transaxle, and I have attached location views below.

However, the easiest way to test this is to go to the starter and check voltage on the trigger wire.

If there is no voltage when cranking the engine, then go to the starter relay and jump the relay. If the engine still does not crank, then the switch has failed.

https://www.2carpros.com/articles/how-to-check-wiring

The info on how to complete this is attached below. Please run through this info and let us know what questions you have.

I also attached the process on how to adjust it in case you need to do this as well.

Thanks
Jan 28, 2022 at 6:05 PM
Advertisement
Repair Safety Notice: This information is for general instructional purposes only. Vehicle repair can be dangerous. Verify all information, follow manufacturer service procedures, use proper tools and safety equipment, and consult a qualified repair shop when needed.