Brand new alternator, battery light stays on

Tiny
KRAZY4KARZ
  • MEMBER
  • 1986 CADILLAC DEVILLE
The charge battery light stays on after car has been started.
Monday, July 27th, 2009 AT 1:19 AM

1 Reply

Tiny
SQM
  • MECHANIC
  • 6,383 POSTS
Hello,

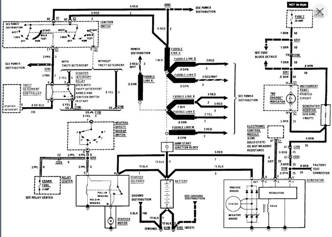
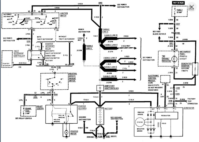
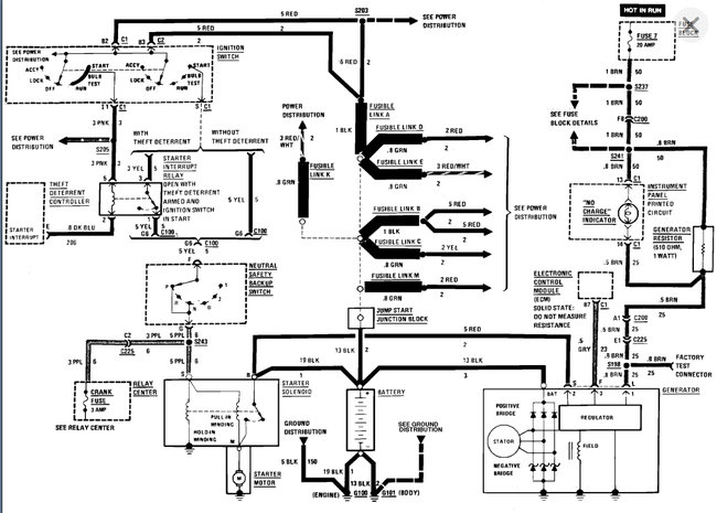
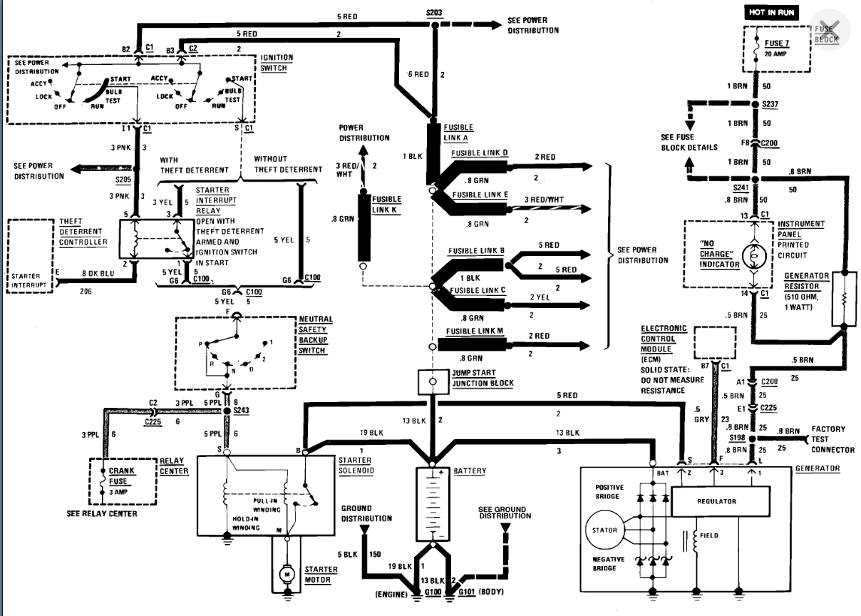
This could be a wiring issue or a blown fuse.
Check the fuse number 7 in the fuse box that is located on the left side of the dash.

https://www.2carpros.com/articles/how-to-check-a-car-fuse

If the fuse is good, then it is likely a wiring issue.
I have attached the troubleshooting guide and the wiring schematics below.

Please let me know of any questions.
Thank you.
Was this
answer
helpful?
Yes
No
Thursday, November 18th, 2021 AT 9:50 AM

Please login or register to post a reply.