How to repair code C0161 issue?

Tiny
LAVELL11
  • MEMBER
  • 2008 PONTIAC GRAND PRIX
  • 5.3L
  • V8
  • 2WD
  • AUTOMATIC
  • 130 MILES
Hello, after Saint Louis got hit with this hard rain my car pops this code up immediately. I want to know what's behind this code and a fix my brake lights stay due to this code. Any tips will help.
Thursday, July 28th, 2022 AT 1:40 PM

18 Replies

Tiny
AL514
  • MECHANIC
  • 5,562 POSTS
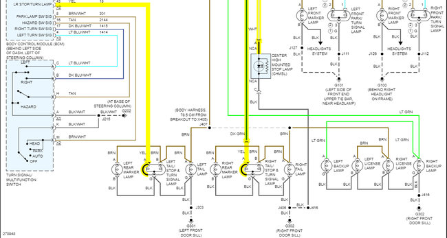
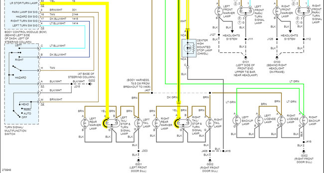
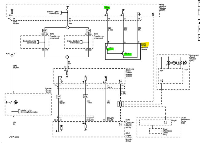
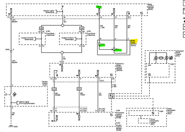
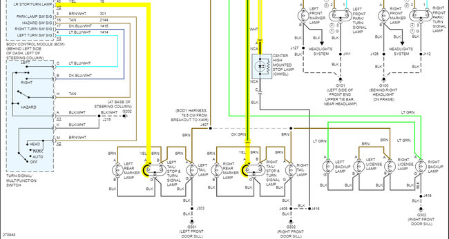
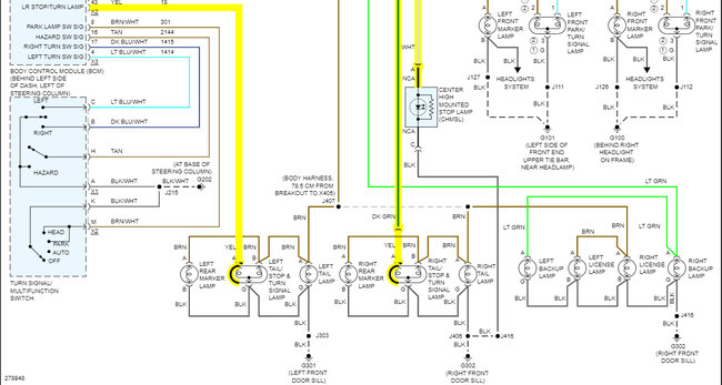
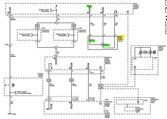
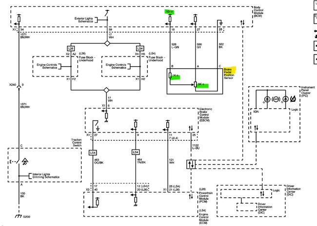
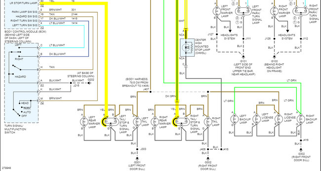
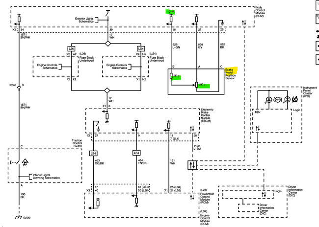
Hello, it sounds like you have a bad Brake Pedal Sensor, I will post the wiring diagrams and explain simple testing below. If you use a basic multimeter, you can check the Brake Pedal Sensor. If you unplug it and turn the key just On. You can check it. The grey wire to the black wire should read 10 volts across them. To check it plugged in you will need to back probe the pins on the Brake Pedal sensor.
If you replace the Brake Pedal sensor it will need to be calibrated with a scan tool so the Body Control Module can learn the pedal's home position value.

https://www.2carpros.com/articles/how-to-use-a-voltmeter
Was this
answer
helpful?
Yes
No
Thursday, July 28th, 2022 AT 1:53 PM
Tiny
LAVELL11
  • MEMBER
  • 90 POSTS
Okay, thanks, I will look over this info.
Was this
answer
helpful?
Yes
No
Thursday, July 28th, 2022 AT 1:55 PM
Tiny
LAVELL11
  • MEMBER
  • 90 POSTS
Is there another way to calibrate? I don't have a top-of-the-line scan tool, I have an Actron CP9589A. Changing the part was easy, just need to see if there are other ways.
Was this
answer
helpful?
Yes
No
Thursday, July 28th, 2022 AT 2:17 PM
Tiny
AL514
  • MECHANIC
  • 5,562 POSTS
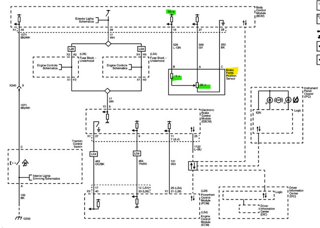
You can try this, but I don't know if it will work. I will keep looking around and see if there is a way to do it, But I would also inspect the wiring at the sensor, because of where it is located. Make sure there aren't any wires down there that are shorted together. The sensor has three wires, the 10volt Reference (feed), the Ground and the Signal to the Body Control Module. If the feed gets shorted to the signal wire, it will do the same thing you are seeing now. The circuits for these and many other sensors are monitored inside control modules. Even if a 12-volt source happened to get shorted to the signal wire, it would cause the same effect. Most circuits are internally protected by resistors are well, because the engineers know that sensors short out, so on newer vehicles (and I know this isn't super new) but it has enough new technology that there is a lot of circuit protection going on. If you unplug the sensor and turn the key On, engine off, and you are reading 10 to 12 volts on the Signal wire then you know there might be a short to power somewhere. This sensor is not a switch, so plugged in on the signal wire you can press the Brake Pedal slowly and the voltage should go from 0 to 10 volts as the pedal travel increases. But right now, the Signal wire must be reading 10 volts or higher for the Brakes lights to be on, the BCM is seeing a Signal.
If you unplug the sensor and your Brake lights go out, then you can be a little more sure it's the sensor that it shorted out, and after just looking at a different wiring diagram, the OEM factory diagram, I want you to unplug the sensor and see if the Brake lights go out. The other diagram didn't show that there are 2 resistors in this sensor. A 1K resistor on the 10v feed and a 3K on the Signal wire. I also posted more information on this code (pages 3 and 4). It appears the Body Control Module monitors the actual brake line pressure through the brake master cylinder and if it sees pressure but no Brake Pedal signal and or probably the opposite, no pressure but a Brake Pedal Signal it will set this code, disabling traction control and ABS. So, this isn't just for the Brake lights, it much more complicated. Thats why calibration is needed, you can still try the idea in diagram 1 below, but this might need to go to a shop so they can put a scan tool on it really quick. Are your ABS and Traction control warning lights on the dash?
Was this
answer
helpful?
Yes
No
Thursday, July 28th, 2022 AT 3:01 PM
Tiny
LAVELL11
  • MEMBER
  • 90 POSTS
I have TC and ABS on now then it read also apply brake sensor etc.
Was this
answer
helpful?
Yes
No
Thursday, July 28th, 2022 AT 3:25 PM
Tiny
LAVELL11
  • MEMBER
  • 90 POSTS
This code is a nightmare.
Was this
answer
helpful?
Yes
No
Thursday, July 28th, 2022 AT 3:27 PM
Tiny
LAVELL11
  • MEMBER
  • 90 POSTS
It's probably needs a calibration only if I had a full system scan tool.
Was this
answer
helpful?
Yes
No
Thursday, July 28th, 2022 AT 3:28 PM
Tiny
LAMONT TOMPKINS
  • MEMBER
  • 1 POST
Here are my photos:
Was this
answer
helpful?
Yes
No
Thursday, July 28th, 2022 AT 3:46 PM
Tiny
LAVELL11
  • MEMBER
  • 90 POSTS
My dash lights.
Was this
answer
helpful?
Yes
No
Thursday, July 28th, 2022 AT 3:48 PM
Tiny
AL514
  • MECHANIC
  • 5,562 POSTS
Those are all normal warning lights that come on for this code, and yes it does need calibration. I checked everywhere and even asked a few other technicians. It definitely needs to be calibrated. Did you try unplugging it, do your brake lights go off in the rear of the vehicle? If it's just the sensor it's really not that bad. Believe me, with today's cars things can be a whole lot worse. This is easy compared to the difficult diagnostics we have to do sometimes. Just replace the sensor and have a local shop do the procedure on it. It's literally a couple buttons pressed on a scan tool. It will be a special function of the scan tool. In some vehicles you need to reprogram modules to change a light bulb, that's how complex things are getting, everything is on a data network now and almost every circuit in vehicles is monitored now for either current flow or voltage readings. Some circuits even have a bias voltage on them so the ECM can check the circuit itself. Sending out a few volts and making sure it sees it returning on another circuit to verify wiring integrity.
Do you still have braking power? Can you drive it?
Was this
answer
helpful?
Yes
No
Friday, July 29th, 2022 AT 2:05 PM
Tiny
LAVELL11
  • MEMBER
  • 90 POSTS
My turns signal works, but the brake light is stuck on and yes you're right a calibration is needed.
Was this
answer
helpful?
Yes
No
Friday, July 29th, 2022 AT 2:11 PM
Tiny
AL514
  • MECHANIC
  • 5,562 POSTS
I was just wondering so you don't have to tow it to a shop. Did you try the unplug it test?
Was this
answer
helpful?
Yes
No
Friday, July 29th, 2022 AT 2:21 PM
Tiny
LAVELL11
  • MEMBER
  • 90 POSTS
Working on that now, let you know.
Was this
answer
helpful?
Yes
No
Friday, July 29th, 2022 AT 2:22 PM
Tiny
LAVELL11
  • MEMBER
  • 90 POSTS
I just unplug the switch with my car running and yes, my brake lights stay on nothing changed it probably does need calibrate to work properly.
Was this
answer
helpful?
Yes
No
Friday, July 29th, 2022 AT 2:53 PM
Tiny
LAVELL11
  • MEMBER
  • 90 POSTS
So, I was wondering if a buy a Foxwell nt726 all system scanner will it calibrate my sensor?
Was this
answer
helpful?
Yes
No
Friday, July 29th, 2022 AT 3:16 PM
Tiny
AL514
  • MECHANIC
  • 5,562 POSTS
You would have to look under the specs for the scan tool and see if it has that special function. I know what scan tool you mean; I think they run about $500.00, but if you're going to spend $500.00 on a scan too. Get an Autel. They have a huge selection and some under that amount. But I was expecting the Brake lights to go out, if you turn the key off and back on do the lights still stay on? Because it's not the Brake Pedal Sensor that actually controls the brake lights, the sensor is only an input to the Body Control Module (BCM). The BCM is the module that actually activates the brake lights, it also sends a Brake/Stop Lamp signal to the ABS (EBCM), the Transmission Control module and the ECM. Were you able to check the Brake Pedal sensor wiring for any other voltage readings? Other than the 10volt feed to it, because if the signal wire going to the BCM is shorted to Ground or to a 12-volt power source, this may not be a fault in the Brake Pedal sensor. If there's a wiring issue, replacing the sensor won't fix the issue. I would unplug the sensor and with the key on engine off, check that there isn't more than one 10volt feed on the 3 wires of the sensor. This is a circuit code, I assume you have already replaced the sensor, you can take it to a shop, and have it calibrated and see if that resolves the issue, but it might not. The BCM might be seeing voltage coming from somewhere else on that signal wire, and that's why it didn't disable to the ABS and Traction control right away. Since the sensor is new, it needs to be calibrated now anyway.
Was this
answer
helpful?
Yes
No
Friday, July 29th, 2022 AT 4:35 PM
Tiny
LAVELL11
  • MEMBER
  • 90 POSTS
I'm looking into an Autel scanner now. It's not too pricey but can relearn my sensor.
Was this
answer
helpful?
Yes
No
Friday, July 29th, 2022 AT 4:40 PM
Tiny
LAVELL11
  • MEMBER
  • 90 POSTS
I just ordered this scanner and I know it will solve my problem.
Was this
answer
helpful?
Yes
No
Friday, July 29th, 2022 AT 4:58 PM

Please login or register to post a reply.