Bypass starter relay, can I install a toggle switch and start my car without having to open the hood every time?

Tiny
DNA2224
  • MEMBER
  • 2014 CHEVROLET IMPALA
  • 3.8L
  • V6
  • 2WD
  • AUTOMATIC
  • 159,000 MILES
Hi, so I have to start my car by using a wire where the starter relay goes. Can I use a toggle switch and Start my car without having to open the hood every time? If so, how do I do this?
Thursday, January 25th, 2024 AT 9:30 AM

11 Replies

Tiny
AL514
  • MECHANIC
  • 5,584 POSTS
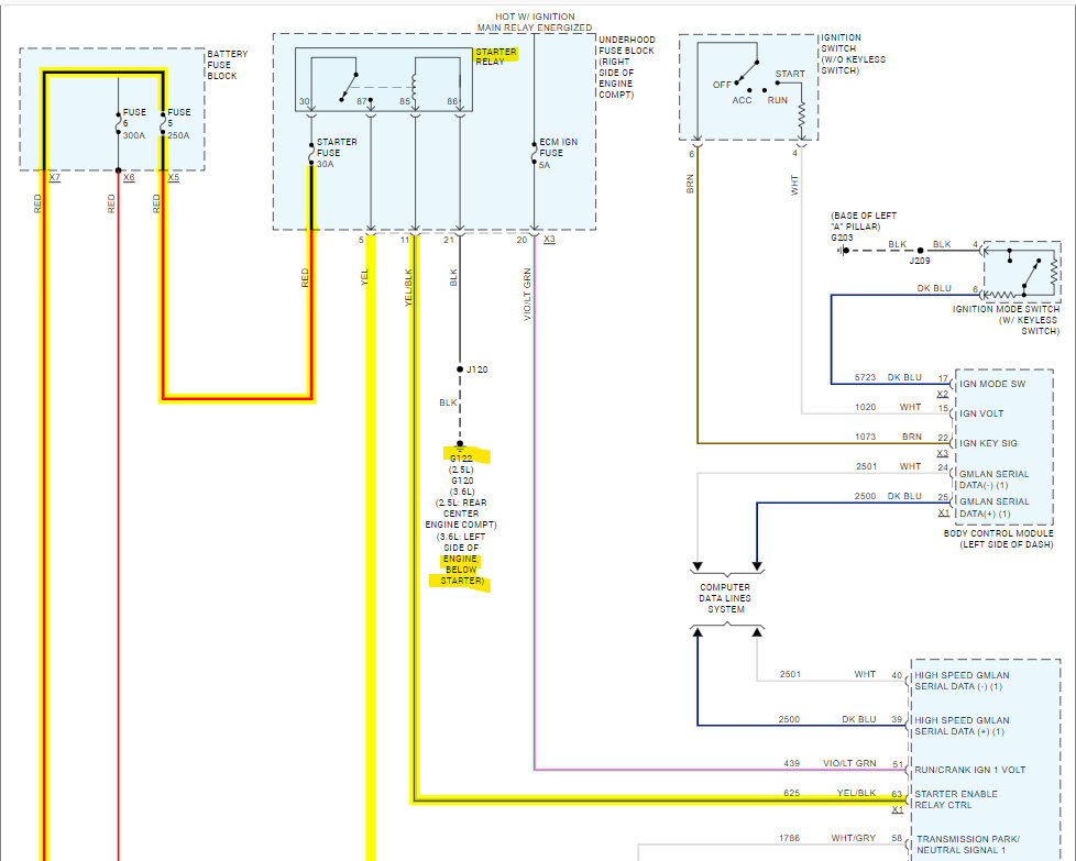
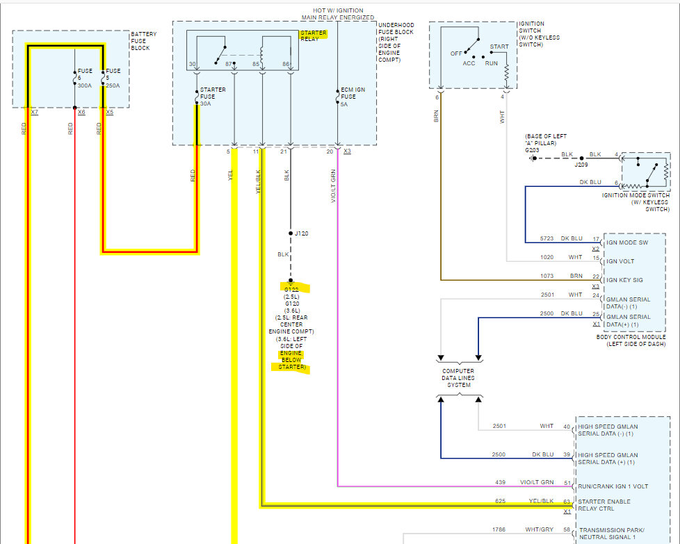
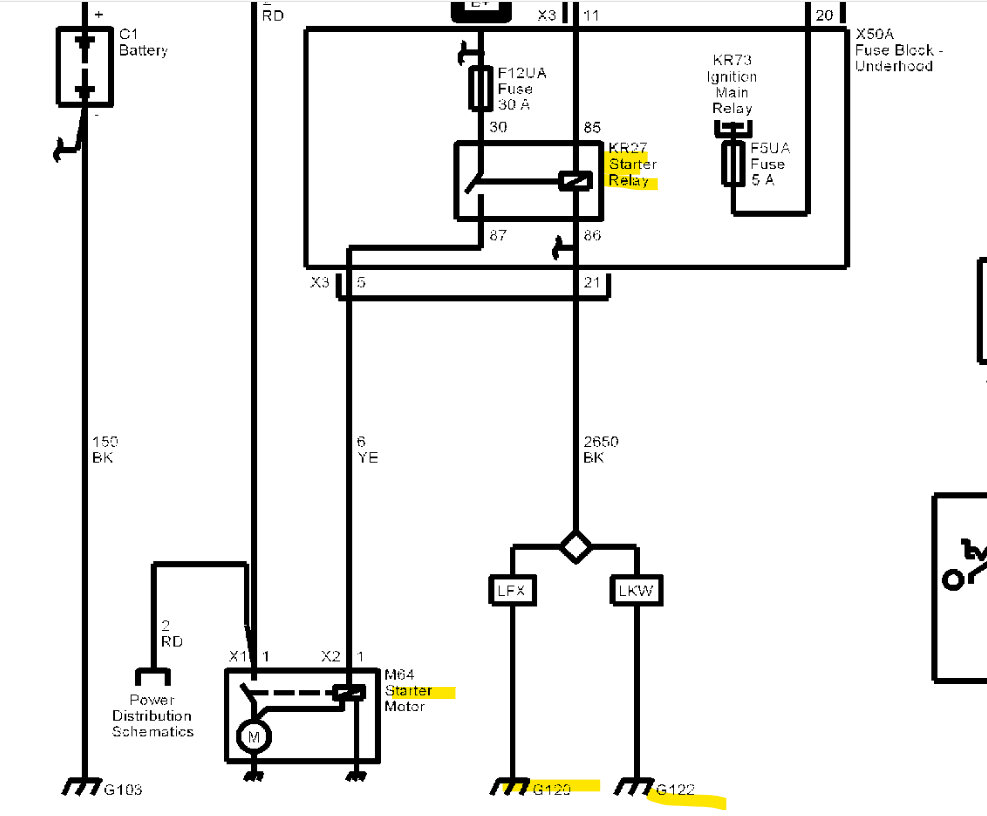
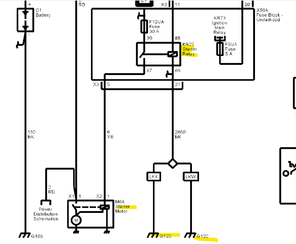
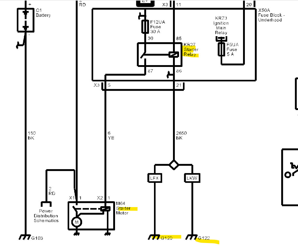
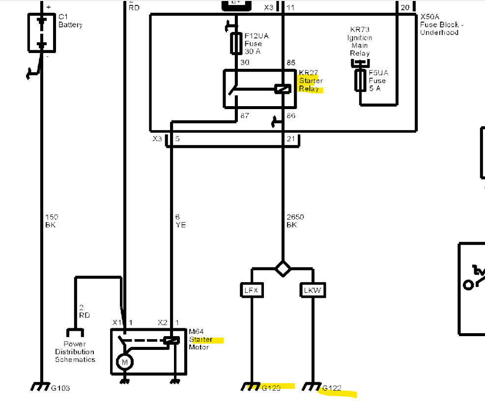
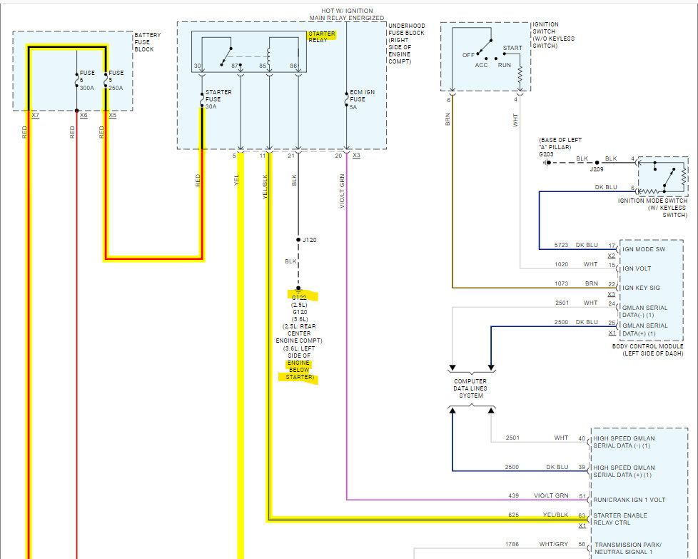
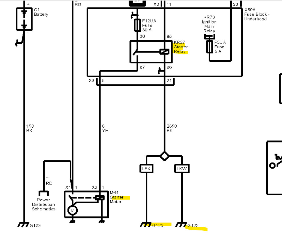
Hello, have you checked to see what the relay is missing on the control side? Since it is a power side switched relay, power comes from the engine computer and the relay has a constant ground. So, if you have power on 2 of the 4 pins, then you're just missing the relays ground.
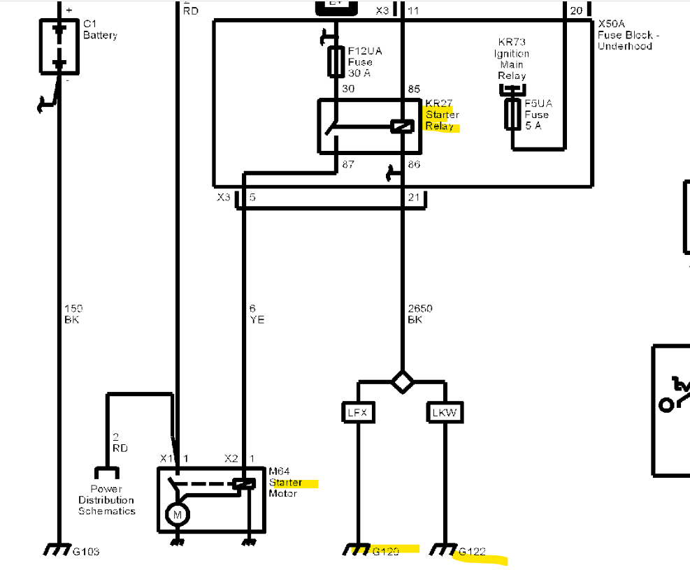
In the 2nd diagram #1 is G120 not #2.
It's near the Starter motor and oil filter.
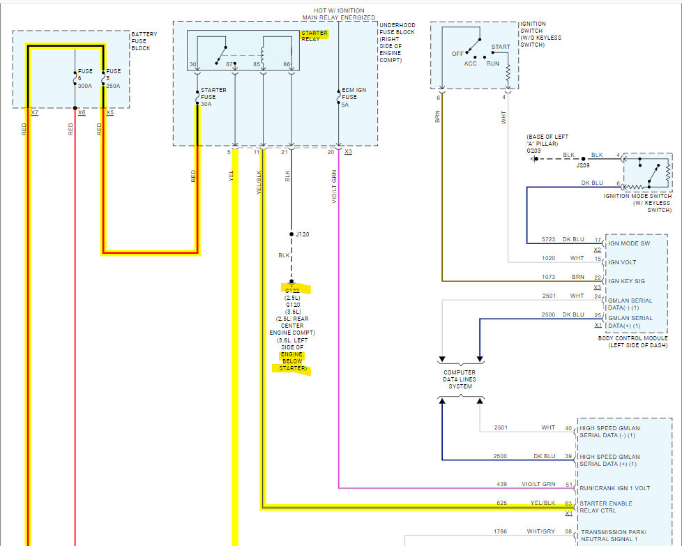
Another possible location is G122 (diagram 3) on the back of the engine, on the top corner of the back cylinder head. OEM diagram 4 shows 2 possible locations for the Starter relay ground.
It is best to repair the issue, not running a toggle switch to the starter relay, which can cause problems.

https://www.2carpros.com/articles/how-to-check-an-electrical-relay-and-wiring-control-circuit
Was this
answer
helpful?
Yes
No
Thursday, January 25th, 2024 AT 11:24 AM
Tiny
DNA2224
  • MEMBER
  • 7 POSTS
Thank you for responding. So, I lost my keys, and I was having a very hard time finding somebody to make a key because my car was made in Canada. I had to wait several days before I found somebody who knew eeprom. I got impatient and I made the stupid decision to try to hot wire my car and I touched 2 wires together and since then I couldn't start my car anymore besides with a jumper wire. So, I've been starting it like this for like 3 months now because mechanics have given me crazy quotes just to find out what's causing it. So obviously I don't know much about cars, and I don't have anybody to help me.
Was this
answer
helpful?
Yes
No
Thursday, January 25th, 2024 AT 1:35 PM
Tiny
DNA2224
  • MEMBER
  • 7 POSTS
So, will it cause problems if I keep starting it by bypassing the relay with a jumper wire?
Was this
answer
helpful?
Yes
No
Thursday, January 25th, 2024 AT 1:39 PM
Tiny
AL514
  • MECHANIC
  • 5,584 POSTS
Which 2 wires did you jump out at the beginning of all this after you lost the keys, was it 2 of the 4 wires at the starter relay, or did you jump something else? It's never a good idea to jump relay pins out unless you know exactly what you're doing, even then we use special tools that are put in place of a relay so that no power is shorted to the ECM/PCM control wire by accident. If you can explain which wires or location you jumped, we may be able to tell you what happened. It sounds like power was sent down a wire it shouldn't have been, so there could be a blow fuse, or possible damage to the computer.
Was this
answer
helpful?
Yes
No
Friday, January 26th, 2024 AT 10:43 AM
Tiny
DNA2224
  • MEMBER
  • 7 POSTS
Yes, it was 2 of the 4 pins. I don't really remember which ones, but I will look and try to find the YouTube video that I watched.
Was this
answer
helpful?
Yes
No
Friday, January 26th, 2024 AT 10:49 AM
Tiny
DNA2224
  • MEMBER
  • 7 POSTS
I was wrong, it was not 2 or the 4 pins. I used a wire and touched the pin at the top left-hand side to the battery.
Was this
answer
helpful?
Yes
No
Friday, January 26th, 2024 AT 10:54 AM
Tiny
AL514
  • MECHANIC
  • 5,584 POSTS
But it was one of the Starter Relay pins you put battery power to?
Was this
answer
helpful?
Yes
No
Friday, January 26th, 2024 AT 10:58 AM
Tiny
AL514
  • MECHANIC
  • 5,584 POSTS
This is the Fuse/Relay panel in the engine compartment.
Here is a pinout of that panel, number 2 should be the starter relay, I would go through and test all the fuses with a test light if possible.

https://www.2carpros.com/articles/how-to-check-a-car-fuse

https://www.2carpros.com/articles/how-to-use-a-test-light-circuit-tester
Was this
answer
helpful?
Yes
No
Friday, January 26th, 2024 AT 11:01 AM
Tiny
DNA2224
  • MEMBER
  • 7 POSTS
Yes, it was definitely the start of use relay that I put the wire to and touched the battery. I would send you the video I watched if I could.
Was this
answer
helpful?
Yes
No
Saturday, January 27th, 2024 AT 5:42 AM
Tiny
DNA2224
  • MEMBER
  • 7 POSTS
Okay, I have a test light I will do this on my lunch break today. Thank you so much for helping me.
Was this
answer
helpful?
Yes
No
Saturday, January 27th, 2024 AT 5:43 AM
Tiny
AL514
  • MECHANIC
  • 5,584 POSTS
Okay, let us know what you find.
Was this
answer
helpful?
Yes
No
Saturday, January 27th, 2024 AT 4:37 PM

Please login or register to post a reply.