Saturday, November 9th, 2019 AT 3:04 AM
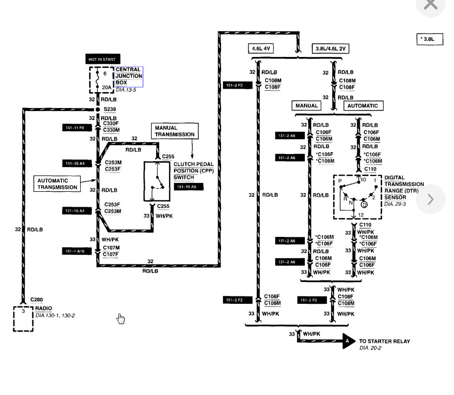
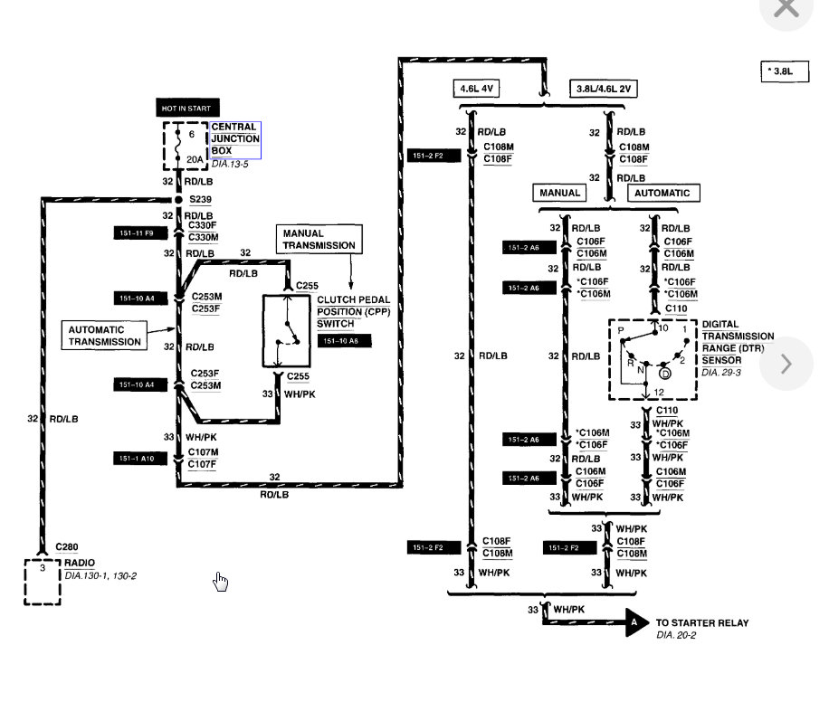
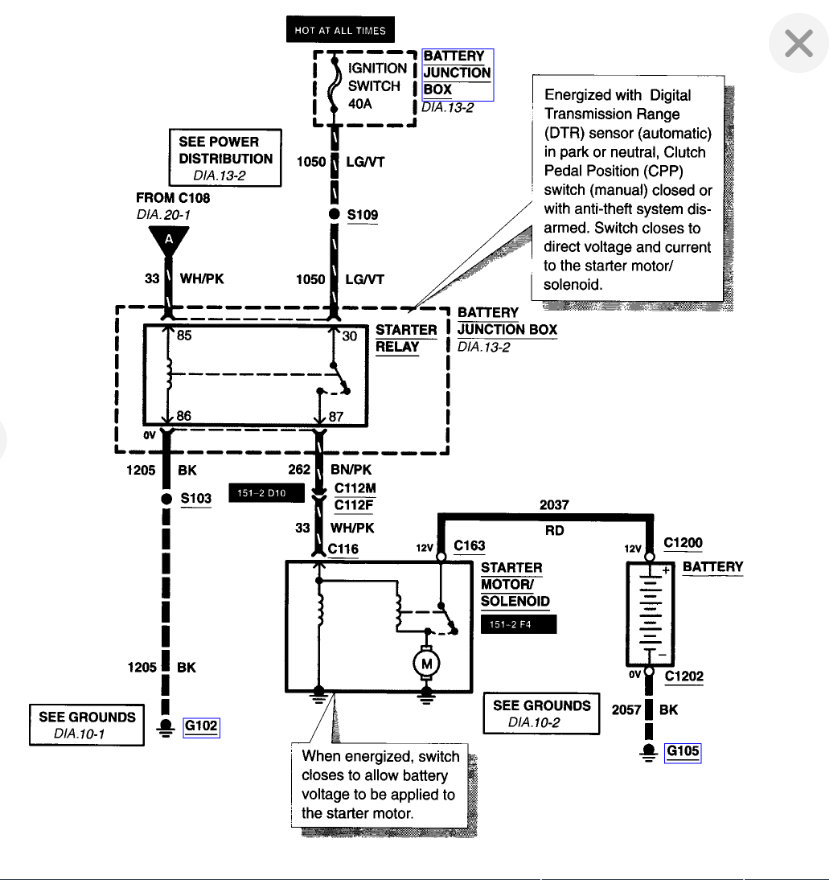
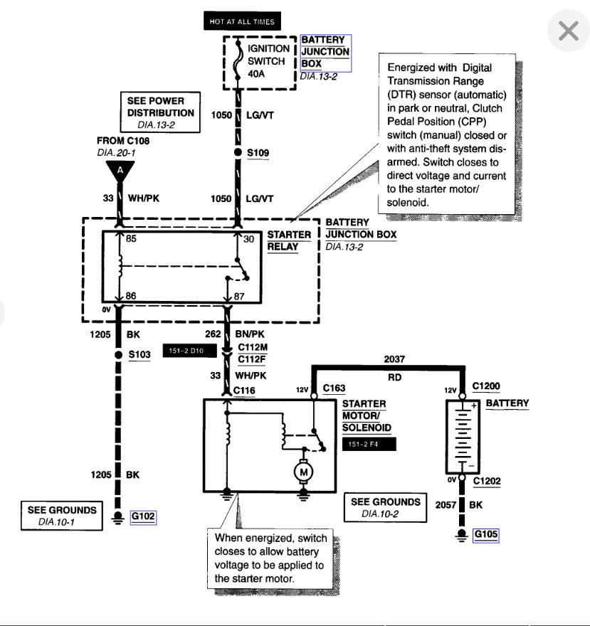
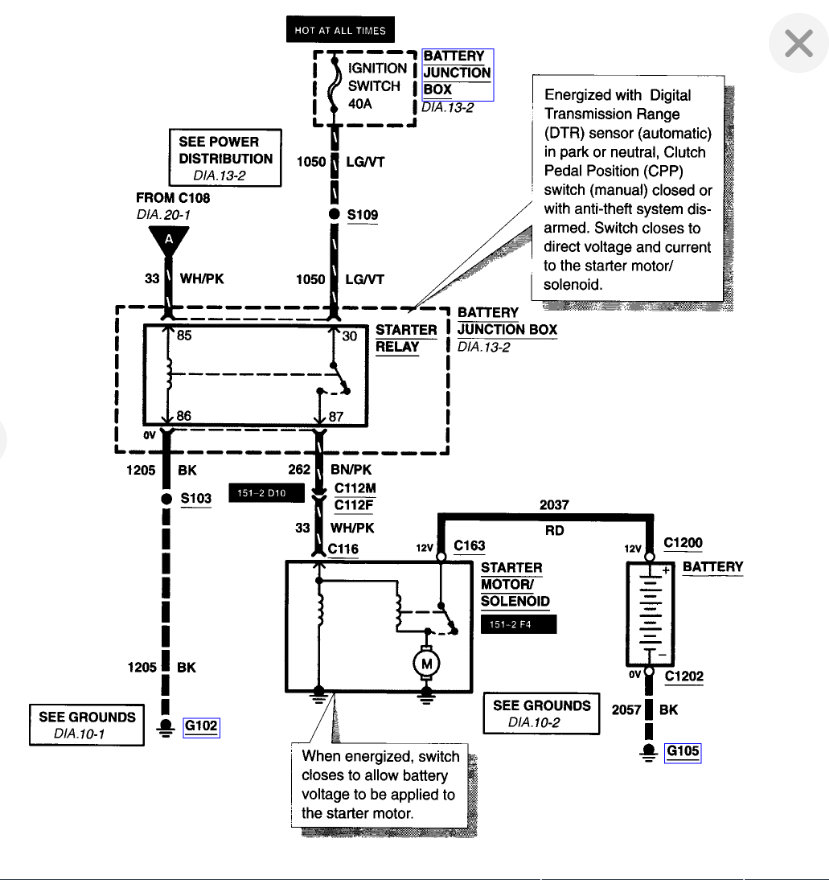
Anti-theft light flashing on the cluster panel. Gone through all the way right motions when turning the key to the on, all gauges register anti-theft light stops flashing engine won't turn over at all. All fuses relays and cables have been checked batteries fully charged I replaced the and solenoid.








