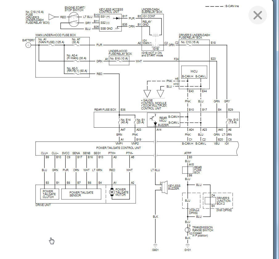
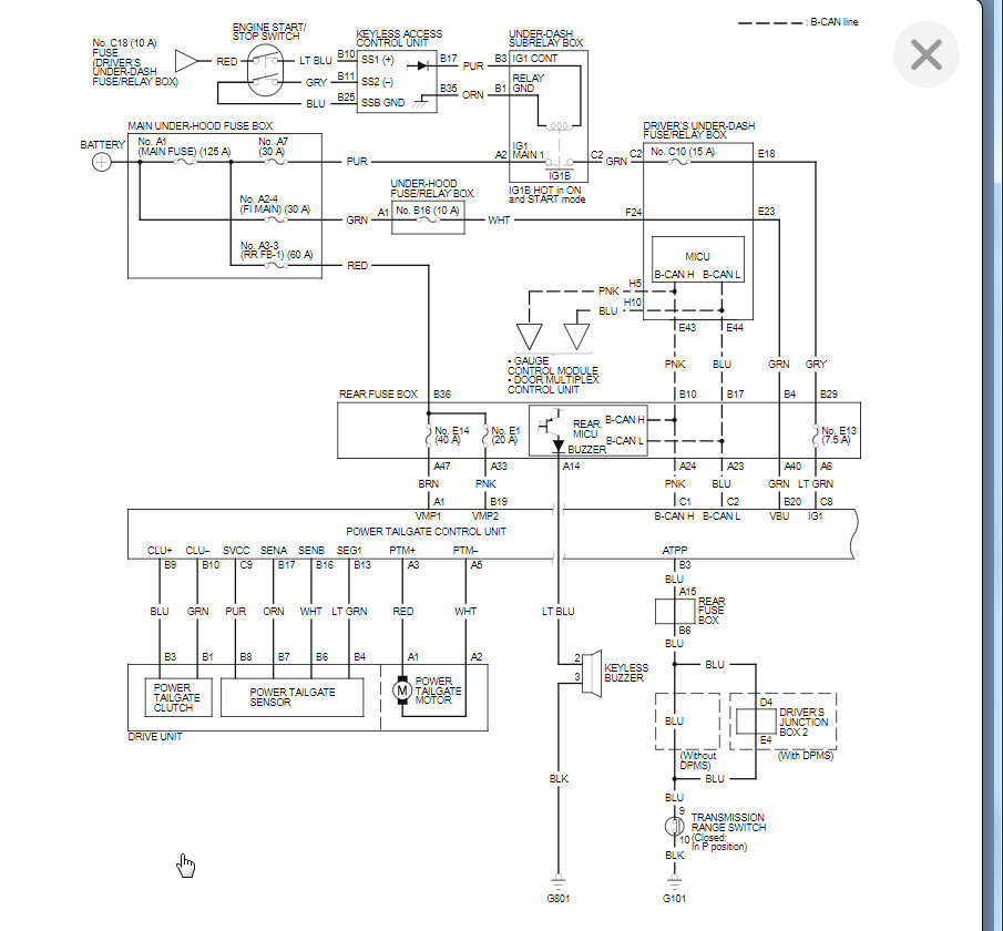
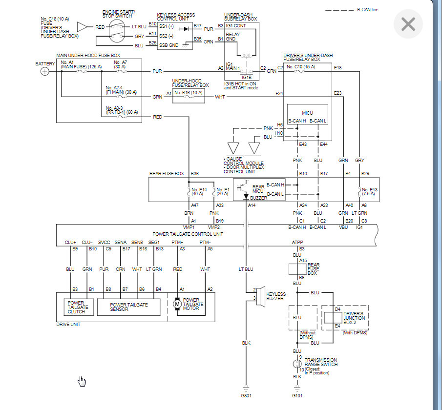
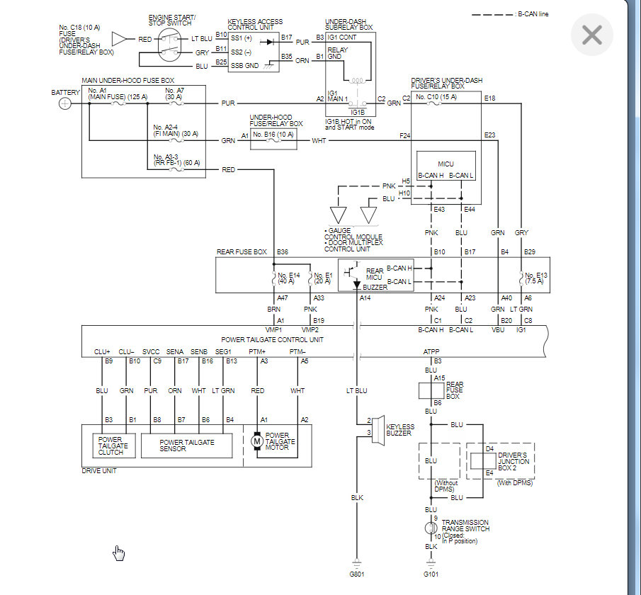
The rear hatch on my van will not open when I press the button on the dash or the button on the hatch. It worked okay, then it won't work anymore. Is there something somewhere that would disable it? Is there a fuse for it and where?
I can press the hatch switch and it pops but I have to lift it up and push it down.
Any info is greatly appreciated.
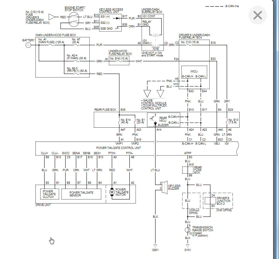
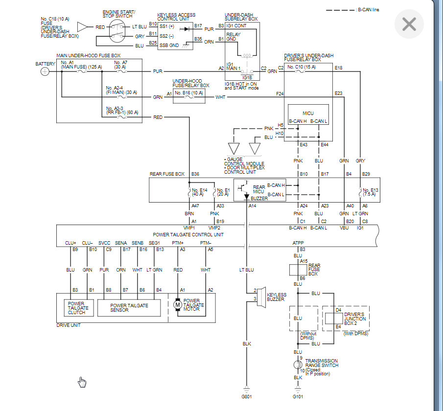
I can press the hatch switch and it pops but I have to lift it up and push it down.
Any info is greatly appreciated.
May 21, 2021 at 8:23 AM


