Blower Motor

Tiny
BW2410
  • MEMBER
  • 2001 BUICK REGAL
6 cyl Two Wheel Drive Automatic

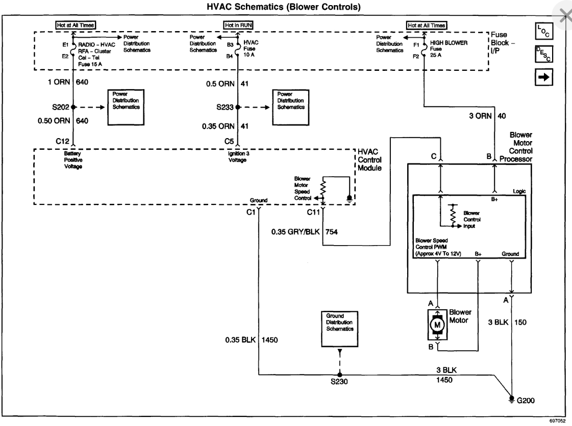
2001 buick regal blower motor works intermittently. Found burnt blower motor resistor. Installed new resistor. Still only works intermittently. I have 4.5 volts at blower motor.
Saturday, June 20th, 2009 AT 9:19 PM

1 Reply

Tiny
SQM
  • MECHANIC
  • 6,383 POSTS
Hello,

It sounds like a wiring issue. You should have 12V at the blower connector.
You could have melted wires in the blower harness. This could also be due to burnt pin at the blower connector.

To figure out the wiring issue will require to trace the blower motor wires and find the possible cause.

Here is a helpful guide on how to check wiring harness:

https://www.2carpros.com/articles/how-to-check-wiring

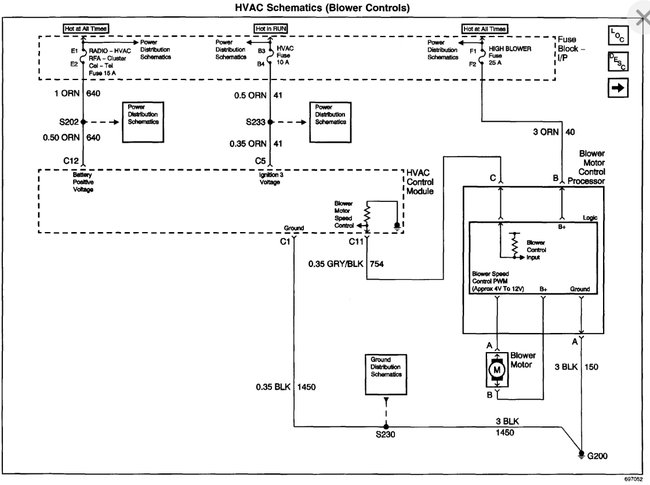
I have attached the wiring schematics for the blower motor below.

Please let me know of any questions.
Thank you.
Was this
answer
helpful?
Yes
No
Monday, November 15th, 2021 AT 3:04 PM

Please login or register to post a reply.