Blows cool air from the two right vents and warm air from the two left vents?

Tiny
JOHNNY D
  • MEMBER
  • 1999 BUICK REGAL
  • 6 CYL
  • FWD
  • AUTOMATIC
  • 110,000 MILES
On my 99 buick regal the air conditioning blows cool air from the two right vents and warm air from the two left vents. I have done some research and almost everything leads to the blend door actuator. My question is first what is your opinion and second could it be the froen and third where can I find a diagram to replace the blend door if this is the problem. Also could it possibly be anything other than the blend door?
Thanks
Johnny
Tuesday, May 27th, 2008 AT 9:24 PM

2 Replies

Tiny
BMRFIXIT
  • MECHANIC
  • 19,053 POSTS
Hello,

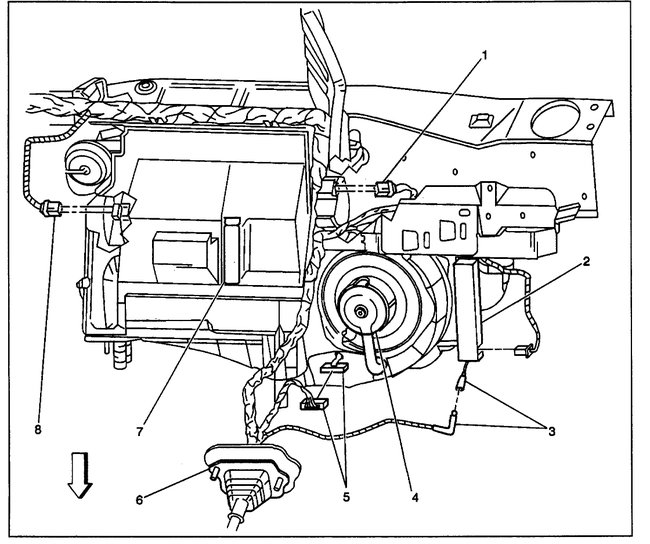
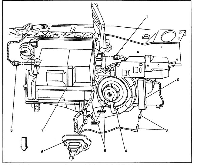
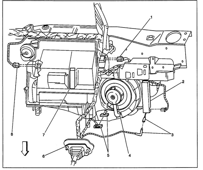
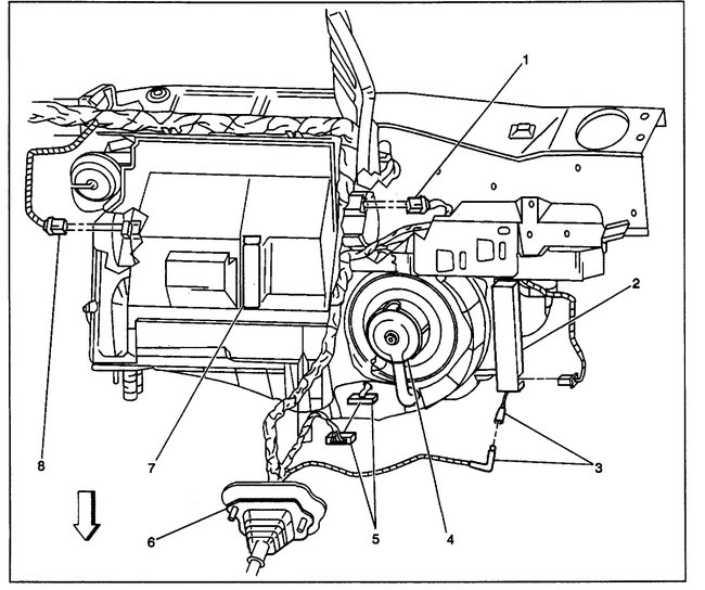
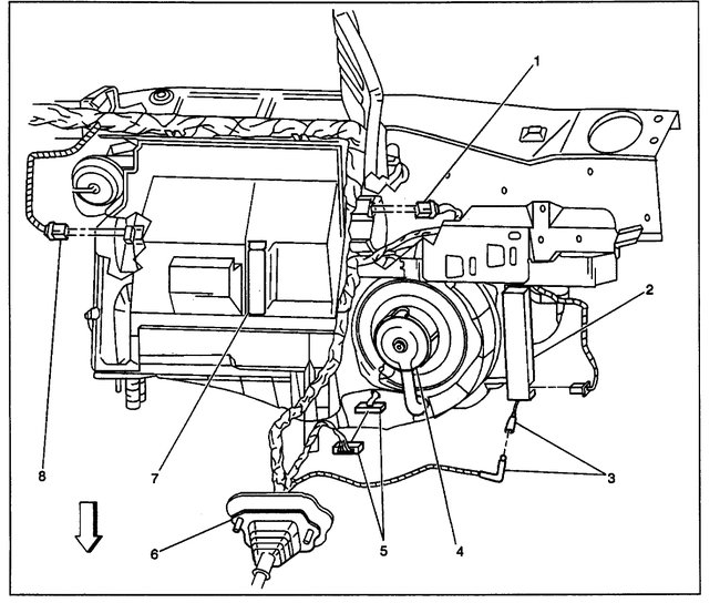
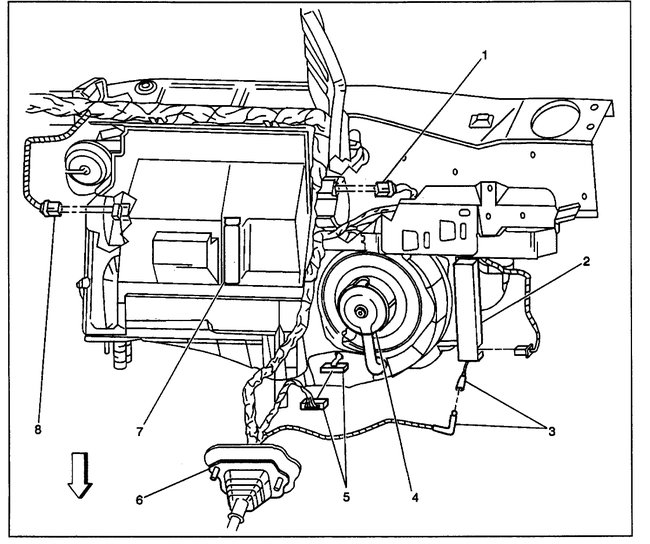
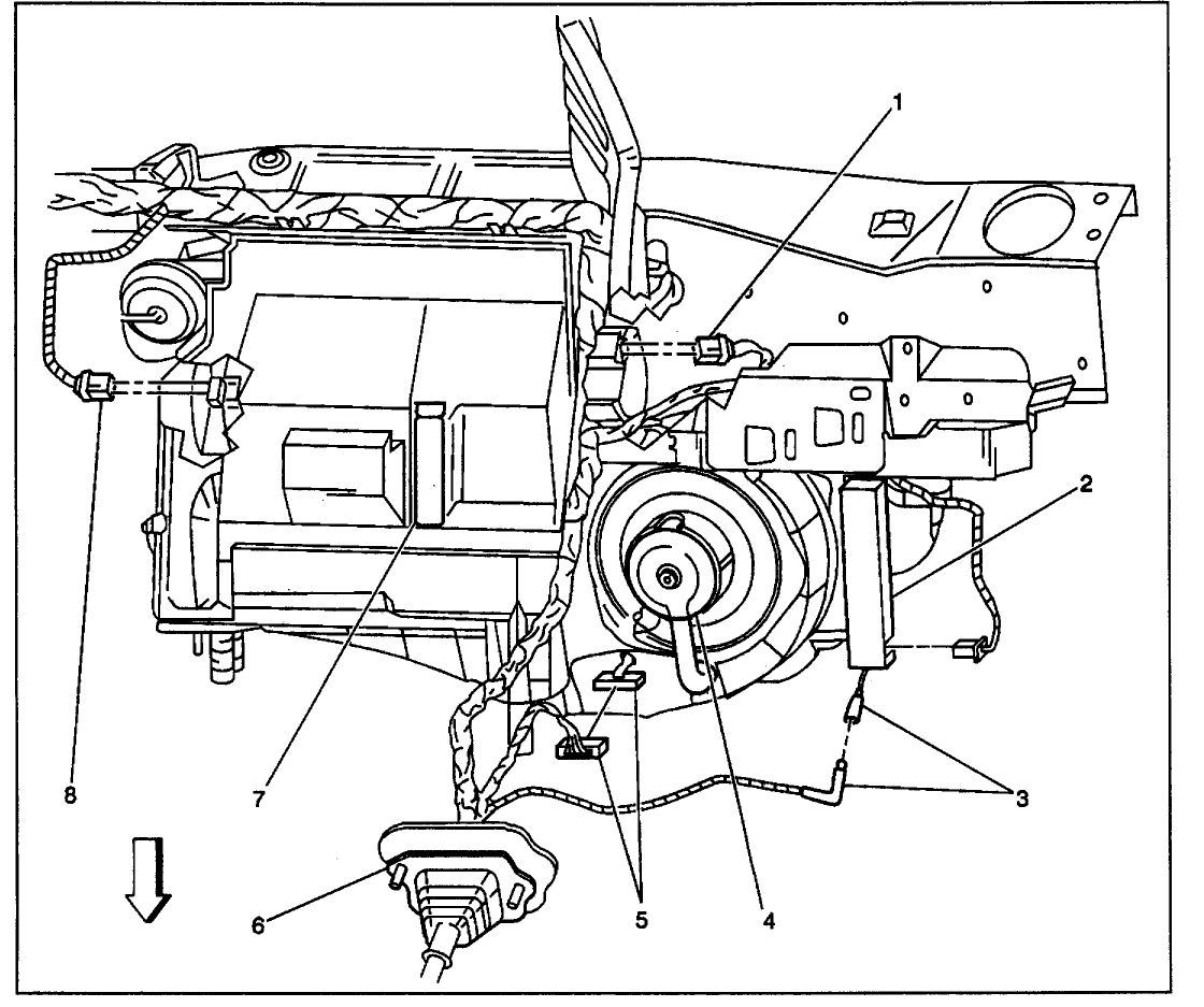
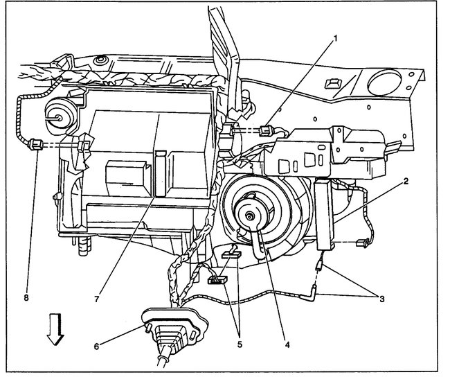
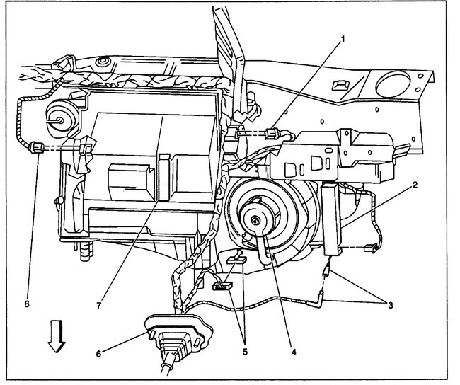
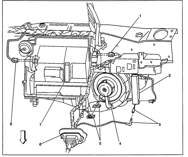
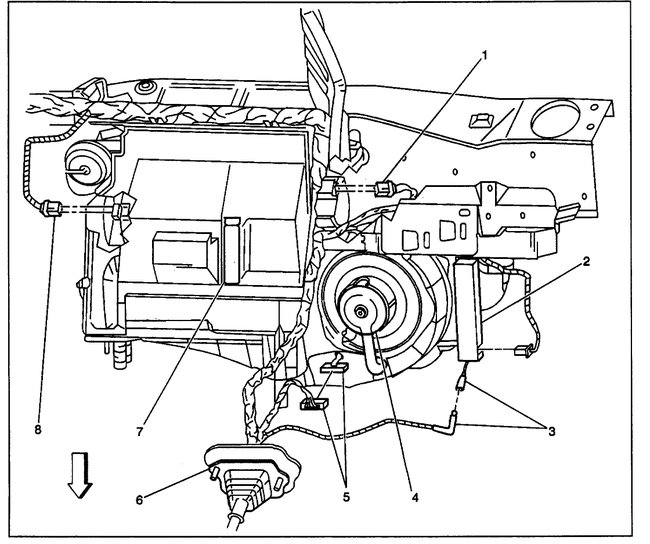
Yes blend door actuators go out all the time. Here is a guide to help you see what you are in for when doing the job and the locations for your car below.

https://www.2carpros.com/articles/replace-blend-door-motor

Check out the diagrams (Below). Please let us know if you need anything else to get the problem fixed.

Cheers
Was this
answer
helpful?
Yes
No
+1
Tuesday, May 27th, 2008 AT 9:40 PM
Tiny
JLARSON69
  • MEMBER
  • 10 POSTS
Thank you so much I love this site all for free God bless you.
Was this
answer
helpful?
Yes
No
-1
Friday, September 10th, 2010 AT 2:01 AM

Please login or register to post a reply.