Thursday, July 3rd, 2008 AT 3:49 AM
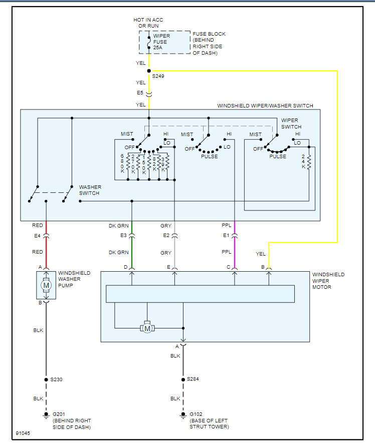
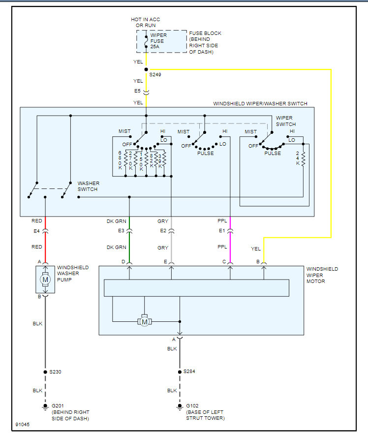
I drove my car yesterday and I had problems with the wipers. I mean they dont work but when I tried to turn it on, the wipers stay in an upright position instead of going down. What is wrong here? I tried to push them back in place but they go back to that upright position once I try to turn the wipers off. I had to drive around with my wipers on the lowest setting so they wouldn't stay up. What can be done about this?








