Coolant Fan Relay Location

Tiny
SAKI26
  • MEMBER
  • 1996 BUICK REGAL
6 cylinder Automatic 170, 00 miles.

I have a 1996 Buick Regal Grand Sport. I am trying to replace the coolant fan relay switch (5 pins) and I just cannot seem to locate where it goes! Any help would be greatly appreciated!
Friday, September 10th, 2010 AT 3:34 PM

3 Replies

Tiny
KEN L
  • MASTER CERTIFIED MECHANIC
  • 55,297 POSTS
Hello,

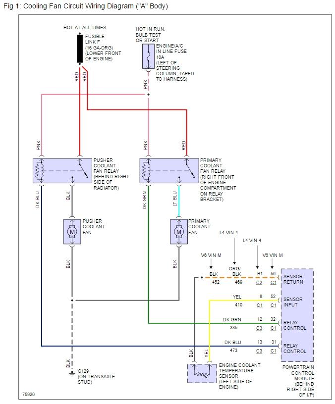
Here is a guide and diagrams to help you find the relay and coolant sensor for the engine which triggers the fans to work.

https://www.2carpros.com/articles/how-to-check-an-electrical-relay-and-wiring-control-circuit

Check out the diagrams (Below)

Please let us know if you need anything else to get the problem fixed.

Cheers, Ken
Was this
answer
helpful?
Yes
No
Monday, April 11th, 2016 AT 2:13 PM
Tiny
SAND6703
  • MEMBER
  • 1 POST
  • 1998 BUICK REGAL
  • V8
  • FWD
  • AUTOMATIC
  • 115,000 MILES
Electrical problem
1998 Buick Regal V8 Front Wheel Drive Automatic 115000 miles

Used the diagnostic machine to check why the check engine light was on it shot out code P1651 which is the Fan 1 control circuit relay. Where is it located and how do I change it?
Was this
answer
helpful?
Yes
No
-1
Sunday, December 31st, 2017 AT 3:25 PM (Merged)
Tiny
BLUELIGHTNIN6
  • MECHANIC
  • 16,542 POSTS
Cooling fan motor relay number 1 isl ocated in the underhood electrical center, pictured below..


https://www.2carpros.com/forum/automotive_pictures/261618_1_45.jpg



Simply pull out relay, much like removing a fuse, then replace with new relay.

Thanks for using 2CarPros.com!
Was this
answer
helpful?
Yes
No
+1
Sunday, December 31st, 2017 AT 3:25 PM (Merged)

Please login or register to post a reply.