Brake lights not working

Tiny
PLR
  • MEMBER
  • 1995 BUICK REGAL
  • 6 CYL
  • 2WD
  • AUTOMATIC
  • 169,000 MILES
Ok, I have a buick regal custom (1995) and I was told my brake lights were out, I replaced the lights themselves and adjusted the brake light switch under the dash, they worked for almost 3 days then went out again I looked at the fuses all were good except for the cig lighter fuse. Lol. Which I replaced.

we checked the continuity on the switch and the switch plugs and the bulbs and the bulb plugs all looks to be ok, but still no brake lights. Can ya help me on this?
thank you.
Friday, August 20th, 2010 AT 6:33 PM

5 Replies

Tiny
RASMATAZ
  • MECHANIC
  • 75,992 POSTS
Test the turn and hazard switch it goes thru there before it hits the lights-3rd brake light coming on? If so check the switch
Was this
answer
helpful?
Yes
No
+1
Friday, August 20th, 2010 AT 6:43 PM
Tiny
PLR
  • MEMBER
  • 2 POSTS
Ok thanks rasmataz I will look into that I hope I will be so simple. Lol. Thanks again for your response, this is my first car I am only 16 and it is in great shape except for the brake light situation so mom wont let me drive it until it is fixed. As we are on a budget I need to learn how to do this stuff myself so any more help would be great.
Thank you,
plr
Was this
answer
helpful?
Yes
No
+1
Friday, August 20th, 2010 AT 6:51 PM
Tiny
RTHEPIRATE
  • MEMBER
  • 1 POST
Did you ever figure out what it was? I have the exact same problem, only when I replaced the switch there was still nothing. I have no idea how to check the continuity, but if you figured something out maybe it could help me out, same car same year. Thanks.
Was this
answer
helpful?
Yes
No
+1
Monday, January 3rd, 2011 AT 6:41 PM
Tiny
KRR711
  • MEMBER
  • 4 POSTS
I am visiting my daughter for Christmas in Florida. She has the 96 Buick Regal, no lower brake lights but has upper. I have no tools whatsoever here except a table knife. Everything else works on the car and bulbs and fuses are good. I saw the brake lights flash on ever so briefly but that was it. The switch under steering column is secure but not sure what I can do to get her safely on the road. Please help!
Was this
answer
helpful?
Yes
No
+3
Tuesday, December 25th, 2018 AT 2:34 PM
Tiny
KEN L
  • MASTER CERTIFIED MECHANIC
  • 55,450 POSTS
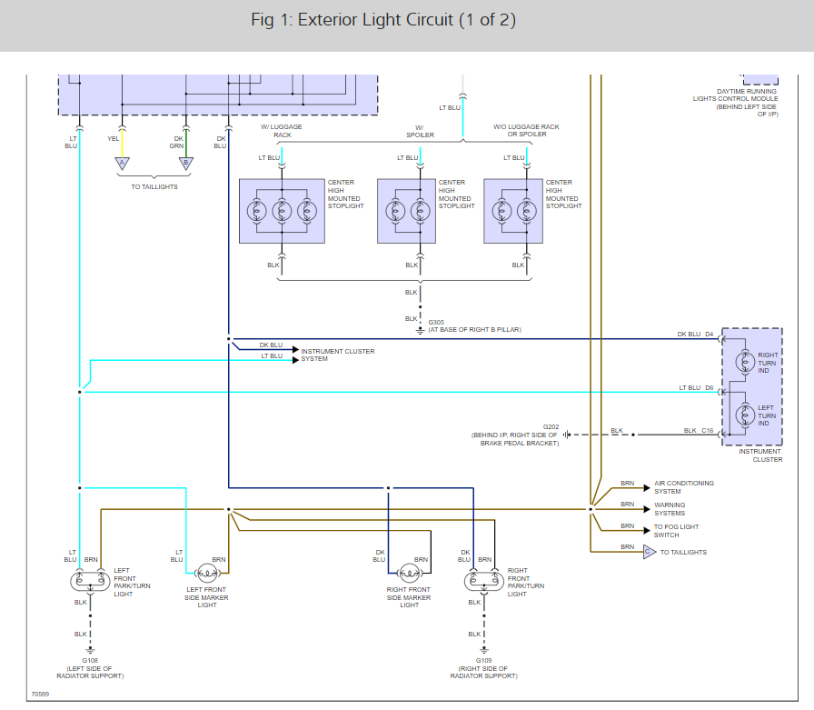
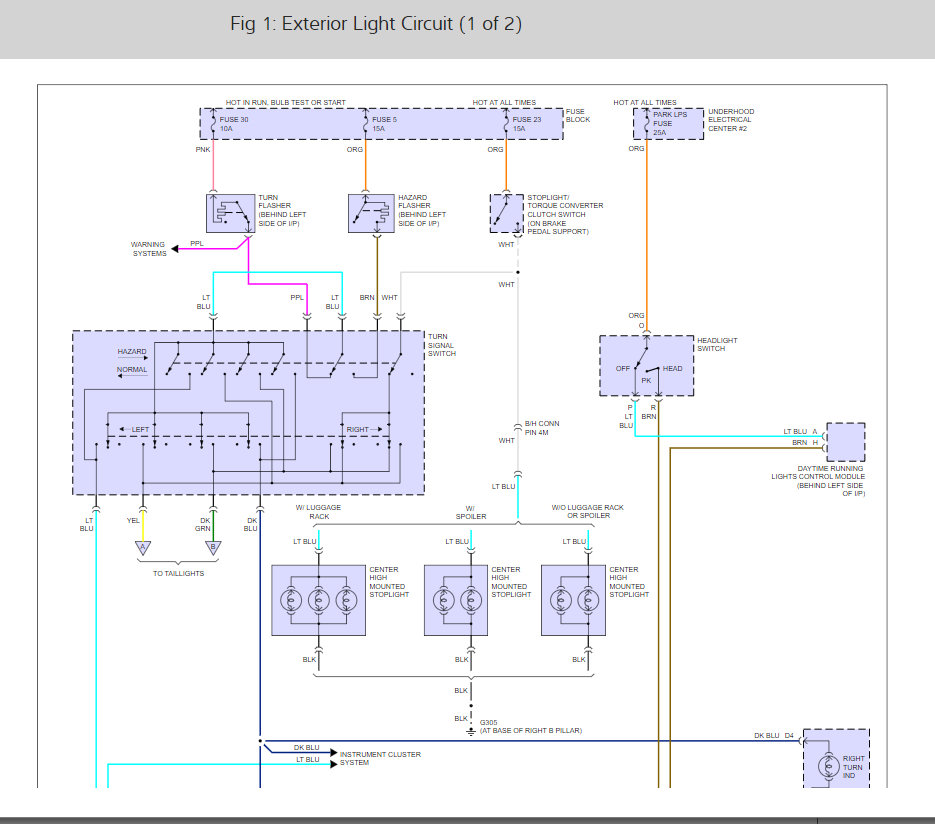
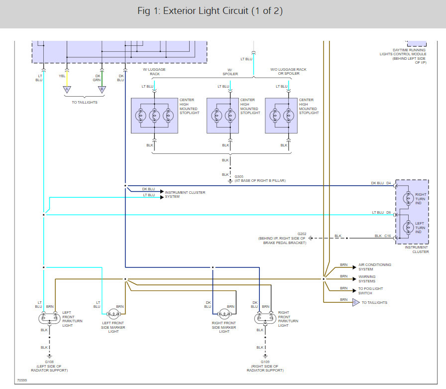
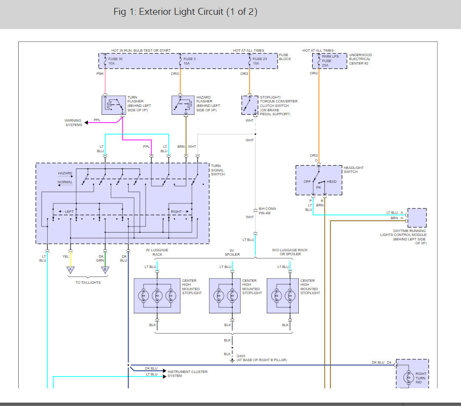
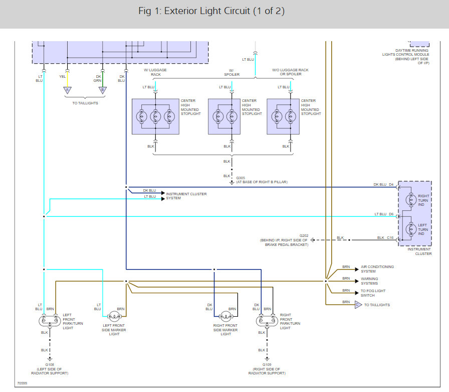
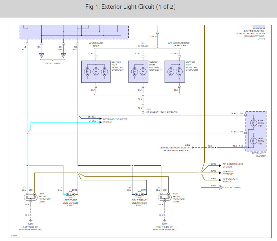
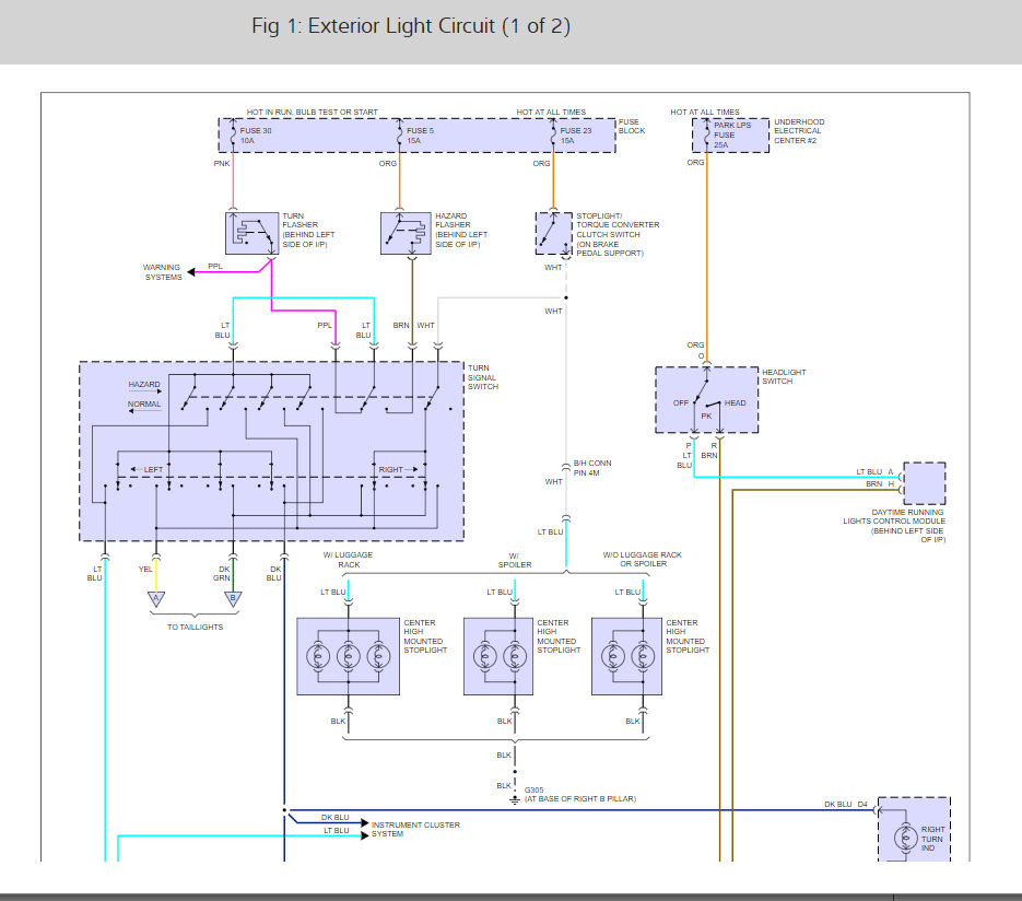
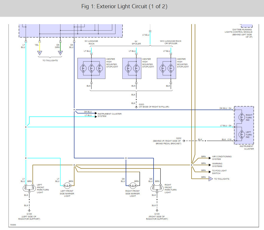
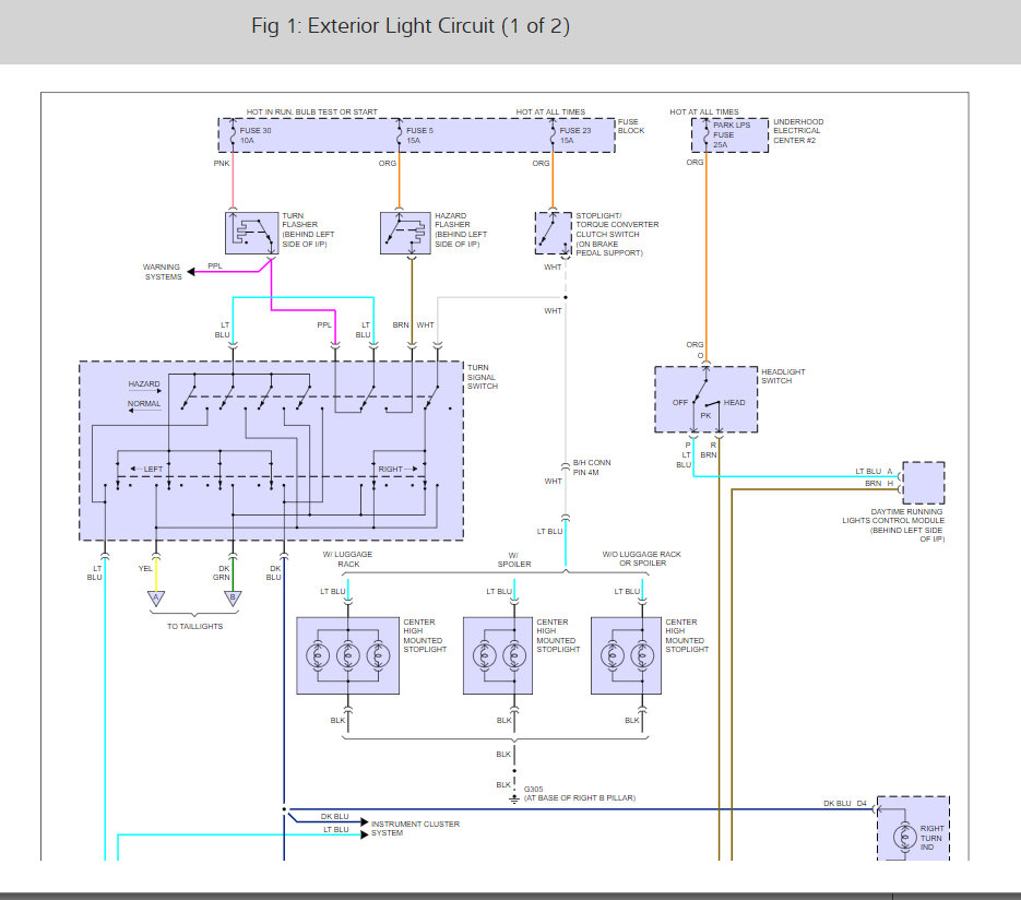
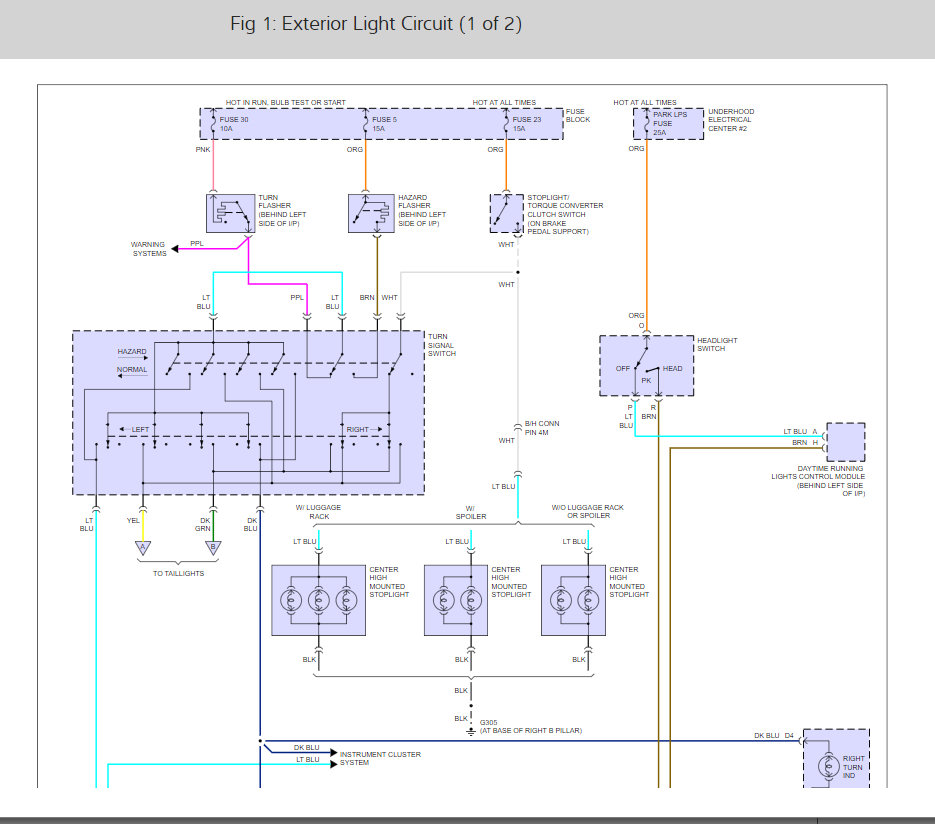
Here are the brake light wiring diagrams and a guide to help us see what's going on:

https://www.2carpros.com/articles/brake-lights-not-working

See how the brake lights work below. Check out the diagrams (below). Please let us know what you find. We are interested to see what it is.
Was this
answer
helpful?
Yes
No
Thursday, December 27th, 2018 AT 6:54 PM

Please login or register to post a reply.