Turn signal flasher

Tiny
TRINNIN
  • MEMBER
  • 1998 BUICK PARK AVENUE
  • 6 CYL
  • FWD
  • AUTOMATIC
  • 127,111 MILES
My turn signals do not work but my hazerd lights do, I changed my turn signal switch and checked my fuses so now I think its the relay. But I cannot locate the relay in any of the fuse boxes and its not visiable under the dash where should I look for this modol.
Sunday, March 23rd, 2008 AT 1:26 PM

25 Replies

Tiny
RASMATAZ
  • MECHANIC
  • 75,992 POSTS
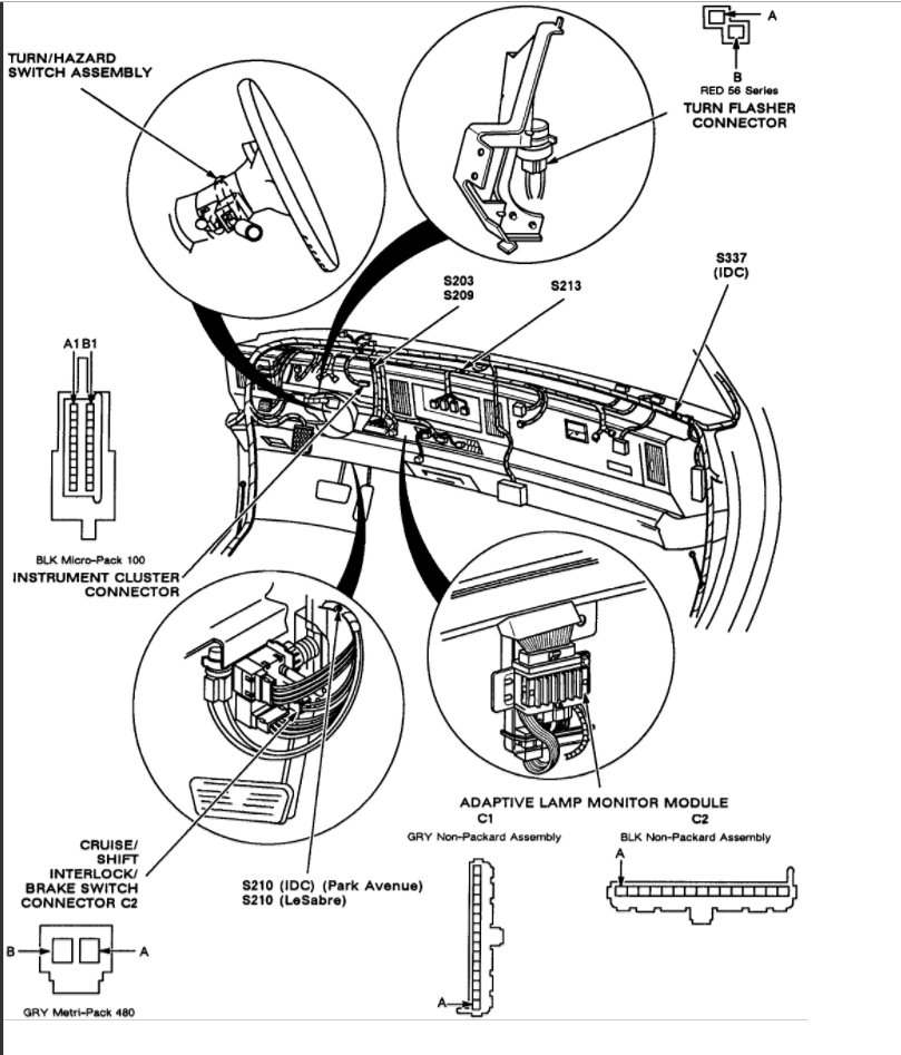
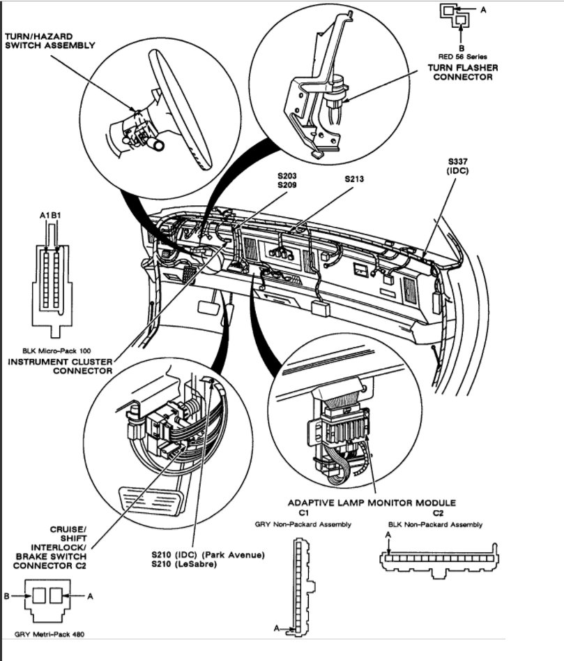
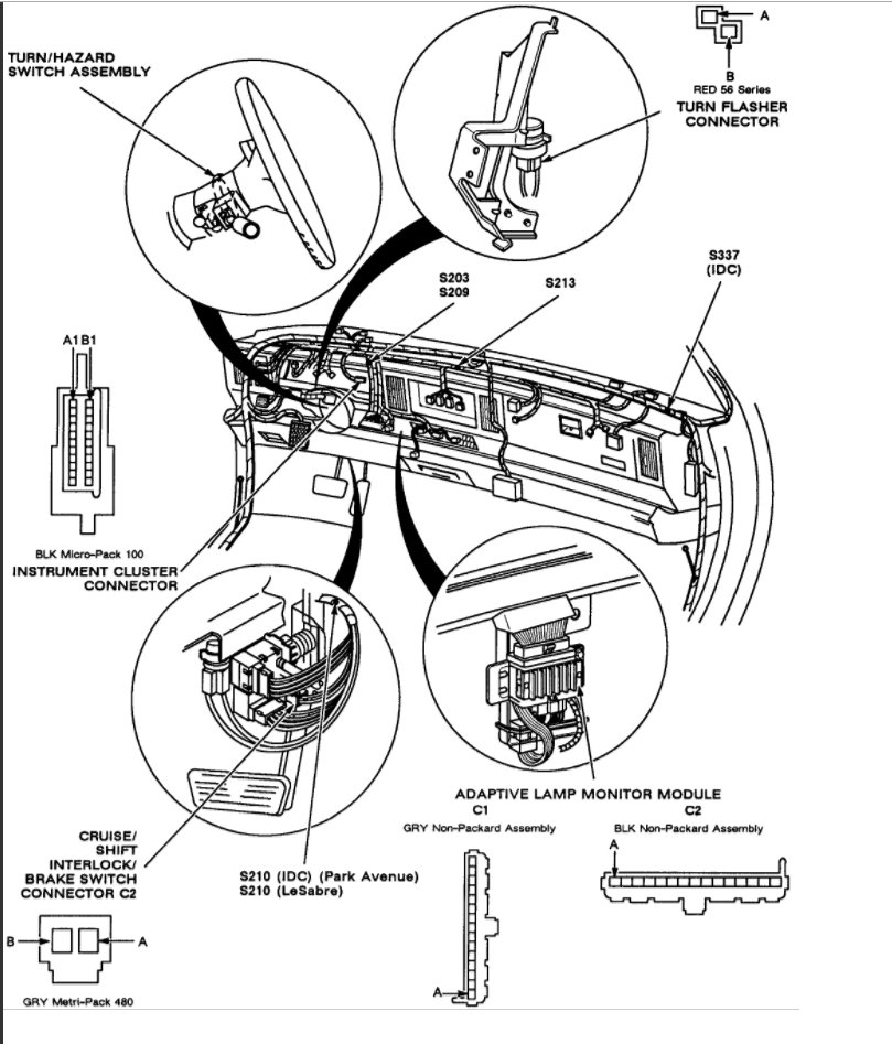
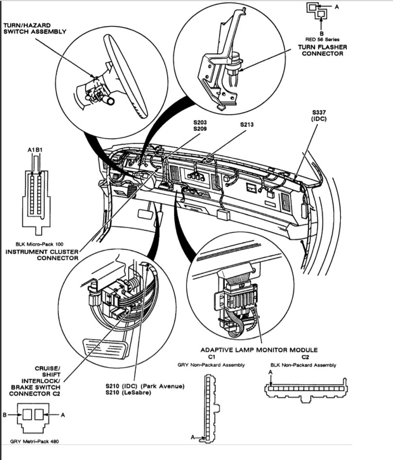
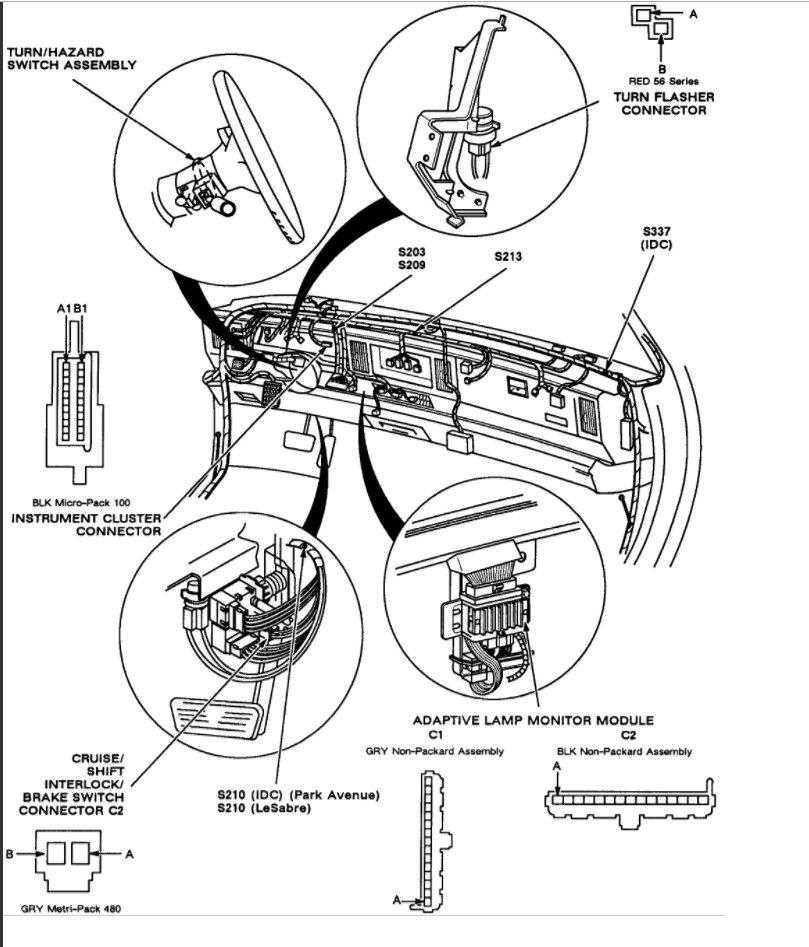
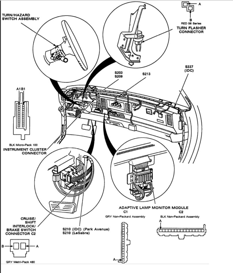
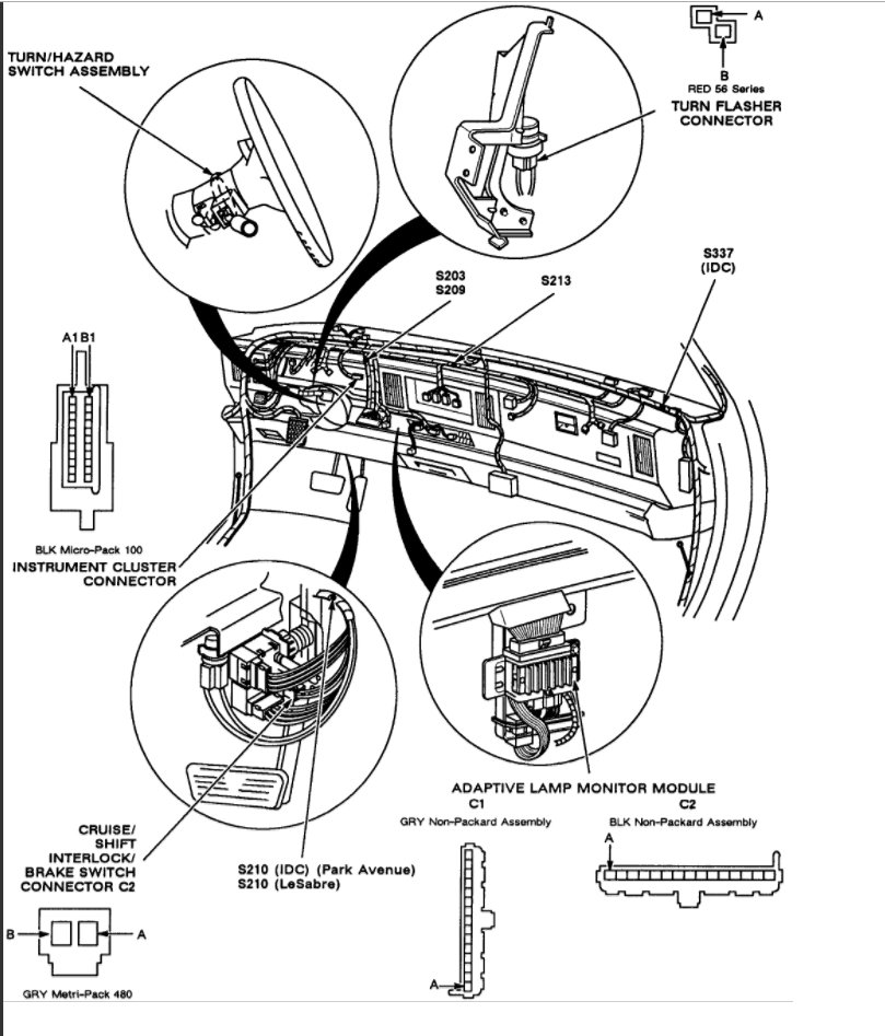
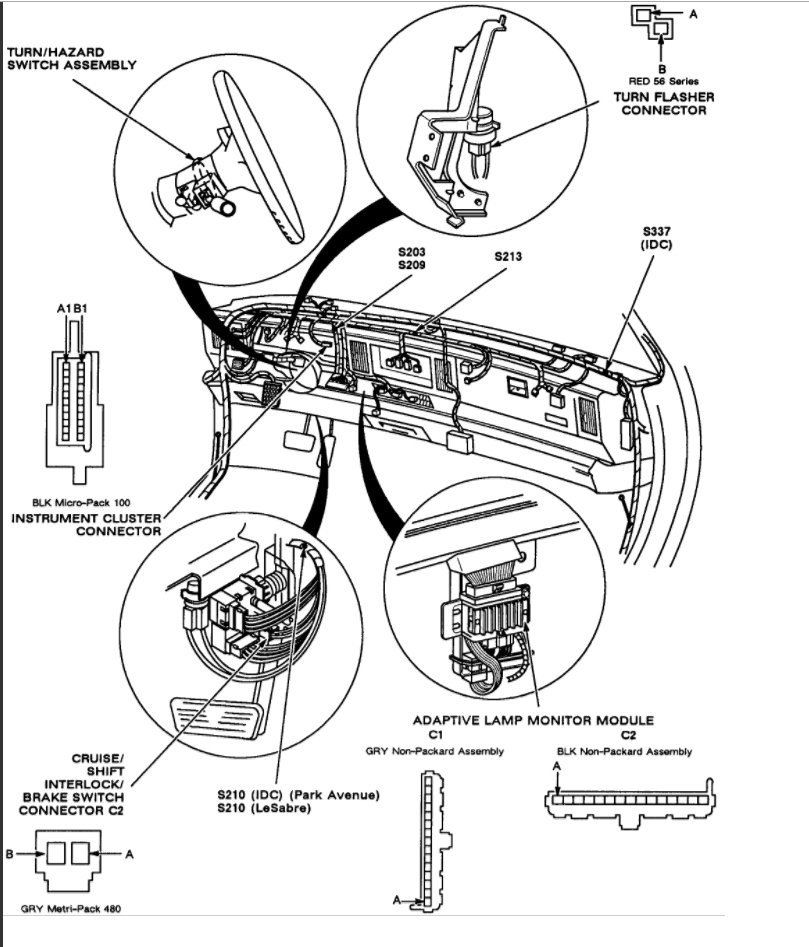
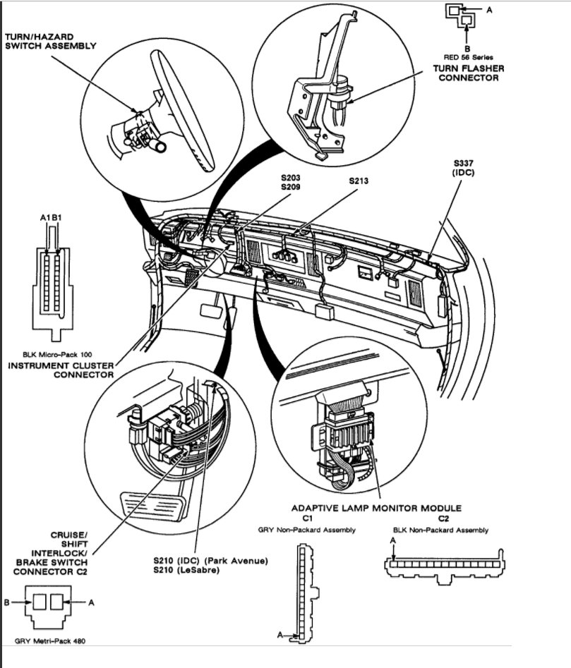
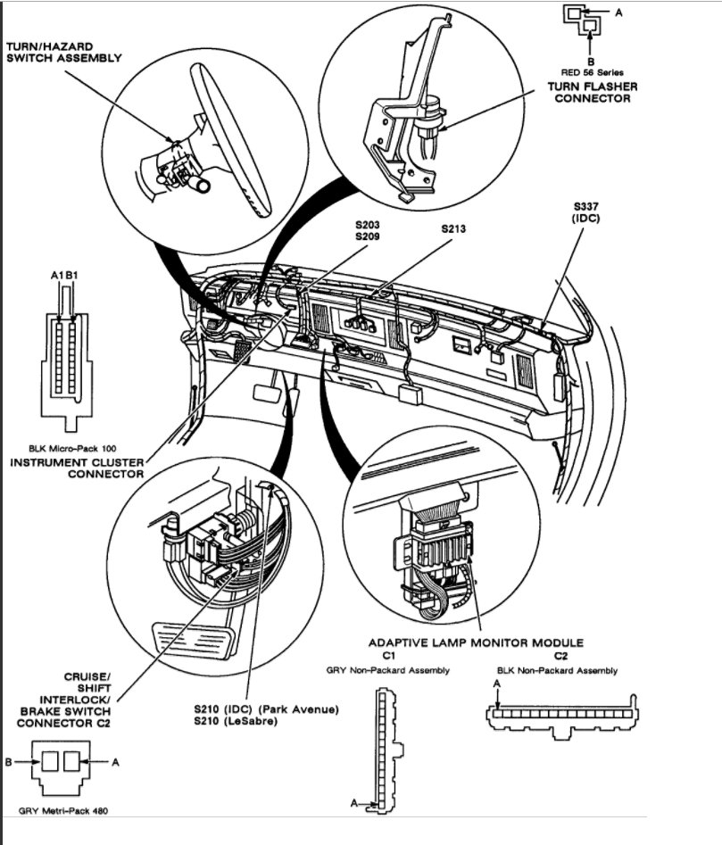
The turn signal flasher is located behind the dash right of steering column carrier

See the guide below on testing the wiring

https://www.2carpros.com/articles/how-to-check-wiring

The wiring diagrams and flasher location are attached below
Was this
answer
helpful?
Yes
No
+3
Sunday, March 23rd, 2008 AT 1:34 PM
Tiny
DAVIDDANSKER
  • MEMBER
  • 1 POST
  • 2001 BUICK PARK AVENUE
  • 6 CYL
  • FWD
  • 125,000 MILES
How do I access turn signal flasher module on 2001 Park Avenue Buick? Have taken nearly all dashboard parts off, can't get to it under or over. Have new part, know what it looks like, cant see it.
Was this
answer
helpful?
Yes
No
-1
Tuesday, October 23rd, 2018 AT 6:10 PM (Merged)
Tiny
DOCFIXIT
  • MECHANIC
  • 18,828 POSTS
Located right of steering column near hold bracket
Was this
answer
helpful?
Yes
No
+1
Tuesday, October 23rd, 2018 AT 6:10 PM (Merged)
Tiny
ROY SAVASTA
  • MEMBER
  • 1 POST
David, to access the flasher, remove the stop light switch and cruise control brake switch, pull down the plastic cover that surrounds the three wire connectors directly behind the brake switch. Next, pull down the two black plastic blocks that the three wire connectors are plugged into. The flasher, believe it or not, is above these two blocks. Lots of luck
Was this
answer
helpful?
Yes
No
+4
Tuesday, October 23rd, 2018 AT 6:10 PM (Merged)
Tiny
CADIEMAN
  • MECHANIC
  • 3,544 POSTS
There is a clip on the right side of the column like doc said its round with yollow rings on it.
Was this
answer
helpful?
Yes
No
Tuesday, October 23rd, 2018 AT 6:10 PM (Merged)
Tiny
91BPA
  • MEMBER
  • 2 POSTS
  • 1991 BUICK PARK AVENUE
The turn signal lights on my 1991 Buick Park Avenue do not work. I believe I need to replace the turn signal flasher (relay), but I cannot locate it. Can you tell me precisely where the flasher (relay) is located? (I've seen some "hints, " i.E, under the dash, driver's side, etc, but I need to know EXACTLY where it is located, please.)
Was this
answer
helpful?
Yes
No
+2
Tuesday, October 23rd, 2018 AT 6:10 PM (Merged)
Tiny
KEN L
  • MASTER CERTIFIED MECHANIC
  • 55,499 POSTS
Hello,

The turn signal flasher is located under the dash on the drivers side here is a diagram of the location. It is tucked by the drivers kick panel.

Check out the diagram (Below)

Please let us know if you need anything else to get the problem fixed.

Cheers
Was this
answer
helpful?
Yes
No
Tuesday, October 23rd, 2018 AT 6:10 PM (Merged)
Tiny
2CP-ARCHIVES
  • MEMBER
  • 4,540 POSTS
  • 1988 BUICK PARK AVENUE
  • 109,000 MILES
Where is the blinker flasher located
Was this
answer
helpful?
Yes
No
Tuesday, October 23rd, 2018 AT 6:10 PM (Merged)
Tiny
ASEMASTER6371
  • MECHANIC
  • 52,796 POSTS
Under left side of dash between the steering column and the center

Roy
Was this
answer
helpful?
Yes
No
Tuesday, October 23rd, 2018 AT 6:10 PM (Merged)
Tiny
ANGIE1665
  • MEMBER
  • 1 POST
  • 1991 BUICK PARK AVENUE
  • 6 CYL
  • 2WD
  • AUTOMATIC
  • 156,000 MILES
I need to find the location of the flasher so my blinkers will work
Was this
answer
helpful?
Yes
No
Tuesday, October 23rd, 2018 AT 6:10 PM (Merged)
Tiny
RASMATAZ
  • MECHANIC
  • 75,992 POSTS
Its behind dash on left side of steering column brace sorry no pic location.
Was this
answer
helpful?
Yes
No
Tuesday, October 23rd, 2018 AT 6:10 PM (Merged)
Tiny
CW_JEFFRIES
  • MEMBER
  • 1 POST
  • 1997 BUICK PARK AVENUE
  • 6 CYL
  • FWD
  • AUTOMATIC
  • 185,000 MILES
I have the same issue as some others. Driver-side and 4-way flashers work great, passenger-side flasher does not work at all.

If this is a flasher unit problem, how do I get to it?

Thanks!
Was this
answer
helpful?
Yes
No
Tuesday, October 23rd, 2018 AT 6:10 PM (Merged)
Tiny
RASMATAZ
  • MECHANIC
  • 75,992 POSTS
Try checking it-its located behind dash right of steering column carrier
Was this
answer
helpful?
Yes
No
Tuesday, October 23rd, 2018 AT 6:10 PM (Merged)
Tiny
WIZARD071
  • MEMBER
  • 1 POST
  • 1997 BUICK PARK AVENUE
  • 6 CYL
  • FWD
  • AUTOMATIC
  • 89,000 MILES
Do have a blow up & instructions on how to remove the turn signal module on this buick. Also how to remove & replace the turn signal switch. The turn signal will not flash on the right side but will flash on the left side, also the 4 ways flash ok. Thanks
Was this
answer
helpful?
Yes
No
Tuesday, October 23rd, 2018 AT 6:10 PM (Merged)
Tiny
REPS4BPAV
  • MEMBER
  • 2 POSTS
I am having the exact same problem. Left turning works but right does not. Bulbs are okay - emergency flasher works and lights come on with light switch(parking and headlights).

Can anyone tell me how to get to the signal flasher switch under the instrument panel? I read that the flasher switch could be the problem.
Was this
answer
helpful?
Yes
No
+2
Tuesday, October 23rd, 2018 AT 6:10 PM (Merged)
Tiny
KELLY STAMM
  • MEMBER
  • 1 POST
  • 1999 BUICK PARK AVENUE
  • 6 CYL
  • FWD
  • AUTOMATIC
  • 116,000 MILES
I think I did this backwards.I donated $20 thru PayPal before I registered to ask a question. Not sure my donation will show up now.

I recently acquired a '99 Buick Park Avenue 2nd hand and I absolutely love its performance and the immaculate leather interior; I am just frustrated with having no turn signals.

Within 48 hrs. Of getting the car, we noticed that the LEFT signal wouldn't flash; just stayed on constant. And when we'd park the car and turn the ignition off, the left turn lights stayed on solid which would have run the battery down had we not pulled the fuse under the hood, passenger side.

We inspected the bulbs/lamps. All seemed to be good, but we didn't change them. Reading a couple of posts on this sight makes me wonder if that would help.

What we did do was acquire a used turn signal assembly from a salvage yard, installed it and all seemed to work. Within 24 hrs. It was doing the same thing again. We assume it has burned up these 2 turn signal assemblies.

I love this car and my husband is saying "trade it off" and so is my son, but I want to get another opinion before I give it up.

Thank you for your help! Kelly Stamm
Was this
answer
helpful?
Yes
No
Tuesday, October 23rd, 2018 AT 6:10 PM (Merged)
Tiny
RASMATAZ
  • MECHANIC
  • 75,992 POSTS
Check the turn signal flasher its behind the dash right of steering column carrier.
Was this
answer
helpful?
Yes
No
+1
Tuesday, October 23rd, 2018 AT 6:10 PM (Merged)
Tiny
TERRIBLESWEDE3
  • MEMBER
  • 1 POST
  • 1995 BUICK PARK AVENUE
  • 6 CYL
  • 2WD
  • AUTOMATIC
  • 86,000 MILES
My turn signal flasher was running slower and slower, then stopped completly. Should I and how do I replace the flasher?
Michael in KC
Was this
answer
helpful?
Yes
No
+1
Tuesday, October 23rd, 2018 AT 6:10 PM (Merged)
Tiny
BLUELIGHTNIN6
  • MECHANIC
  • 16,542 POSTS
The flasher is most likely at faulty, yes. It is replaced by disconnecting it from it's wiring connector and installing new one. The flasher is located on the left kick panel.
Was this
answer
helpful?
Yes
No
-1
Tuesday, October 23rd, 2018 AT 6:10 PM (Merged)
Tiny
ASHLEYMCCOY
  • MEMBER
  • 3 POSTS
  • 1999 BUICK PARK AVENUE
  • 187,000 MILES
The tail lights, left signal lights, and interior lights on my 1999 buick park avenue don't work. What may be the problem?
Was this
answer
helpful?
Yes
No
Tuesday, October 23rd, 2018 AT 6:10 PM (Merged)

Please login or register to post a reply.