Rear defogger does not work, fuse is not blown

Tiny
SGRTSMILEY
  • MEMBER
  • 1998 BUICK PARK AVENUE
What else could it be?
Monday, December 15th, 2008 AT 5:25 PM

1 Reply

Tiny
SQM
  • MECHANIC
  • 6,383 POSTS
Hello,

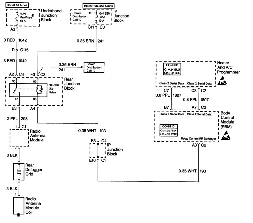
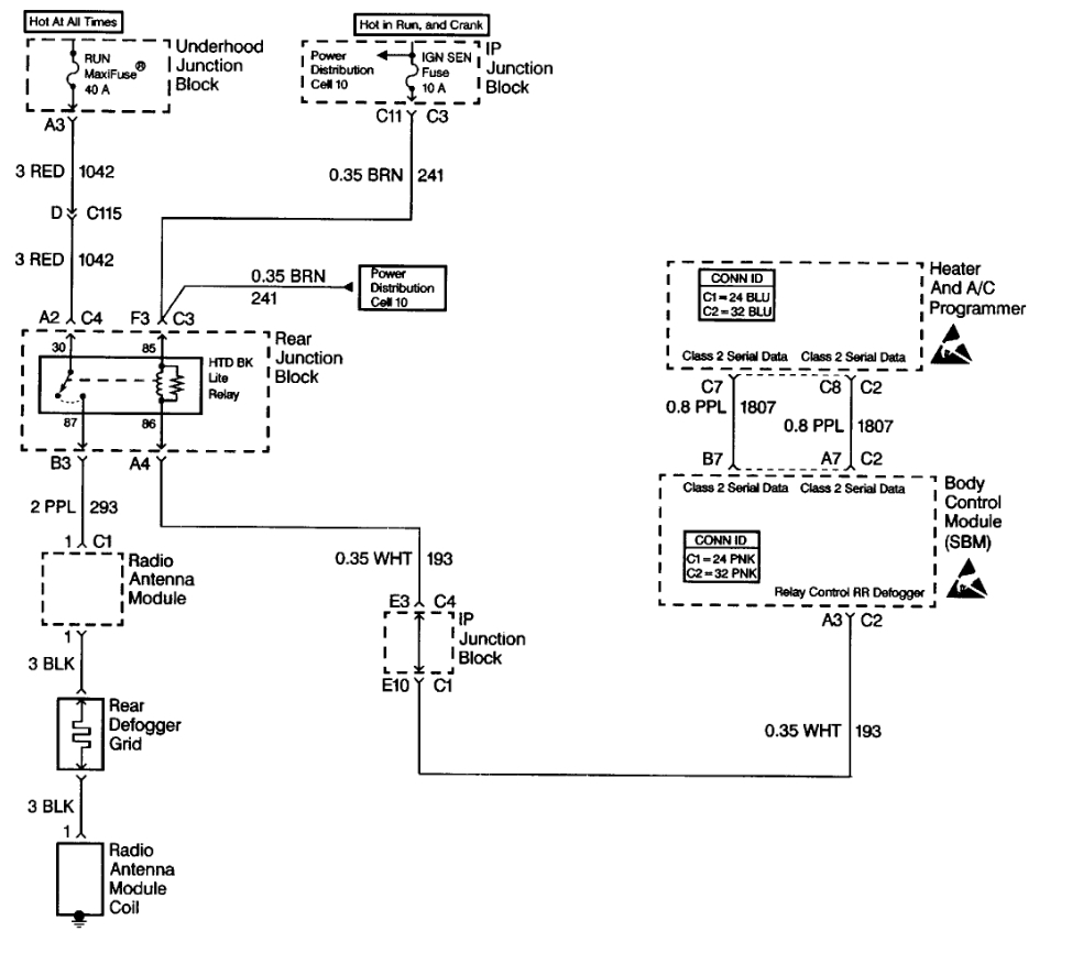
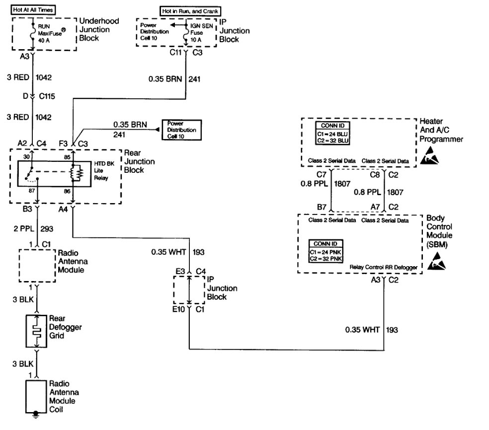
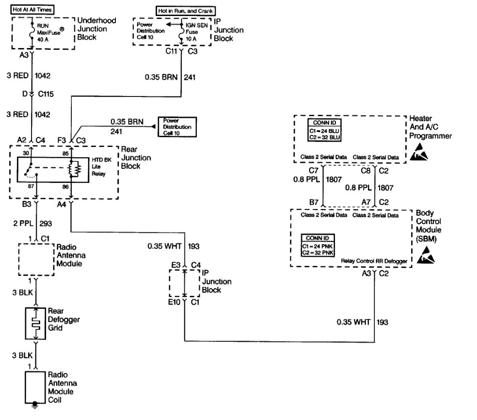
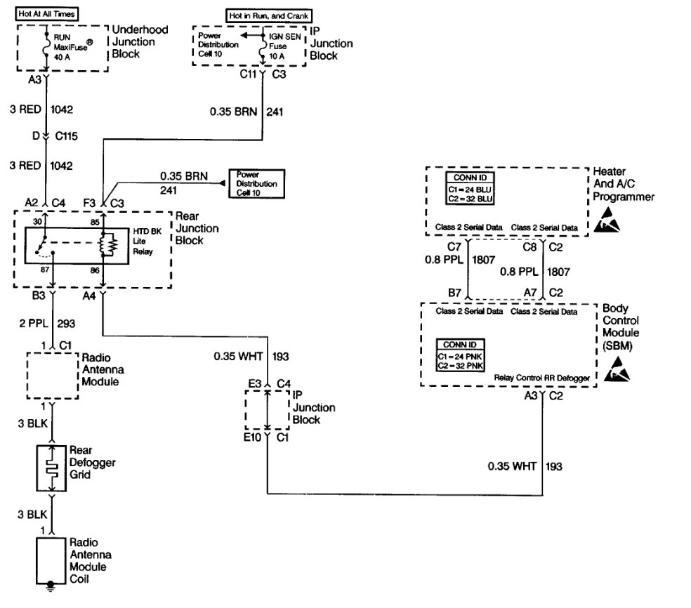
There is a relay for the rear defogger located under the rear seat. Check that relay and make sure it is in working order. Look for any corrosion or burnt pin.

Here is a guide on how to test relays:

https://www.2carpros.com/articles/how-to-check-an-electrical-relay-and-wiring-control-circuit

If the relay is good, you will need to check to see if there is power to the harness for the defogger. Verify that the power is going to the relay and out of the relay. If there is no power to the harness then the issue is likely a shorted wire.

https://www.2carpros.com/articles/how-to-check-wiring

I have attached the wiring schematics for the rear defogger below.

Please let me know if you have any questions.
Thank you.
Was this
answer
helpful?
Yes
No
+1
Tuesday, November 30th, 2021 AT 2:02 PM

Please login or register to post a reply.