1994 Buick Park Avenue All Wheel Drive Automatic 150.00 miles
My Question is,
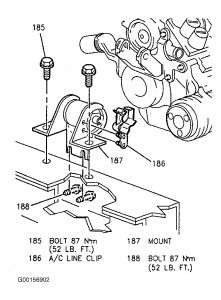
How do I remove My Left motor mount? So far I have removed all the bolts but their are two studs holding it in place. Do I squeeze mount in order to release mechanism?
ThankYou
Misael
Wednesday, May 19th, 2010 AT 2:33 PM







