Key-less remote not working properly

Tiny
PAUL61
  • MEMBER
  • 2007 BUICK LUCERNE
  • 6 CYL
  • FWD
  • AUTOMATIC
  • 18,000 MILES
My Key-less remote only works for thirty seconds after you open or close a door. What is the problem?
Friday, March 20th, 2009 AT 12:18 PM

5 Replies

Tiny
MUCHA
  • MEMBER
  • 5 POSTS
Hello,

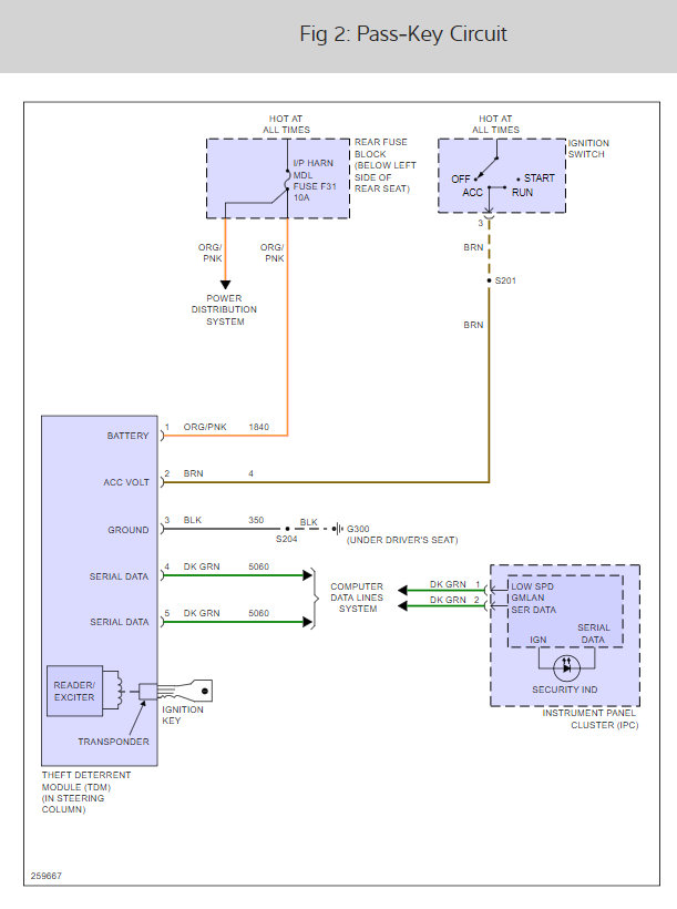
It sounds like the drivers door module is out. This happens because of the shock when closing the door multiple times. Here is the wiring diagrams for the security system so you can see how it works (below). The module is located inside the drivers door and will need to be initialized before it will work should cost about $130.00 at a shop to have done. Check out the diagrams (below). Please let us know what happens.

Cheers
Was this
answer
helpful?
Yes
No
Tuesday, July 14th, 2009 AT 4:48 AM
Tiny
BRIAN 1
  • MECHANIC
  • 1,030 POSTS
Before you waste time replacing the remote, replace the remote control door lock receiver and antenna, very common problem. Some customers may comment about one or more of the following conditions:

*The remote keyless entry (RKE) transmitters will not program, function and/or the RKE transmitter low battery message is displayed.

*The Service Tire Monitor System message is displayed.

*The new RKE transmitter cannot be programmed.

*The remote keyless entry (RKE) and/or remote vehicle start (RVS) transmitter has poor range.

Any of these concerns may be caused by an internal fault with the transmitters and/or the Remote Control Door Lock Receiver (RCDLR) software/hardware. Replace the RCDLR module and the RCDLR antenna.
Was this
answer
helpful?
Yes
No
+1
Tuesday, July 14th, 2009 AT 9:21 PM
Tiny
NAANDERS
  • MEMBER
  • 1 POST
I wish I came across this post earlier. I just paid $670.00 to have the DCM replaced. DOH!
Was this
answer
helpful?
Yes
No
Tuesday, September 4th, 2018 AT 4:53 PM
Tiny
RRJAM
  • MEMBER
  • 1 POST
  • 2007 BUICK LUCERNE
  • V8
  • FWD
  • AUTOMATIC
  • 119,576 MILES
My car doesn't respond to the key fob anymore I changed the battery replaced the remote still nothing.
Was this
answer
helpful?
Yes
No
Wednesday, July 28th, 2021 AT 2:43 PM (Merged)
Tiny
DANNY L
  • MECHANIC
  • 5,648 POSTS
Hello, I'm Danny.

I would try to reprogram the key fob itself. Here is the tutorial showing how to do so:

https://www.2carpros.com/articles/how-to-re-program-a-key-remote-fob

Let us know what happens and we'll go from there. Hope this helps and thanks for using 2CarPros.

Was this
answer
helpful?
Yes
No
Wednesday, July 28th, 2021 AT 2:43 PM (Merged)

Please login or register to post a reply.