power window

2002 BUICK LESABRE
76,650 MILES • 6 CYL • 2WD • AUTOMATIC
Avatar
GIZMO
  • MEMBER
  • 1 POST
hello my name is ronnie and i have a 2002 buick lesabre and the window on the right side will not work and the dos work but the window will not go down it try to i think it is off it track and can you tell me if it is hard to fix and can i do it thank you for your time ronnie
Nov 19, 2008 at 1:40 PM
Repair Safety Notice: This information is for general instructional purposes only. Vehicle repair can be dangerous. Verify all information, follow manufacturer service procedures, use proper tools and safety equipment, and consult a qualified repair shop when needed.
Advertisement
Avatar
KASEKENNY
  • CAR REPAIR CONTRIBUTOR
  • 18,907 POSTS
This could be a number of things but we need to start with removing the door panel and operate the window to find out if it is off the track or not.

https://www.2carpros.com/articles/door-panel-removal

If it is, here is a guide that will help with replacing the regulator as that is likely what is needed:

https://www.2carpros.com/articles/how-to-check-and-replace-a-electric-power-window-motor

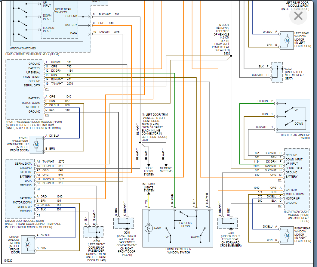
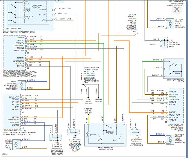
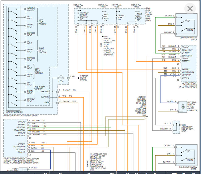
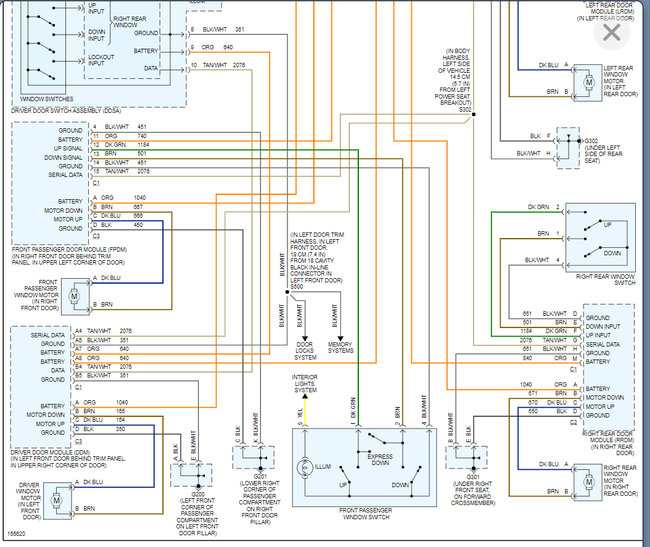
If it is not off the regulator, then we are going to have to check the switch. This video will show how to test this switch.

https://youtu.be/HBFBcJrdym4

https://www.2carpros.com/articles/how-to-check-wiring

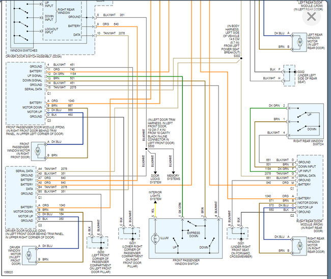
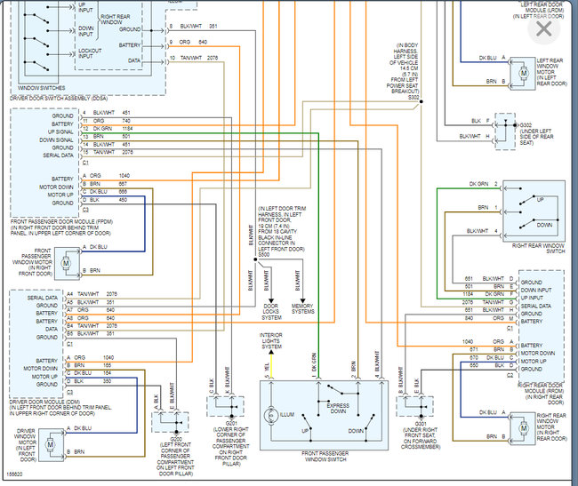
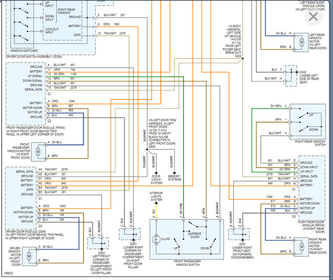
I also attached the wiring diagram below so that you can test the correct wires.

Please run through this info and let us know if you have questions on this. Thanks
Oct 4, 2021 at 5:04 PM
Advertisement