HOME
ASK A QUESTION
REPAIR GUIDES
BECOME A MEMBER
LOG IN
Login with Facebook
OR
Remember me
NOT A MEMBER?
FORGOT PASSWORD?
CONTACT US
PRIVACY POLICY
TERMS AND CONDITIONS
☰
Home
Buick
Lesabre
Climate Control
Blower Fan
Replace/Remove
Heater Blower Motor replacement instructions needed
JAJ
MEMBER
2000 BUICK LESABRE
6 CYL
2WD
AUTOMATIC
81,500 MILES
How do I replace the blower motor for the heater/air conditioner?
Sunday, June 29th, 2008 AT 2:52 PM
1 Reply
DANNY L
MECHANIC
5,648 POSTS
Hello, I'm Danny.
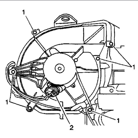
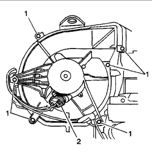
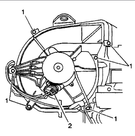
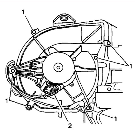
Here is the information you've requested. First, Here is a tutorial for you to view on how to replace a blower motor:
https://www.2carpros.com/articles/blower-fan-motor-works-on-high-speed-only
I've attached picture steps below on how to replace the blower motor in your car. Hope this helps and thanks for using 2CarPros.
Images (Click to make bigger)
Was this
answer
helpful?
Yes
No
-1
Monday, March 22nd, 2021 AT 1:24 PM
Please
login
or
register
to post a reply.
Related Blower Fan Replace/Remove Content
1997 Buick Lesabre
1997 Buick Lesabre V8 Automatic I Just Replaced The Blower Motor On My 1997 Lesabre And It Is Still Not Blowing Any Air.
Asked by
ggibson1976
·
2 ANSWERS
1997
BUICK LESABRE
VIDEO
How to Replace the A/C Blower Motor
Instructional repair video
Auto Repair
How To Replace The Heater Motor In A 1992 Buick Lesabre?
Asked by
familyjewell
·
1 ANSWER
BUICK LESABRE
Blower Motor Replacement
Where Is The Heater Blower Motor Located And Why Such A Cost Difference From $40 To $130
Asked by
mealco22
·
1 ANSWER
1 IMAGE
2004
BUICK LESABRE
Where To Find Relay For Blower Fan
Where Do I Find Relay Switch For Heater Blower Fan?
Asked by
keithadams12
·
1 ANSWER
1 IMAGE
1999
BUICK LESABRE
Blower Motor
1995 Buick Lesabre 3.8l Vin(l) The Blower Will Not Shut Off Even With Key Out. Has 12 V To Resistor At All Times Killing Battery Unless I...
Asked by
retiredauto
·
15 ANSWERS
BUICK LESABRE
VIEW MORE
Ask a Car Question. It's Free!
How to Use a Test Light
Heater Hose Replacement Chevrolet Camaro
Fix an Air Conditioning Not Working Video