1998 Buick Lesabre Blower Motor Problems. Please help!

Tiny
JGOURLEY5315
  • MEMBER
  • 1998 BUICK LESABRE
Air Conditioning problem
1998 Buick Lesabre 6 cyl Front Wheel Drive Automatic

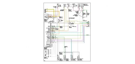
I'm in search of a auto temp a/c circuit diagram for a 98 Lesabre. Or any troubleshooting tips, would be much appreciated! Thank you!
Sunday, July 11th, 2010 AT 3:49 AM

7 Replies

Tiny
RASMATAZ
  • MECHANIC
  • 75,992 POSTS


http://www.2carpros.com/forum/automotive_pictures/12900_atc1_2.jpg




http://www.2carpros.com/forum/automotive_pictures/12900_atc2_2.jpg

Was this
answer
helpful?
Yes
No
Sunday, July 11th, 2010 AT 4:02 AM
Tiny
JGOURLEY5315
  • MEMBER
  • 8 POSTS
Sorry to bother you again but. I'm not quite sure of how to make these pictures bigger? I can't read them! Thank you so much!
Was this
answer
helpful?
Yes
No
-1
Sunday, July 11th, 2010 AT 4:37 AM
Tiny
RASMATAZ
  • MECHANIC
  • 75,992 POSTS
Give me your email addy and we'll see what happens
Was this
answer
helpful?
Yes
No
Sunday, July 11th, 2010 AT 6:25 AM
Tiny
JGOURLEY5315
  • MEMBER
  • 8 POSTS
Joleegourley@yahoo. Com is my addy. I'm sorry I can't figure out how to blow it up to where I could see it. Thanks
Was this
answer
helpful?
Yes
No
Sunday, July 11th, 2010 AT 11:06 AM
Tiny
RASMATAZ
  • MECHANIC
  • 75,992 POSTS
Should be there by now
Was this
answer
helpful?
Yes
No
Sunday, July 11th, 2010 AT 2:17 PM
Tiny
JGOURLEY5315
  • MEMBER
  • 8 POSTS
Do you know how to bypass the module.
Was this
answer
helpful?
Yes
No
-1
Sunday, July 11th, 2010 AT 3:01 PM
Tiny
JGOURLEY5315
  • MEMBER
  • 8 POSTS
The blower motor works for sure. So i'm trying to test the blower motor control module but I have searched all over google and cant figure out how to do that. I tested the wires and fuses still can't find the issue.
Was this
answer
helpful?
Yes
No
+1
Sunday, July 11th, 2010 AT 3:11 PM

Please login or register to post a reply.