
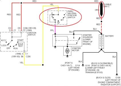
You will need a voltmeter. From underneath the vehicle, probe positive to the battery and black to ground. You should have voltage. Next, probe positive wire to purple wire (ignition) and black to ground. Have someone turn the key to crank. If there is power, bench test the starter. If there is no power, check the fusible link C. If fusible link is good, move shifter out of "PARK" to "NEUTRAL", and re-test. If still no power, check your Neutral Safety Switch.
Was this helpful?
Yes
No
Wednesday, November 18th, 2020 AT 8:18 AM
(Merged)


