1991 Buick Lesabre car wont crank

Tiny
88VETTE88
  • MEMBER
  • 1991 BUICK LESABRE
  • 6 CYL
  • 2WD
  • AUTOMATIC
  • 154,000 MILES
I drove this car, but when I got to my house and tried to restart the dash lights come on an everything, but the car wont crank over, checked starter, battery, tried to jump nothing, suspected faulty ignition switch, or starter relay?We crank the starter manually with spark plug grounded to engine, and got no spark also. Any comments would be much appreciated, thanks!
Tuesday, October 12th, 2010 AT 3:44 PM

15 Replies

Tiny
RASMATAZ
  • MECHANIC
  • 75,992 POSTS
Hi 88vette88, Welcome to 2carpros and TY for the donation

Pick your symptoms and get back with some testing results

Cranks but no start condition:

Get a helper disconnect a sparkplug wire or 2 and ground it to the engine at least 3/16 away from ground -have helper crank engine over-do you have a snapping blue spark? If so-you have a fuel related problem, check the fuel pressure to rule out the fuel filter/fuel pump/pressure regulator and listen to the injector/s are they pulsing or hook up a noid light. No snapping blue spark continue to troubleshoot the ignition system-power input to the coil/coil packs, coil's resistances, distributor pick-up coil, ignition control module, cam and crank sensors and computer Note: If it doesn't apply disregard it.

If both fuel and spark is present-check the valve and ignition timing, this will lead you to problems
with compression and valves opening and closing at the wrong time/broken or jumped timing
belt/chain.

No crank at all/nothing/nada when key is engage to starting position

Could be a blown fusible link, the starter, starter relay, clutch switch/park and neutral switch/transmission position switch and ignition switch assuming the battery and connections are good. Note:If it doesn't apply disregard.
Was this
answer
helpful?
Yes
No
Tuesday, October 12th, 2010 AT 6:56 PM
Tiny
88VETTE88
  • MEMBER
  • 13 POSTS
I dont have a schematic for the relay center could u post a diagram showing me the location of the starter relay, maybe I could switch the relay with another and check it.
Was this
answer
helpful?
Yes
No
+1
Tuesday, October 12th, 2010 AT 7:25 PM
Tiny
RASMATAZ
  • MECHANIC
  • 75,992 POSTS
Reviewed your question again-No spark

No snapping blue spark continue to troubleshoot the ignition system-power input to the coil/coil packs, coil's resistances, distributor pick-up coil, ignition control module, cam and crank sensors and computer Note: If it doesn't apply disregard it.
Was this
answer
helpful?
Yes
No
Tuesday, October 12th, 2010 AT 7:38 PM
Tiny
88VETTE88
  • MEMBER
  • 13 POSTS
About the no spark we touched the two terminals on the started with a screwdriver to manually crank it, but the car doesnt even crank with the key I want to troubleshoot this problem first.
Was this
answer
helpful?
Yes
No
Tuesday, October 12th, 2010 AT 7:42 PM
Tiny
RASMATAZ
  • MECHANIC
  • 75,992 POSTS
You don't have a starter relay-check and test the park and neutral switch and ignition switch

When you shorted the small terminal to the battery terminal on the solenoid this will cause the starter to engage the engine did it? If so -check both switch above-its beginning to sound like ignition switch due to no spark-try this 1st
Was this
answer
helpful?
Yes
No
Tuesday, October 12th, 2010 AT 7:46 PM
Tiny
88VETTE88
  • MEMBER
  • 13 POSTS
Can u post a schematic for the ignition switch, I will diagnose this problem.
Was this
answer
helpful?
Yes
No
Tuesday, October 12th, 2010 AT 8:07 PM
Tiny
RASMATAZ
  • MECHANIC
  • 75,992 POSTS
Before you do that have a helper to hold key at starting position and check for power at the yellow wire on the park and neutral switch at rear of engine left side of transaxle-no power here replace the ignition switch its gone
Was this
answer
helpful?
Yes
No
-1
Tuesday, October 12th, 2010 AT 8:14 PM
Tiny
88VETTE88
  • MEMBER
  • 13 POSTS
This is a 1992 lesabre my friend told my the wrong year of the car, never checked the sticker.
Was this
answer
helpful?
Yes
No
Tuesday, October 12th, 2010 AT 8:14 PM
Tiny
RASMATAZ
  • MECHANIC
  • 75,992 POSTS
Also check fuse no.7 at underhood fuse block


http://www.2carpros.com/forum/automotive_pictures/12900_ss1_2.jpg




http://www.2carpros.com/forum/automotive_pictures/12900_ss2_2.jpg

Was this
answer
helpful?
Yes
No
Tuesday, October 12th, 2010 AT 8:19 PM
Tiny
88VETTE88
  • MEMBER
  • 13 POSTS
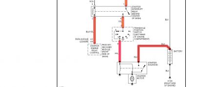
Is this the schematic for a 1992 buick lesabre, sorry for the mixup just checked the year it is a 92.
Was this
answer
helpful?
Yes
No
+1
Tuesday, October 12th, 2010 AT 8:41 PM
Tiny
RASMATAZ
  • MECHANIC
  • 75,992 POSTS
No its not the same-see below and Good LUck


http://www.2carpros.com/forum/automotive_pictures/12900_b1_20.jpg




http://www.2carpros.com/forum/automotive_pictures/12900_b2_22.jpg

Was this
answer
helpful?
Yes
No
Tuesday, October 12th, 2010 AT 9:42 PM
Tiny
88VETTE88
  • MEMBER
  • 13 POSTS
I have taken the steering wheel off, clockspring, to install the new ign switch, I came to the steering wheel lock, was wondering how to remove this? Any feedback would be wonderfull.
Was this
answer
helpful?
Yes
No
Thursday, October 14th, 2010 AT 11:57 AM
Tiny
RASMATAZ
  • MECHANIC
  • 75,992 POSTS


http://www.2carpros.com/forum/automotive_pictures/12900_lock_1.gif



Disable the Supplemental Inflatable Restraint (SIR) system as described in MAINTENANCE PROCEDURES/AIRBAG SYSTEM DISARMING prior to working on or near the steering column.

Remove steering wheel as described in STEERING WHEEL.
Remove turn signal switch as described in TURN SIGNAL SWITCH.
Remove key from lock cylinder, then remove buzzer switch from column housing.
Reinsert key and turn lock cylinder to LOCK position, then remove lock cylinder retaining screw and lock cylinder, Fig. 2.
To install, rotate lock cylinder to the stop while holding housing. Align cylinder key with keyway in housing, then push lock cylinder into housing until fully seated.
Install lock cylinder retaining screw.
Install buzzer switch, turn signal switch and steering wheel.
Rearm airbag system as described under MAINTENANCE PROCEDURES/AIRBAG SYSTEM DISARMING.
Was this
answer
helpful?
Yes
No
Thursday, October 14th, 2010 AT 12:13 PM
Tiny
88VETTE88
  • MEMBER
  • 13 POSTS
Does a 92 lesabre have a relay that could cause it not to crank over?
Was this
answer
helpful?
Yes
No
Friday, October 15th, 2010 AT 2:16 PM
Tiny
RASMATAZ
  • MECHANIC
  • 75,992 POSTS
Did you check the theft deterrent relay if so and its good the problem is coming from the computer-look at the diagram I gave earlier on the starting system
Was this
answer
helpful?
Yes
No
Friday, October 15th, 2010 AT 2:27 PM

Please login or register to post a reply.