Once home, I tried the original (unused) key with the same resistor pellet, but without success.
After much research and the able assistance of technician "Joe" (2CarPros), I was able to restart the car.
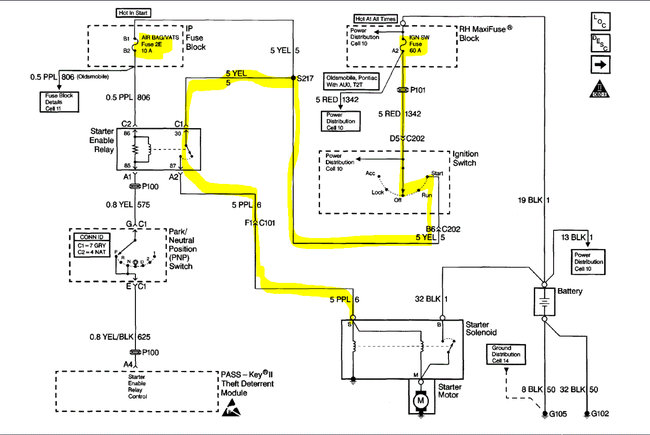
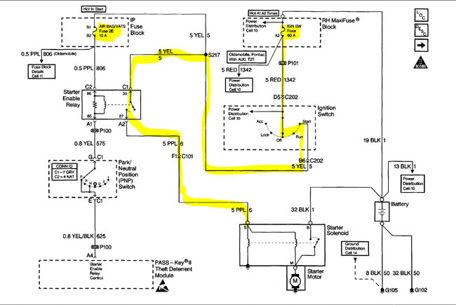
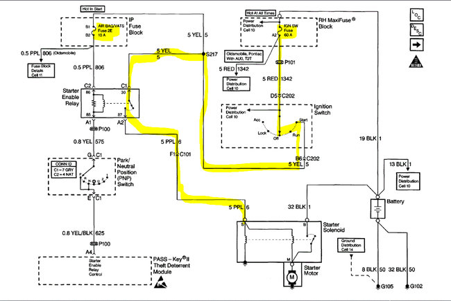
My method was to disconnect the ignition switch key resistor pellet sensor/reader and solder a resistor across the two wires running from the ignition switch resistor reader to the car PCM. That worked, and all was well for a while.
Until my key fob stopped opening the car from a distance as I approached. That distance steadily shrank from 30 paces (steps) to 20 and then to 10, finally to no response while directly beside the door.
I replaced the fob battery and verified the battery voltage before installation. Yet, the symptom/problem remains. Something in the fob detect circuit is not picking up the fob broadcast signal. I have not dropped or misused the fob in any way but suspect the only inexpensive remedy to start troubleshooting is to buy another key fob.
Friday, December 3rd, 2021 AT 3:24 PM





