Power steering pump replacement instructions please?

Tiny
SAWMAN2424
  • MEMBER
  • 2007 CHEVROLET SILVERADO
  • 6.6L
  • V8
  • 4WD
  • AUTOMATIC
  • 125,000 MILES
Power steering is also gone I need to replace the pump can you please show me how?
Monday, July 8th, 2019 AT 5:11 PM

12 Replies

Tiny
JACOBANDNICKOLAS
  • MECHANIC
  • 110,192 POSTS
Welcome back:

That is the most likely issue. The brake assist is provided via the power steering pump. This video will show you how to change it out with instructions below.

https://youtu.be/EXDysSOs07g

Now, here is a link that explains how one is replaced in general:

https://www.2carpros.com/articles/how-to-replace-a-power-steering-pump

You will most likely have to remove the old pulley and install it on the new pump. Here is a link that shows in general how that is done:

https://www.2carpros.com/articles/remove-reinstall-power-steering-pulley

______________________

Here are the directions specific to your vehicle for pump replacement. The attached pictures correlate with the directions.

2007 Chevy Truck Silverado 2500 4WD V8-6.6L DSL Turbo
Power Steering Pump Replacement
Vehicle Steering and Suspension Steering Power Steering Power Steering Pump Service and Repair Removal and Replacement Power Steering Pump Replacement
POWER STEERING PUMP REPLACEMENT
Power Steering Pump Replacement (6.6L)

Removal Procedure

1. Place a drain pan under the vehicle.

Pic 1

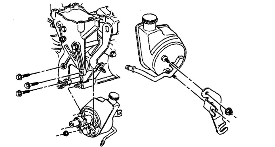
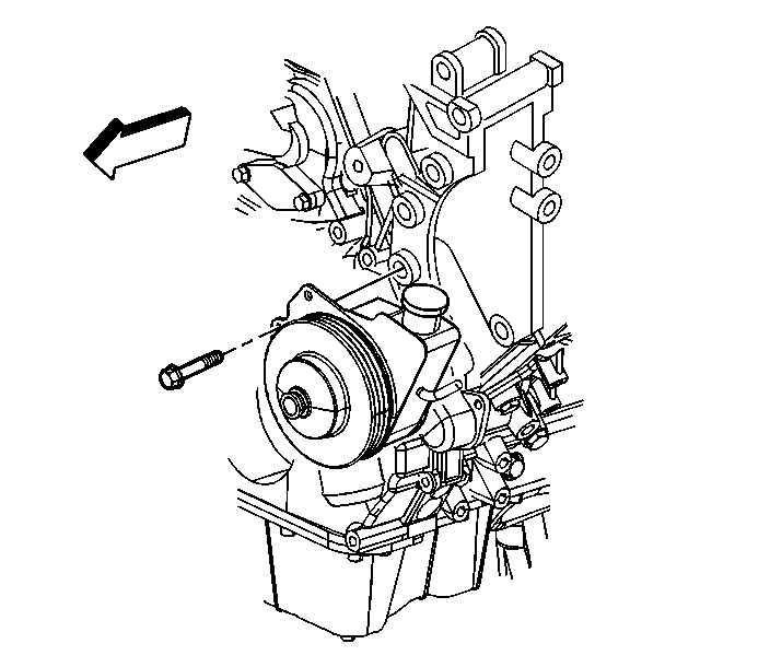
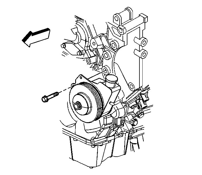
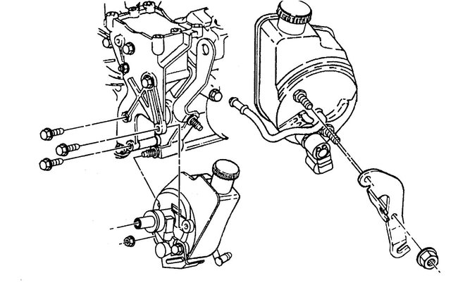
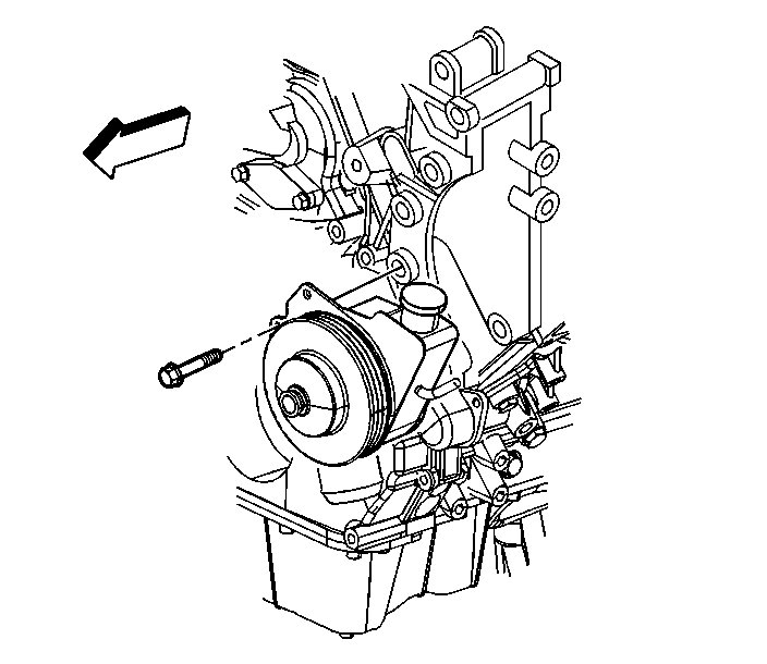
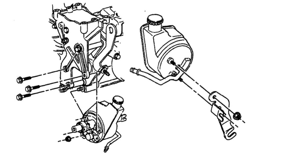
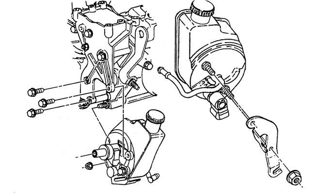
2. Remove the bolts (1) from the rear of the pump.

pic 2
3. Remove the bolts from the front of the pump bracket.

Important: Note the location of the battery cables for reinstallation.

4. Disconnect the negative battery clip from the power steering pump front bracket.

pic 3

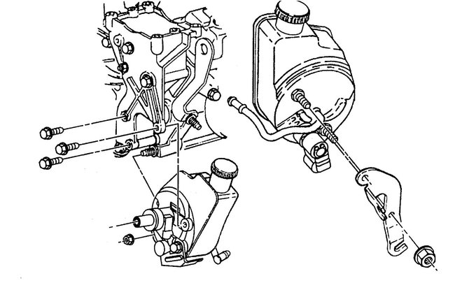
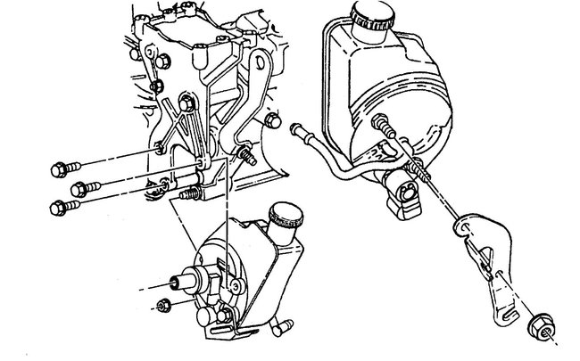
5. Remove the power steering return hoses (2, 4) from the power steering pump.

pic 4

6. Remove the power steering pump from the accessory mounting bracket to gain access to the power brake booster inlet pipe.
7. Remove the power brake booster inlet pipe from the power steering pump.
8. Remove the power steering pump from the vehicle.
9. Remove the power steering pulley.
10. Remove the front bracket from the power steering pump.
11. Remove the rear bracket from the power steering pump.

Installation Procedure

Notice: Refer to Fastener Notice.

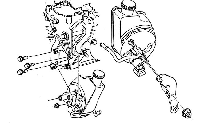
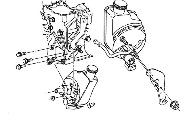
1. Install the rear bracket to the power steering pump.

Tighten the rear bracket retaining nuts to 50 N.m (37 lb ft).

2. Install the front bracket to the power steering pump.

Tighten the front bracket retaining nuts to 50 N.m (37 lb ft).

3. Install the power steering pulley.

pic 5

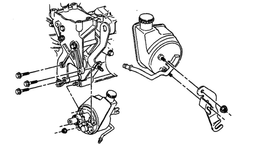
4. Install the power brake booster inlet pipe (2) to the power steering pump.

Tighten the fittings to 32 N.m (24 lb ft).

pic 6

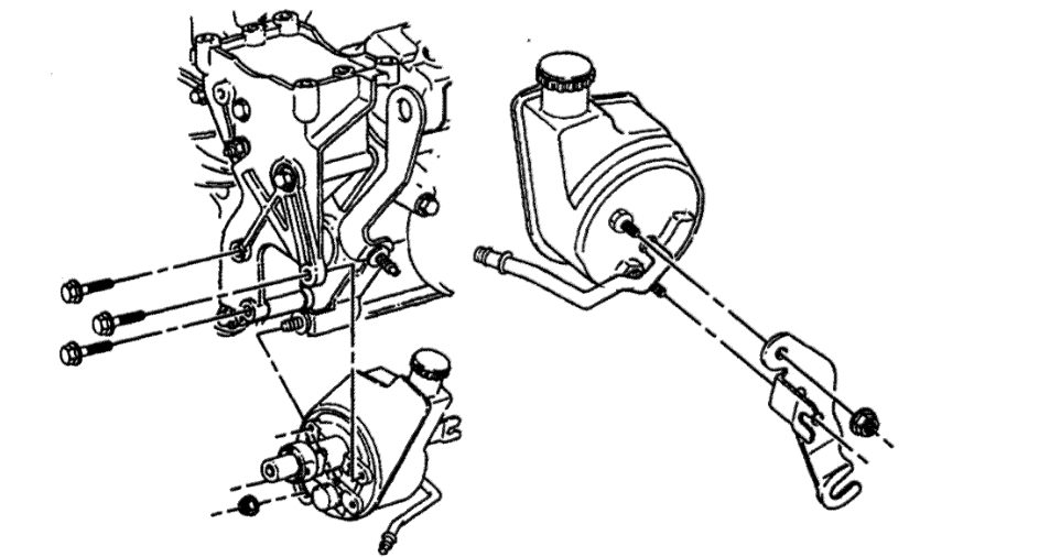
5. Install the power steering return hoses and retaining clamps (3, 5) to the power steering pump.

pic 7

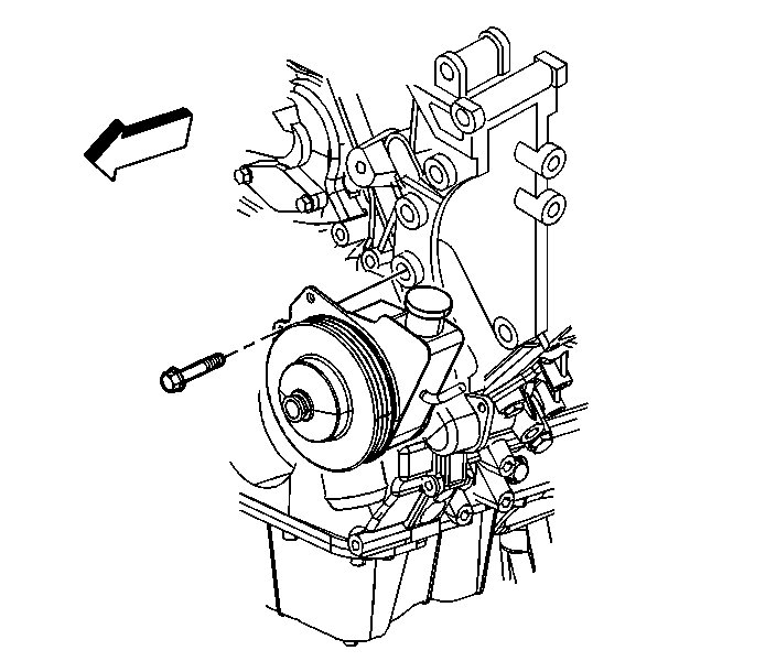
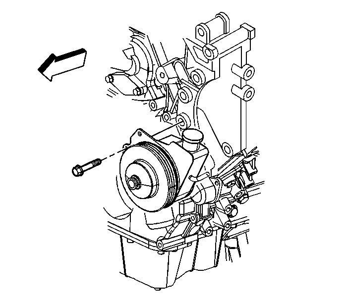
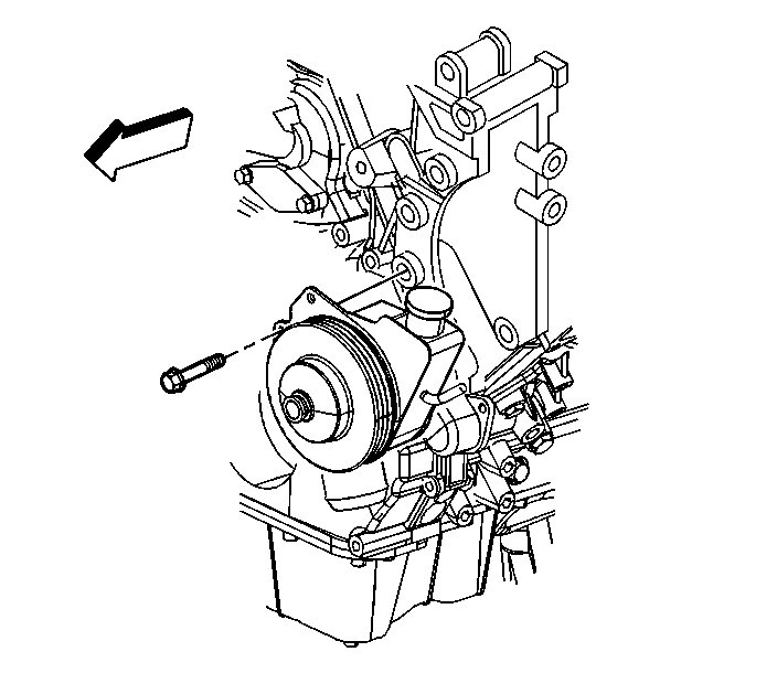
6. Reposition the power steering pump to the accessory bracket and install the bolts (1) to the rear of the power steering pump.

Tighten the rear bolts to 50 N.m (37 lb ft).

pic 8

7. Install the power steering pump front bracket bolts to the accessory bracket.

Tighten the power steering pump front bracket retaining bolts to 50 N.m (37 lb ft).

8. Fill and bleed the power steering system.

_________________________________________________________

Here are the directions specific to your truck for pulley removal. You will need a specific puller and installer for this. However, just about any nationally recognized parts store will lend / rent it to you.

2007 Chevy Truck Silverado 2500 4WD V8-6.6L DSL Turbo
Power Steering Pump Pulley Replacement
Vehicle Steering and Suspension Steering Power Steering Power Steering Pump Service and Repair Removal and Replacement Power Steering Pump Pulley Replacement
POWER STEERING PUMP PULLEY REPLACEMENT
Power Steering Pump Pulley Replacement (6.6L)

Tools Required
* J 25033-C Power Steering Pump Pulley Installer
* J 25034-C Power Steering Pump Pulley Remover

Removal Procedure

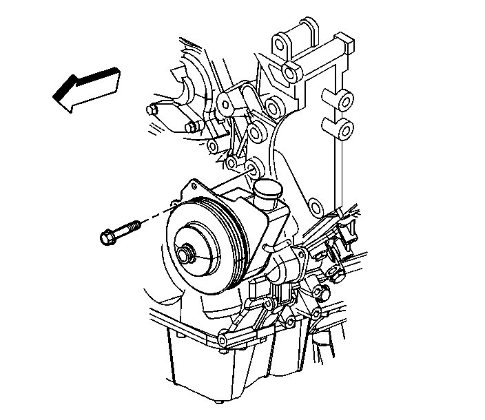
1. Remove the accessory drive belt.

pic 9

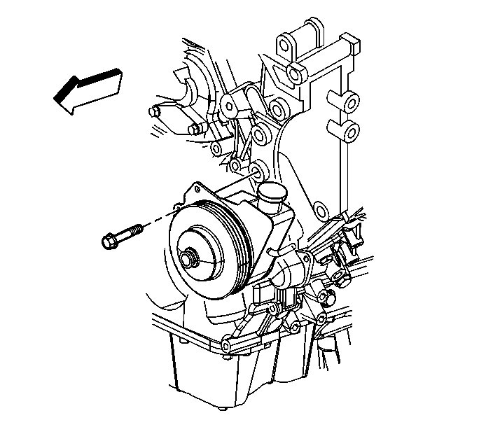
2. Remove the power steering pump front bracket bolts (1,2).

pic 10

3. Remove the power steering pump rear bracket bolts (1).
4. Pull the power steering pump away from the accessory bracket to gain access to the pulley.

pic 11

5. Use the J 25034-C to remove the power steering pump pulley.

Installation Procedure

pic 12

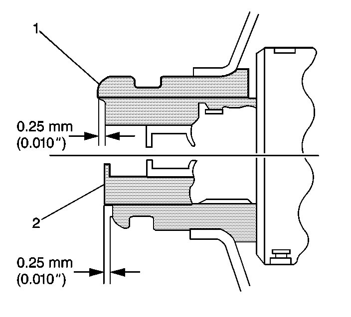
1. Place the power steering pump pulley on the end of the power steering pump shaft.
2. Install the power steering pump pulley using the J 25033-C.

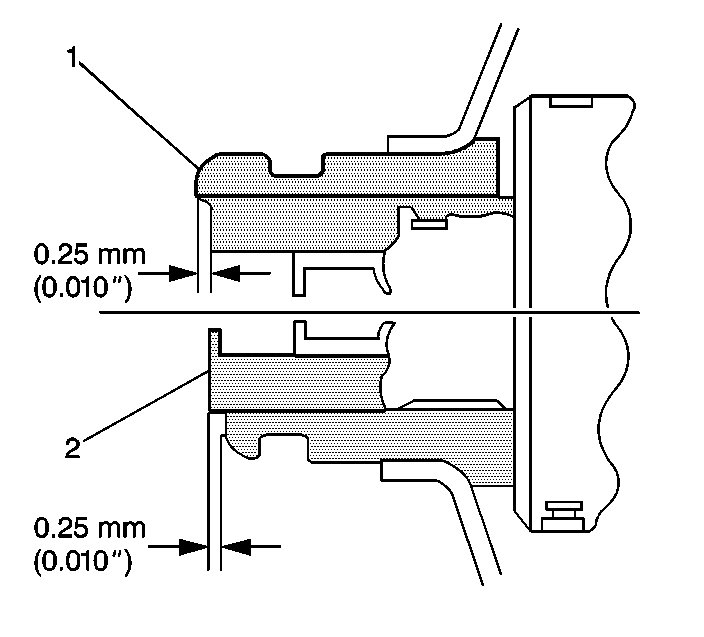
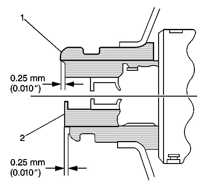
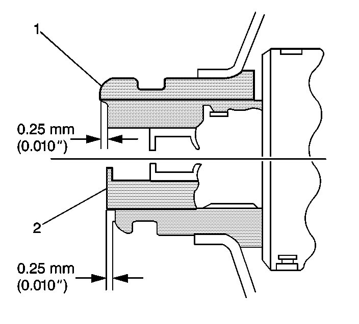
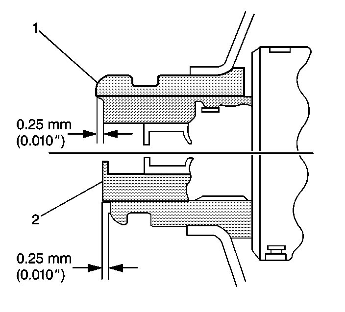
pic 13

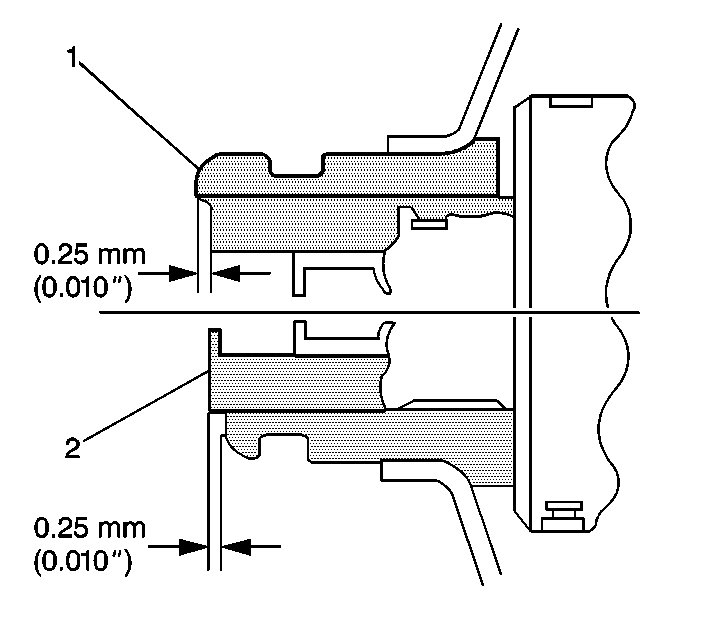
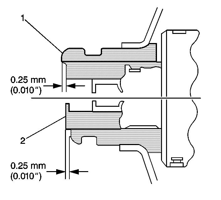
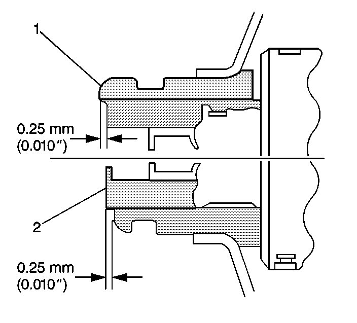
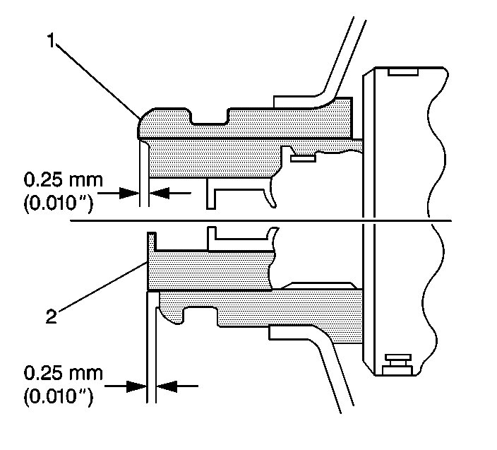
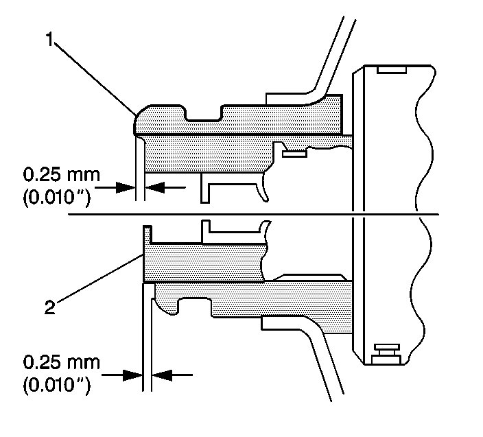
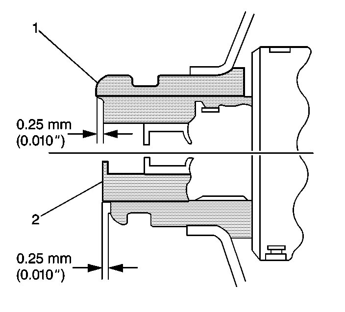
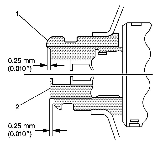
3. Ensure that the power steering pump pulley (1) is flush against the power steering pump shaft (2) with an allowable variance of 0.25 mm (0.010 in).
4. Reposition the power steering pump to the accessory bracket.

pic 14

Notice: Refer to Fastener Notice.

5. Install the power steering pump rear bracket bolts (1).

Tighten the rear bracket bolts to 50 N.m (37 lb ft).

pic 15

6. Install the power steering pump front bracket bolts (1,2).

Tighten the front bracket bolts to 50 N.m (37 lb ft).

7. Install the accessory drive belt.

__________________________

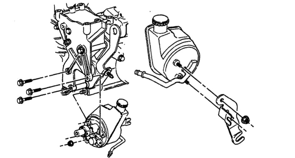
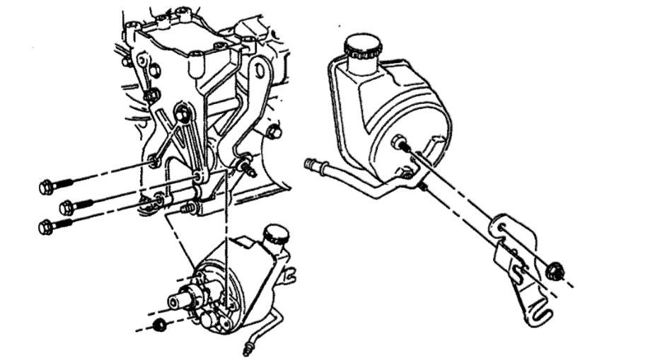
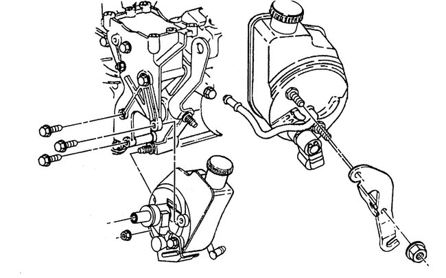
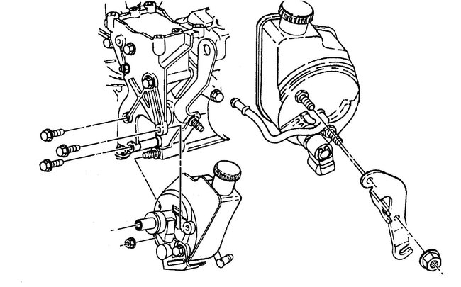
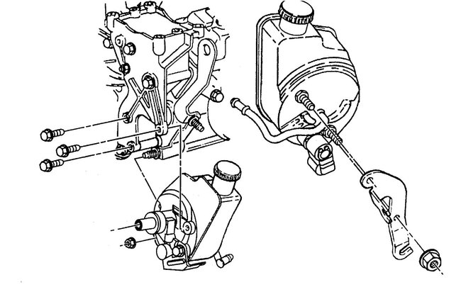
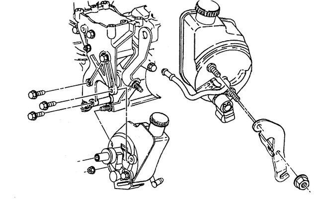
Let me know if this helps. Also, if you look at pic 16 (last pic) I included an exploded view so you can see how the power steering pump ties in with the brakes. I highlighted the power steering pump and brake master cylinder.

Take care and let me know if you need anything.

Joe
Was this
answer
helpful?
Yes
No
Tuesday, July 9th, 2019 AT 7:07 PM
Tiny
SAWMAN2424
  • MEMBER
  • 3 POSTS
Thanks Joe. Probably going to be a weekend thing. I'll let you no how it turns out. Thank you for your time and information.
Was this
answer
helpful?
Yes
No
Tuesday, July 9th, 2019 AT 7:12 PM
Tiny
JACOBANDNICKOLAS
  • MECHANIC
  • 110,192 POSTS
You are very welcome. Let me know if you run into trouble or have questions.

Take care,
Joe
Was this
answer
helpful?
Yes
No
+1
Tuesday, July 9th, 2019 AT 7:33 PM
Tiny
HALE111
  • MEMBER
  • 1 POST
  • 2000 CHEVROLET SILVERADO
  • V8
  • 4WD
  • AUTOMATIC
  • 170,000 MILES
My power steering pulley pulled out every time I turned the wheel, it threw my serpentine belt as well I removed the power steering pump and am going to buy a new one, does the new one come with a pulley? If not how do I put it on so it doesn't come off like the last one? And why would the last one have come off like that?
Was this
answer
helpful?
Yes
No
Thursday, February 25th, 2021 AT 4:32 PM (Merged)
Tiny
RHALL77
  • MECHANIC
  • 3,361 POSTS
No it does not come with with one. you will have to change it. Is the shaft coming out with it? the power steering shaft could be broken. or the pulley is worn to much.

This video shows you how to remove the pump and pulley

https://youtu.be/EXDysSOs07g

Please run down these guides and report back.
Was this
answer
helpful?
Yes
No
Thursday, February 25th, 2021 AT 4:33 PM (Merged)
Tiny
ABE.SAENZ
  • MEMBER
  • 2 POSTS
  • 1997 CHEVROLET SILVERADO
  • 4 CYL
  • 2WD
  • MANUAL
  • 221,000 MILES
How do I remove the power steering pump? The haynes book says there are only 3 bots to remove but there seem to be more that I can't find.

I've removed the drive belt, the in/out hoses and the plug on the rear of the unit and it just won't come out.

What am I missing?
Was this
answer
helpful?
Yes
No
Thursday, February 25th, 2021 AT 4:33 PM (Merged)
Tiny
BLUELIGHTNIN6
  • MECHANIC
  • 16,542 POSTS
There is also a rear support bracket, you will have to remove the lower nut to get the pump off

See diagram below
Was this
answer
helpful?
Yes
No
-1
Thursday, February 25th, 2021 AT 4:33 PM (Merged)
Tiny
ABE.SAENZ
  • MEMBER
  • 2 POSTS
I'm having trouble finding all of the mounting bracket nuts and bolts. Do you have the locations for those?
Was this
answer
helpful?
Yes
No
-1
Thursday, February 25th, 2021 AT 4:33 PM (Merged)
Tiny
BRIANHD54
  • MEMBER
  • 1 POST
  • 1996 CHEVROLET SILVERADO
  • V8
  • 2WD
  • AUTOMATIC
  • 130,000 MILES
Just replaced power steering pump but I think I have air traped in the system how do I bleed it
Was this
answer
helpful?
Yes
No
Thursday, February 25th, 2021 AT 4:39 PM (Merged)
Tiny
BLUELIGHTNIN6
  • MECHANIC
  • 16,542 POSTS
Hydraulic System Bleeding.

1. Fill reservoir to correct level. Allow fluid to settle for no less than 2 minutes. Start engine and run for 30-60 seconds, then turn off. Check fluid level and add fluid (as necessary). Repeat procedure until fluid level in reservoir remains constant.

2. Raise and support vehicle with both front wheels off ground. Start engine. Turn wheels right and left, lightly contacting stops. Check fluid level and add fluid (as necessary).

3. Lower vehicle. Turn wheels right and left, slowly from lock to lock. Turn off engine. Check fluid level and add fluid (as necessary). Lt fluid is foamy, allow vehicle to sit for a few minutes and repeat bleeding procedure.
Was this
answer
helpful?
Yes
No
+2
Thursday, February 25th, 2021 AT 4:39 PM (Merged)
Tiny
ASHLEYMCCAWLEYBROWN
  • MEMBER
  • 1 POST
  • 1996 CHEVROLET SILVERADO
  • 184 MILES
I have the lines out but cannot figure out how to get the pump itself out.
Was this
answer
helpful?
Yes
No
Thursday, February 25th, 2021 AT 4:39 PM (Merged)
Tiny
ASEMASTER6371
  • MECHANIC
  • 52,796 POSTS
Okay, yes it could be but before I replace the pump. I would flush the system completely as it may be debris from the fluid.

I would get about two gallons of fluid and flush the system. You need to remove the return lines from the pump and put them in a bucket and run the engine and add the fluid as it is running. Run it until the fluid is clean and no debris.

If that does not resolve it, then yes, replace the pump.

Roy

Remove or Disconnect

Place a drain pan below the pump.

1. Hoses. Cap the hoses.
2. Unload the tensioner assembly.
3. Drive belt.
4. Pulley.

Install J 25034-B. Be sure the pilot bolt bottoms in the pump shaft by turning the nut to the top of the pilot bolt.
Hold the pilot bolt.
Turn the nut counterclockwise.

5. Front mounting bolts.
6. Rear mounting nuts from studs.
7. Pump.
Was this
answer
helpful?
Yes
No
Thursday, February 25th, 2021 AT 4:39 PM (Merged)

Please login or register to post a reply.

Related Steering Pump Replace/Remove Content