Power steering hose diagrams?

Tiny
MWOODSIDE
  • MEMBER
  • 2001 CHEVROLET SILVERADO
  • V8
  • 4WD
  • AUTOMATIC
  • 125,000 MILES
My power steering hose on the return line blows off after you start the truck up in extremely cold weather (-5 or below). This has happened at least 4 times in the past 3 years. After the last time I added an extra clamp but this did not work.
I just took it in to a garage, the mechanic checked out the hose,
and ps radiator and said all was fine.
Any ideas what would cause this?

Mike
Friday, February 1st, 2008 AT 2:43 PM

3 Replies

Tiny
INDYUKE
  • MECHANIC
  • 416 POSTS
When it gets cold, the fluid gets very thick. And it sounds like it might not be flowing as well and so some parts of the system will be over-pressurized.
Was this
answer
helpful?
Yes
No
Tuesday, July 9th, 2019 AT 3:57 PM
Tiny
SKINEZAC
  • MEMBER
  • 1 POST
  • 2000 CHEVROLET SILVERADO
  • V8
  • 4WD
  • AUTOMATIC
  • 130,000 MILES
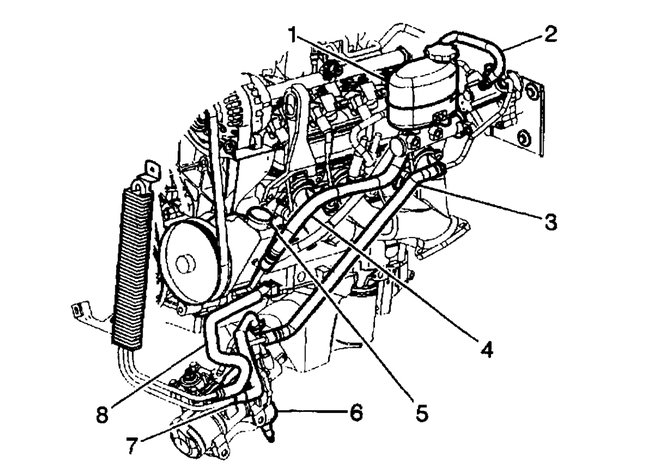
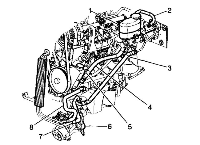
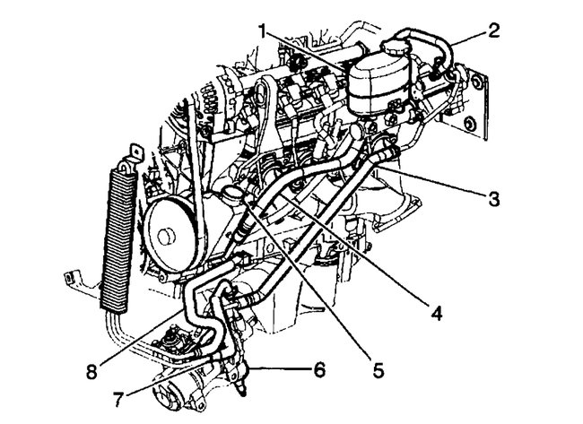
Is there a diagram for the hoses of a steering pump for my truck
Was this
answer
helpful?
Yes
No
-4
Tuesday, May 26th, 2020 AT 5:30 PM (Merged)
Tiny
DENNYP
  • MECHANIC
  • 1,824 POSTS
It should only have two hoses. A pressure and a return hose, unless you have a hydro-boost brake system. Check out the diagrams (Below). Please let us know if you need anything else to get the problem fixed.
Was this
answer
helpful?
Yes
No
+5
Tuesday, May 26th, 2020 AT 5:30 PM (Merged)

Please login or register to post a reply.