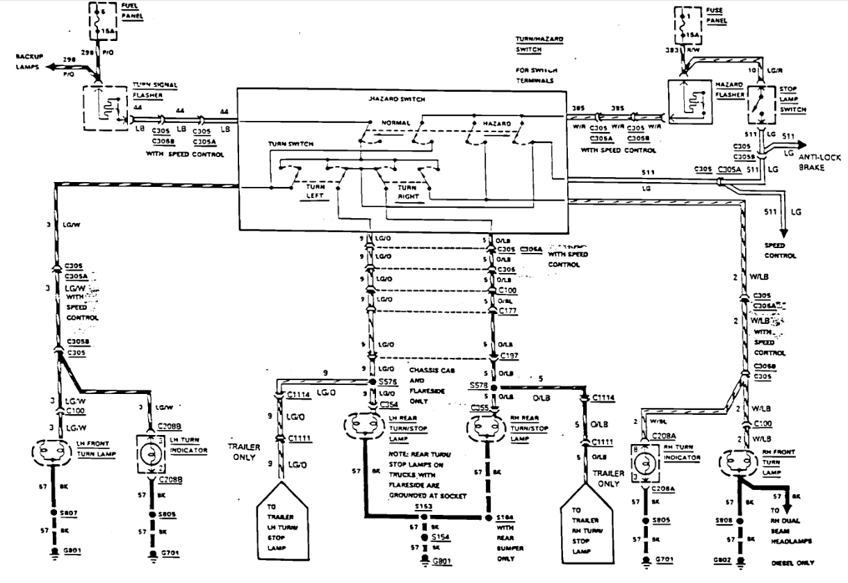
Thursday, November 28th, 2024 AT 12:23 PM
My right-side brake light is not working, along with my reverse lights and my blinkers. They were working before and now they don’t. I replaced my brake light bulb and still nothing. Please help.



