We replaced the front rotors and pads.
The left front caliper was removed from the car and worked on at the bench until it began to move freely, then reinstalled.
We were careful not to let the reservoir get too low.
We bled the system and seemed to have full pedal back.
When we start the car, it says to check the brakes.
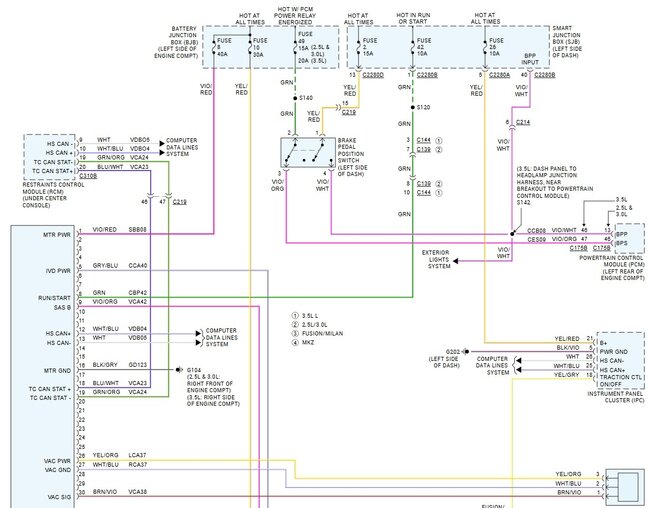
Willy is proficient in working on brakes, but unfamiliar with this newer vehicle. What can we check?
Tuesday, March 25th, 2025 AT 3:27 PM



