Apply the brakes I get a vibration on my brake pedal

Tiny
LEKE
  • MEMBER
  • 2012 TOYOTA COROLLA
  • 1.8L
  • 4 CYL
  • FWD
  • AUTOMATIC
  • 82,565 MILES
Whenever I accelerate up to 120km/h and I apply the brakes I get a vibration on my brake pedal. They say I need new front wheel speed sensors can you help me please?
Monday, February 27th, 2017 AT 12:18 PM

1 Reply

Tiny
ASEMASTER6371
  • MECHANIC
  • 52,796 POSTS
Good afternoon,

This condition indicates you have warped rotors, not bad sensors. They will not cause this condition at all.

I attached the procedure below for you for the repair.

https://www.2carpros.com/articles/how-to-replace-front-brake-pads-and-rotors-fwd

Roy

BRAKE (FRONT): FRONT BRAKE: REMOVAL; 2010 MY Corolla [01/2009 - ]
HINT:

Use the same procedure for the LH side and RH side.
The following procedure listed is for the LH side.
REMOVE FRONT WHEEL
DRAIN BRAKE FLUID
NOTICE:

Immediately wash off any brake fluid that comes into contact with any painted surfaces.

DISCONNECT FRONT FLEXIBLE HOSE
Remove the union bolt and gasket, and separate the front flexible hose from the disc brake cylinder assembly.

image
REMOVE DISC BRAKE CYLINDER ASSEMBLY
Hold the front disc brake cylinder slide pin and remove the 2 bolts and disc brake cylinder assembly.

image
REMOVE FRONT DISC BRAKE PAD
Remove the 2 disc brake pads from the disc brake cylinder mounting.

image
REMOVE FRONT ANTI-SQUEAL SHIM
Remove the 2 No. 1 anti-squeal shims and 2 No. 2 anti-squeal shims from the brake pads.
REMOVE FRONT DISC BRAKE PAD SUPPORT PLATE
Remove the 2 No. 1 disc brake pad support plates and 2 No. 2 disc brake pad support plates from the front disc brake cylinder mounting.

image
NOTICE:

Each front disc brake pad support plate has a different shape. Be sure to put an identification mark on each front disc brake pad support plate so that it can be reinstalled to its original position.

REMOVE FRONT DISC BRAKE CYLINDER SLIDE PIN
Remove the No. 1 front disc brake cylinder slide pin and No. 2 front disc brake cylinder slide pin from the disc brake cylinder mounting.

image
REMOVE FRONT DISC BRAKE CYLINDER SLIDE BUSHING
Using a screwdriver, remove the front disc brake cylinder slide bushing from the No. 2 front disc brake cylinder slide pin.

image
NOTICE:

Do not damage the No. 2 front disc brake cylinder slide pin.

HINT:

Tape the screwdriver tip before use.

REMOVE FRONT DISC BRAKE BUSHING DUST BOOT
Remove the 2 front disc brake bushing dust boots from the disc brake cylinder mounting.

image
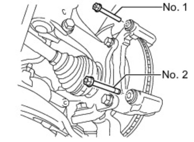
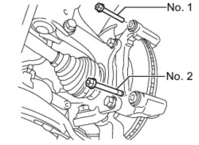
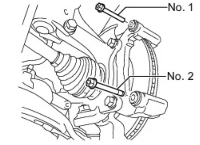
REMOVE FRONT DISC BRAKE CYLINDER MOUNTING
Remove the 2 bolts and front disc brake cylinder mounting from the steering knuckle.

image
REMOVE FRONT DISC
Put matchmarks on the disc and the axle hub, and remove the front disc.

image
Was this
answer
helpful?
Yes
No
Friday, March 19th, 2021 AT 12:58 PM

Please login or register to post a reply.