Brake lights not working

Tiny
RENAEGRIM
  • MEMBER
  • 2000 DODGE CARAVAN
  • 3.0L
  • V6
  • 2WD
  • AUTOMATIC
  • 189,000 MILES
When I push the brake pedal the brake lights don't come on, but all of the rear lights work when I turn the headlights on. I'm thinking it's probably the brake switch but wanted a second opinion
Thursday, May 26th, 2022 AT 3:12 PM

1 Reply

Tiny
JACOBANDNICKOLAS
  • MECHANIC
  • 110,194 POSTS
Hi,

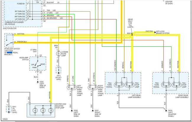
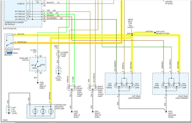
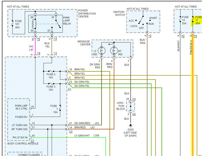
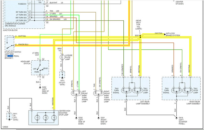
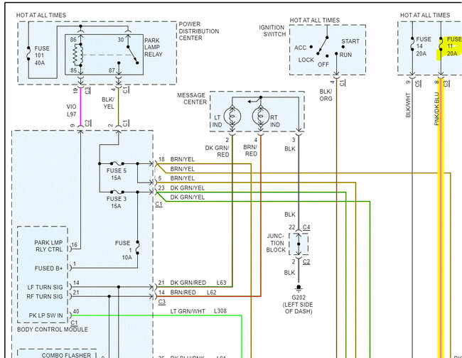
If none of the brake lights are working, check fuse 11 in the under-hood fuse box. If the fuse is good, confirm there is power to and from it. If there is, chances are it is the switch. Here is a link explaining how to test for power:

https://www.2carpros.com/articles/how-to-check-a-car-fuse

The switch is located under the dash at the top of the brake pedal. There will be two wires going to it. One is white with a tan tracer that sends power to the bulbs and the other is pink with a dark blue tracer that is the power supply from fuse 11. To confirm the switch is bad, confirm there is power to the pink/dark blue wire. It should have 12v at all times. If you do, actuate the brake pedal and check the white/tan wire for power with the brake pedal pressed. If there is power in and not out from the switch, replace the switch.

I attached the wiring schematic below for you to reference and highlighted the wiring involved.

Let me know what you find or how I can help.

Take care,

Joe

See pics below.
Was this
answer
helpful?
Yes
No
Thursday, May 26th, 2022 AT 8:15 PM

Please login or register to post a reply.