Brake Warning Light Turns on When Applying Brakes?

Tiny
THANVAS
  • MEMBER
  • 2007 TOYOTA RAV4
  • 3.5L
  • 6 CYL
  • 120,000 MILES
When I apply the brakes, the brake warning light turns on and goes away sometimes. This is the same light as the parking brakes. This will happen when I'm driving or when I'm not moving. If it happens when I'm driving the brakes pulsate and sometimes the warning brake lights will stay on and when I step on the brakes the brake warning lights will go away. This problem started after I changed the master cylinder, brake booster, and brake calipers. If I remove fuse to the abs module the problem goes away. There is no abs or vsc light on. Its strange that there are no code, but when I run a signal check im getting 11 Trouble code, all seems to be related to the abs functionality. Zero point calibration executed successfully. I'm not sure what else to try. I uploaded the codes.

C0371
C1271
C1272
C1273
C1274
C1275
C1276
C1278
C1281
C1379
Monday, February 19th, 2024 AT 8:59 AM

9 Replies

Tiny
THANVAS
  • MEMBER
  • 46 POSTS
I also checked the wheel speed sensors with live data and they appear to good.
Was this
answer
helpful?
Yes
No
Monday, February 19th, 2024 AT 9:04 AM
Tiny
THANVAS
  • MEMBER
  • 46 POSTS
I checked brake fluids and it's full.
Was this
answer
helpful?
Yes
No
Monday, February 19th, 2024 AT 9:06 AM
Tiny
THANVAS
  • MEMBER
  • 46 POSTS
Brakes work great, the only problem is this brake warning light issue that puts the ABS module in a bad state.
Was this
answer
helpful?
Yes
No
Monday, February 19th, 2024 AT 9:07 AM
Tiny
THANVAS
  • MEMBER
  • 46 POSTS
Someone posted this similar problem on another forum, it's almost the same as what my symptoms are. "2005 SR5
2005 SR5, 4WD.
I recently upgraded my front brakes to 13.3" rotors, so I replaced the dust shields, rotors and calipers and manually bled the brakes. No problem braking, but the skid light, VSC OFF, VSC TRAC, and ABS lights came on. I did a Zero Point Calibration and an ABS light reset, and while I have no dash lights up, the brake assist randomly kicks in when braking, either lightly or firmly. My mechanic used and ABS reader and didn't find any issues or codes. Real-time wheel speed is okay, so no sensor or sensor ring issues. Had to disconnect the front ABS sensors to deliberately fail the system so I can stop normally. I can't find anything online about the brake assist, a.K.A. Electronic Brakeforce Distribution or EBD. Anyone else have this issue?"
Was this
answer
helpful?
Yes
No
Monday, February 19th, 2024 AT 9:12 AM
Tiny
KEN L
  • MASTER CERTIFIED MECHANIC
  • 55,522 POSTS
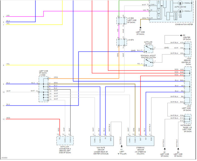
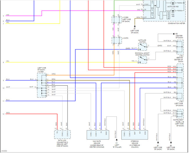
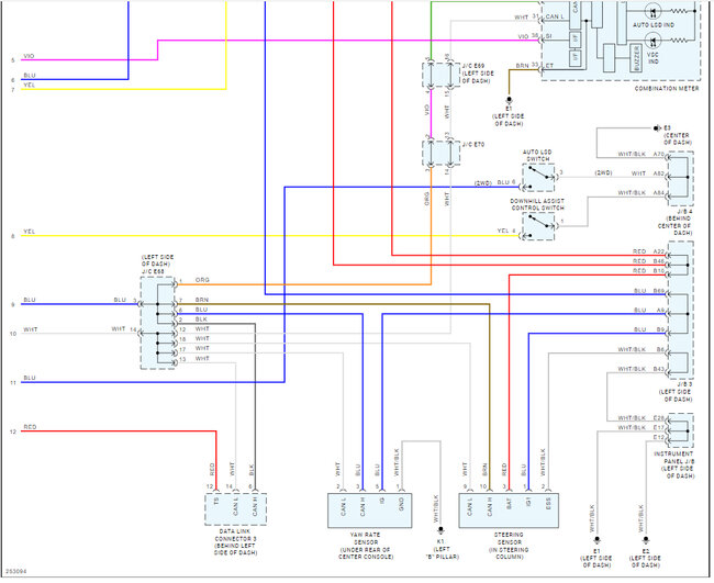
So, you didn't mess with any of the wheel speeds sensors, front or rear? These are codes for both front and rear and if no work was performed on the rear of the car, I would say the ABS module has gone out. When you did the booster and master you could have disconnected one of the wiring connectors or damaged the wiring or connector. Here is the location of the module so you can check it out. It could be that disturbing the brake system caused the ABS module to go out as well. Check out the images (below). Please upload pictures or videos in your response to the problem so we can see what's going on.
Was this
answer
helpful?
Yes
No
Monday, February 19th, 2024 AT 11:02 AM
Tiny
THANVAS
  • MEMBER
  • 46 POSTS
Thanks for all the diagrams. I didn't have to remove the speed sensors when I was working on the brakes, but I did have to disconnect and remove the abs module to get the booster out. I actually bought another ABS module and installed it to test if the module was bad, but when I installed it, my scanner tool couldn't communicate with it to do any calibration, so I put back the original.
Was this
answer
helpful?
Yes
No
Monday, February 19th, 2024 AT 2:51 PM
Tiny
KEN L
  • MASTER CERTIFIED MECHANIC
  • 55,522 POSTS
Hmm, it sounds like the electrical connector got damaged or some of the pins got pulled out. Can you upload an image of the connector on the terminal side? If okay, it sounds like you will need an ABS module. But let's check the grounds to the system. Here is a guide to help and the ABS module wiring diagrams to you can see which wires to test:

https://www.2carpros.com/articles/how-to-use-a-test-light-circuit-tester

Check out the images (below). Please let us know what happens.

Was this
answer
helpful?
Yes
No
Tuesday, February 20th, 2024 AT 10:31 AM
Tiny
THANVAS
  • MEMBER
  • 46 POSTS
Thank you very much for the diagrams. This will be helpful. I'll let you know what I find.
Was this
answer
helpful?
Yes
No
Wednesday, February 21st, 2024 AT 5:14 AM
Tiny
KEN L
  • MASTER CERTIFIED MECHANIC
  • 55,522 POSTS
You are welcome.
Was this
answer
helpful?
Yes
No
Thursday, February 22nd, 2024 AT 11:32 AM

Please login or register to post a reply.