Brake/turning signal

Tiny
SWATCHUK
  • MEMBER
  • 2008 DODGE CARAVAN
  • 4 CYL
  • 2WD
  • AUTOMATIC
  • 170,000 MILES
Hi there. I cannot seem to resolve an issue with my turning/brake signal on the passenger side. When I went to change the bulb (of course thinking that it just went out) I noticed that it wasn't burnt out. I went ahead and changed it and it still wasn't working, I double checked that I purchased the correct on and I did. I then checked my fuse box under the hood and used the diagram under the lid as reference and the fuse seemed fine. In my frustration I then checked every fuse under the hood that was light related and no one of them appeared to be burnt out. I have checked the wire connections that go from the fixture to inside the van and nothing was frayed, exposed or anything of that sort. I have also checked the contacts inside the fixture and everything seems to be fine there as well, nothing seems loose or have corrosion. I also tried wiggling the bulb while someone pressed the brake and it wasn't wanting to turn on.

My question is, what can I do next? Would the fuse be under the dash and if so where would it be? I looked in the standard spot and did not see anything. Thank you
Tuesday, April 30th, 2019 AT 2:50 PM

1 Reply

Tiny
STEVE W.
  • MECHANIC
  • 15,613 POSTS
Hello and welcome to 2CarPros.
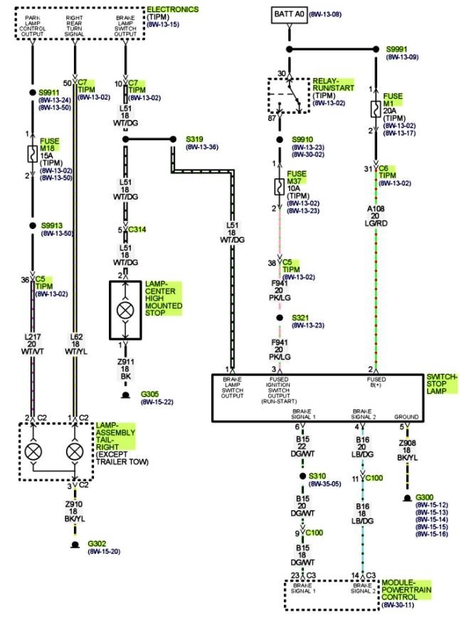
The only fuse panel is the TIPM under the hood where you found the others. It is the main electrical controller for the entire van. The problem is that if it turns out that the failure isn't a bad connection at the tail light or a bad wire the entire TIPM has to be replaced to repair the problem. They are not a cheap part.
So the first thing I would suggest is to remove the offending lamp and get a test light to do some tests.
You should see three wires, White with Violet stripe, White with yellow stripe and a black with yellow stripe or just Black depending on options.
The black with yellow is the ground for the lamp.
The white with yellow stripe is the turn and brake filament power.
The white with violet is the marker lamp power.

With the lights on and the test lamp connected to a good ground you should have battery voltage on the White w violet.
With the lights off and someone stepping on the brake or the turn signal on, there should be power on the White w yellow wire.
If both of those test okay then the ground wire may be corroded or broken. It connects to the base of the pillar with a screw. They can rust off or corrode. The easy way to test that would be to turn on the lights, connect the test light to the ground wire and the White w violet power feed. If it doesn't light it's a bad ground.

If the wires all check out then it may be a failed socket. They can corrode inside the rubber.

Now if the wires do not check out, you will need to go to the TIPM and verify that the fuses are good. The test light is good for this. Just hook one side to the battery negative and turn on the key. Then touch the light to each of the tabs sticking up on the fuses. A good fuse should light on both sides of the fuse. If the fuses all check good but still no light then you can test those same wires at the TIPM or unfortunately replace it.
Was this
answer
helpful?
Yes
No
Tuesday, April 30th, 2019 AT 11:58 PM

Please login or register to post a reply.