Brake pedal position sensor?

Tiny
BRIAN BAKER
  • MEMBER
  • 2017 GMC SIERRA
  • 6.2L
  • V8
  • 4WD
  • AUTOMATIC
  • 71,000 MILES
When driving, my brake lights do not turn on unless brake pedal is pressed at least half way. When using a scan tool, I can see the ECM voltage change state from 1V (not pressed) to 2V when pressed. It seems like there is a communication problem with the BCM. How do I determine if there is a wire harness problem or BCM problem?
Sunday, March 23rd, 2025 AT 2:05 PM

12 Replies

Tiny
BRIAN BAKER
  • MEMBER
  • 7 POSTS
I have a Stabilitrak and Steering Assist warning light/message. The following codes are present too, U0073-00, U0077-00, C0277-4B.
Was this
answer
helpful?
Yes
No
Monday, March 24th, 2025 AT 4:20 AM
Tiny
STEVE W.
  • MECHANIC
  • 15,688 POSTS
There should be a larger voltage change. The first thing I would do is a brake position relearn. You use the scan tool to go into the BCM functions and enter the recalibration menu for the sensor then follow the prompts and it will reset the parameters. Now test and see if it is working correctly. If it still isn't then I would Remove the wire connector from the sensor and look for corrosion. If there is no corrosion, the easiest way to test would be a new sensor. They do fail quite often. If you have the adjustable pedal assembly, look at the harness to the pedal frame for chaffing.
Was this
answer
helpful?
Yes
No
Monday, March 24th, 2025 AT 9:15 AM
Tiny
BRIAN BAKER
  • MEMBER
  • 7 POSTS
The sensor has been replaced. No evidence of corrosion on the old sensor. I will look for corrosion in the wire harness connector and check for chaffing on the wire harness insulation. The scan tool doesn't seem to be communicating with the sensor.
Was this
answer
helpful?
Yes
No
Tuesday, March 25th, 2025 AT 4:28 AM
Tiny
STEVE W.
  • MECHANIC
  • 15,688 POSTS
Depends on the scan tool as to what they show and where. Some hide things in odd places. What tool do you have?
Was this
answer
helpful?
Yes
No
Tuesday, March 25th, 2025 AT 9:14 PM
Tiny
BRIAN BAKER
  • MEMBER
  • 7 POSTS
I have an Innova 5610. It is in the Special Functions menu under the ECM section.
Was this
answer
helpful?
Yes
No
Wednesday, March 26th, 2025 AT 10:52 AM
Tiny
STEVE W.
  • MECHANIC
  • 15,688 POSTS
Okay, that's a more advanced DIY level tool. However, it may still lack all of the tests and PID displays. Very common, it's why I have a stack of scan tools. Not uncommon to find that one covers a particular vehicle better than the other. Or that one has a test or program function the other doesn't. Even the factory tool have gaps like that.
Looking online I see they claim it cannot do the parking brake reset. Which is what I was going to suggest you try to see if the EPB module was communicating properly.
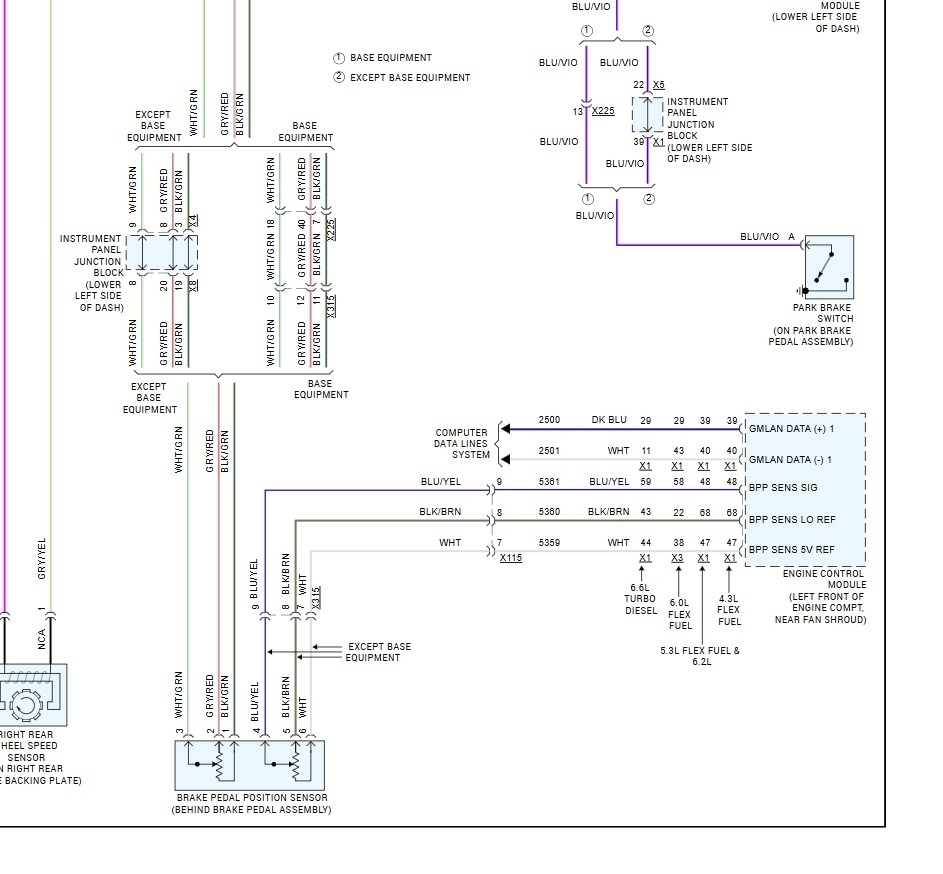
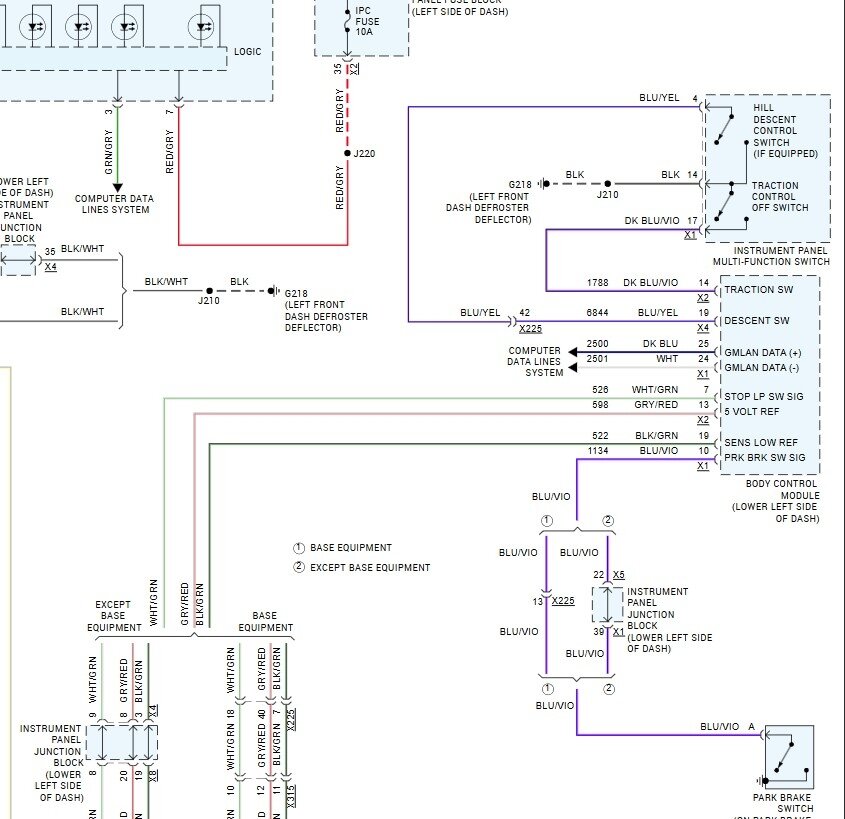
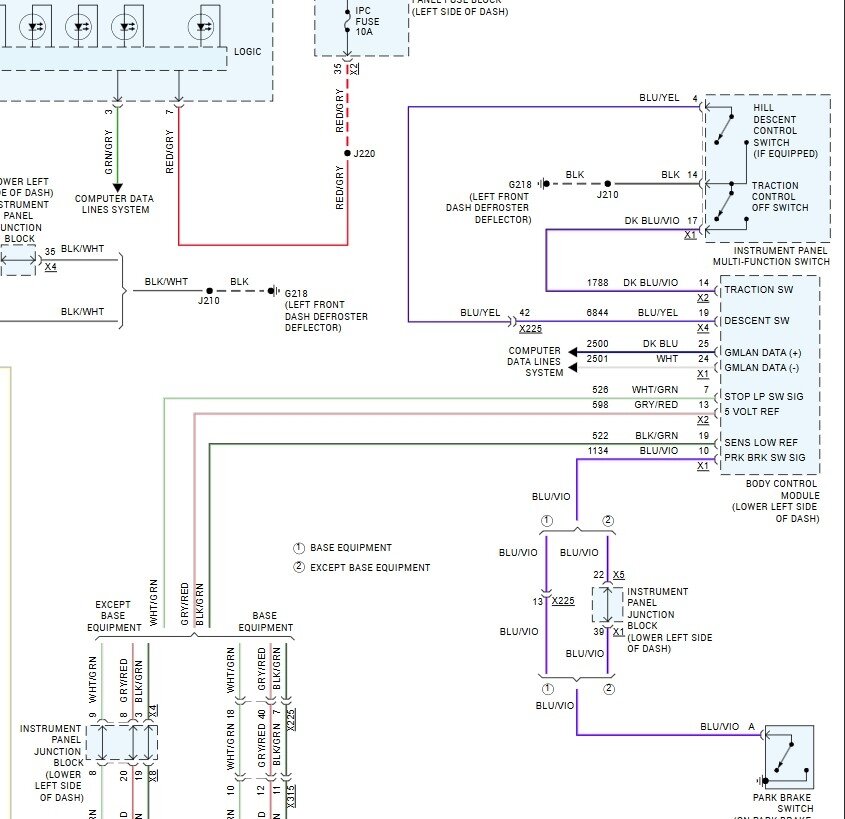
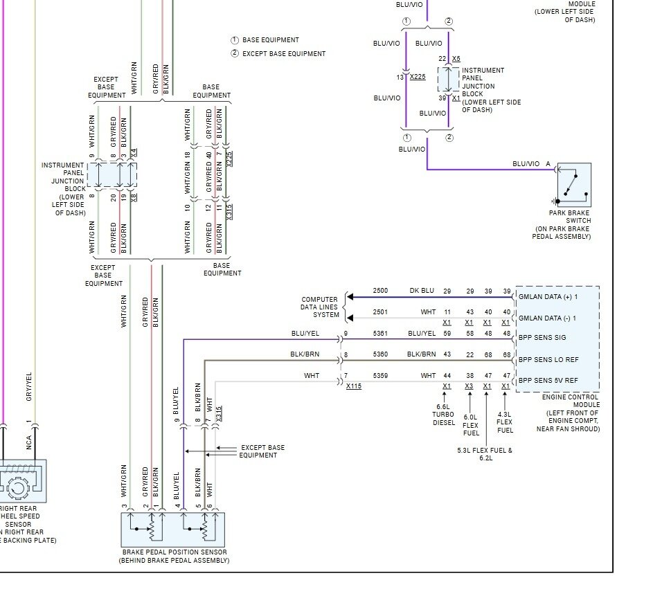
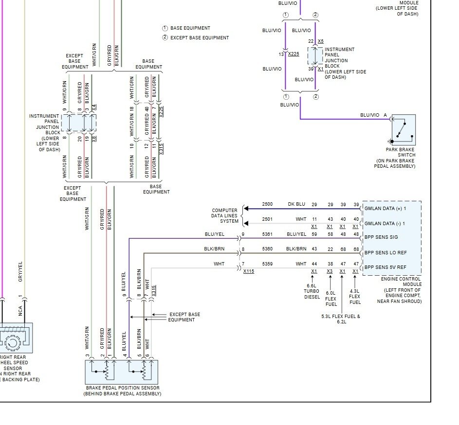
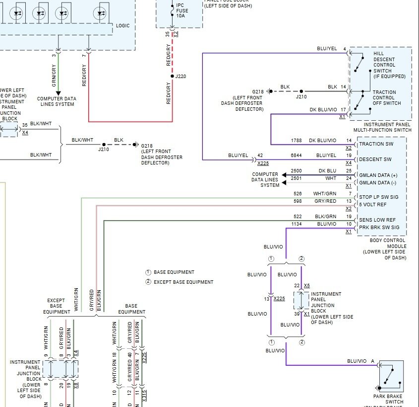
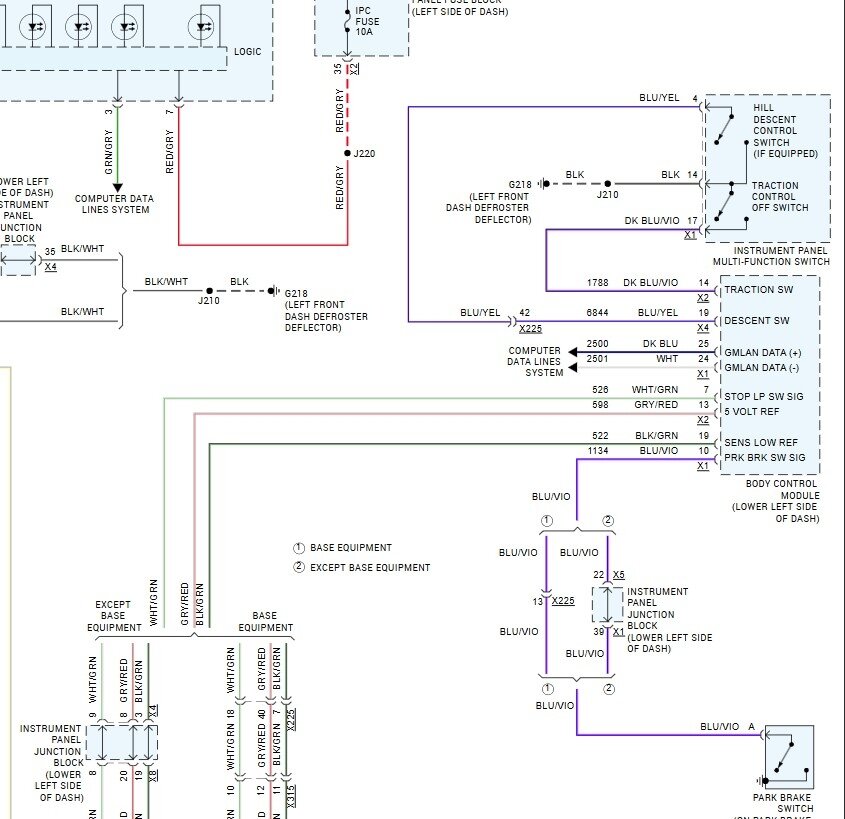
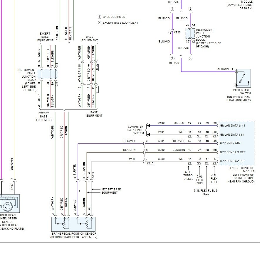
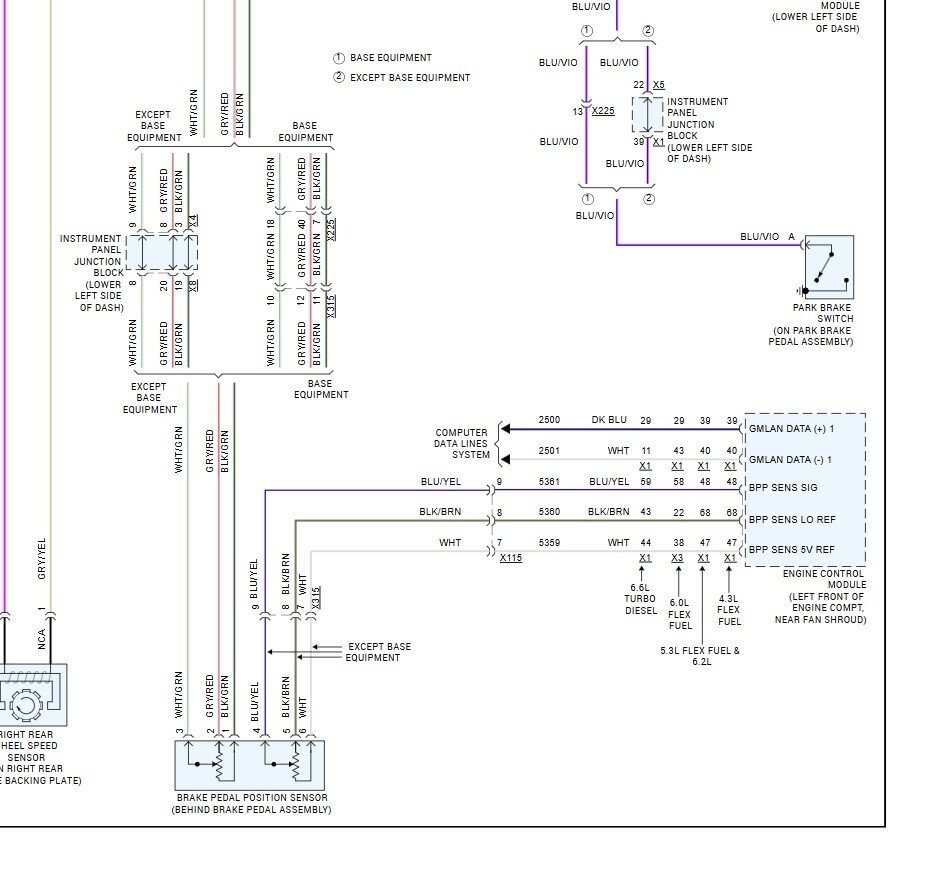
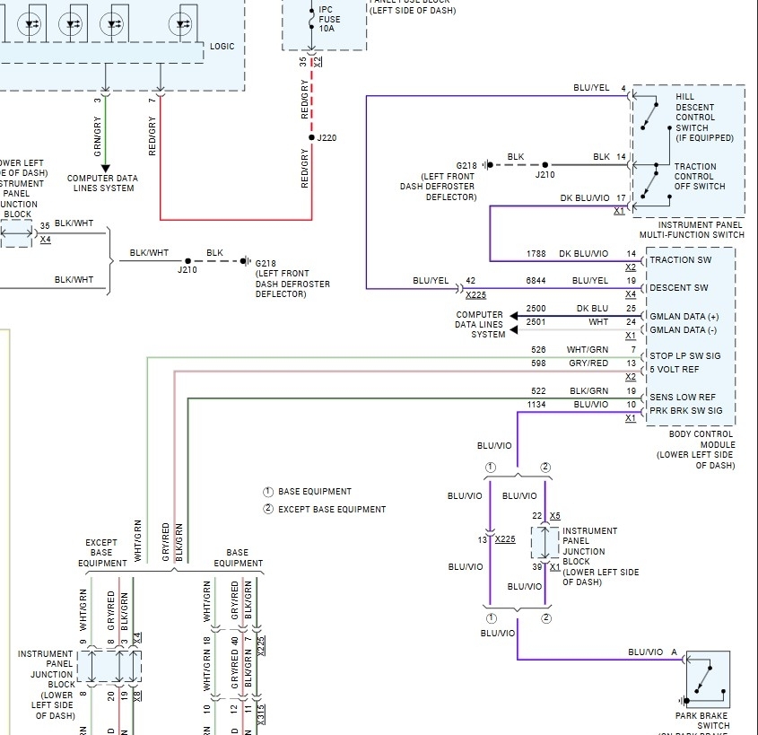
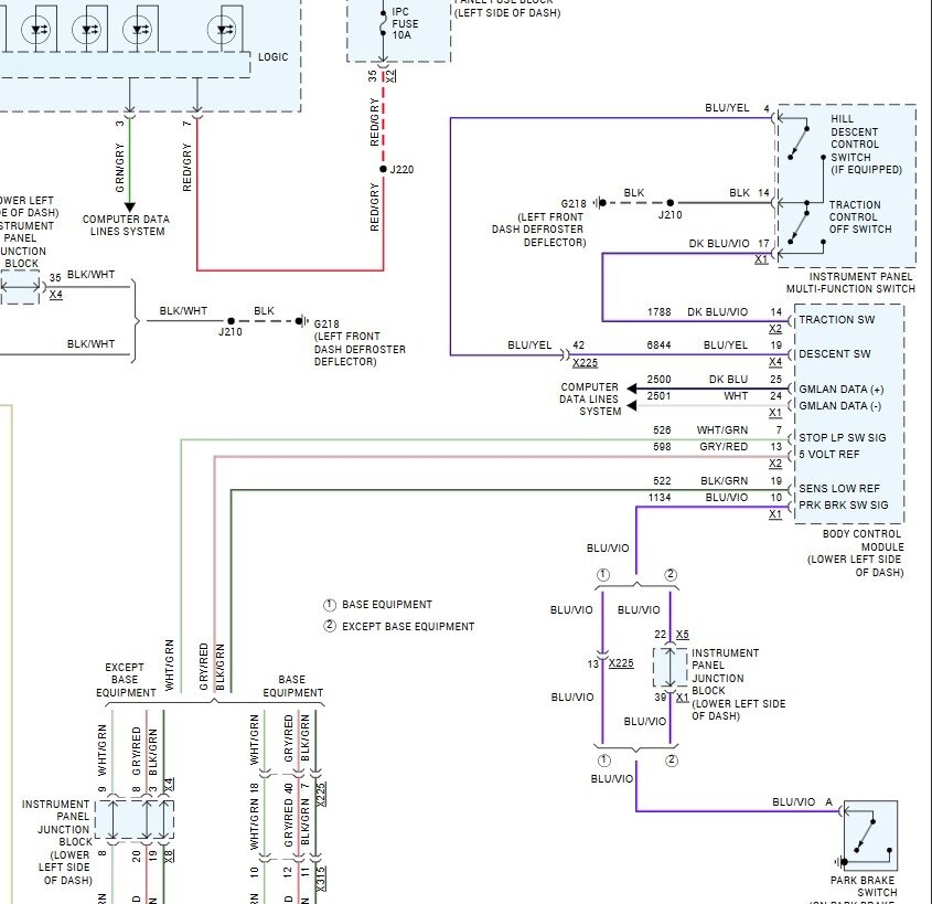
So, we can go with a bit more old school. Attached are the wiring for the sensor. It is essentially 2 potentiometers in one housing. If you pull the connector off and use a meter for testing, you should measure 5 volts on the White wire at pin 6 and at the gray wire with red stripe at pin 2. There should be a ground at pins 1 Black w green and 5 black with brown.
Pins 3 and 4 are the signal voltages out to the BCM and the ECM. Probably the easiest way to test those would be to measure the voltages by back probing each pin with the sensor installed. To do that you need something like a sewing needle that you push into the connector to hit the metal pins from the outside, it allows you to measure the item with it in circuit and powered.

This video is a good one for that process and that kit shown is very handy as well:

https://www.youtube.com/watch?v=TS9Dr1Rx6Lk

Now you measure the 5 volts at the pins with it disconnected. Measure again with it connected, do you still have the same voltage? If not, there is a problem between the connector and the BCM or ECM, to tell which just look at the wire color the White wire comes from the ECM, the gray with red comes from the BCM. Similar testing with the grounds. Then check the signal outputs. Those should show a voltage between 5 volts and ground if they can go full travel, but most don't move that far (that is what the reset does, it erases the BCM and ECM values for upper and lower voltages so they can learn the voltages from the actual sensor installed.) So, you measure the voltages from the two signal pins. Then go to the ECM and see if it has the same readings at its end. Same with the BCM. If you have the 5-volt reference at the sensor with it plugged in, and the grounds are good at the sensor. You should be able to determine if it's the sensor, the wiring or the BCM or ECM using the numbers you get.

Was this
answer
helpful?
Yes
No
Wednesday, March 26th, 2025 AT 7:03 PM
Tiny
BRIAN BAKER
  • MEMBER
  • 7 POSTS
Thank you for the detailed test instructions. I'll perform these checks and respond on my findings. Hopefully the weather in Michigan will warm up.
Was this
answer
helpful?
Yes
No
Thursday, March 27th, 2025 AT 5:17 AM
Tiny
STEVE W.
  • MECHANIC
  • 15,688 POSTS
Yeah, I was watching the snowman cam, looked a bit cold up that way. We will be here when you thaw out.
Was this
answer
helpful?
Yes
No
Thursday, March 27th, 2025 AT 6:32 AM
Tiny
BRIAN BAKER
  • MEMBER
  • 7 POSTS
I measured 5V with the wire harness disconnected. The back probing was challenging due to the work area and novice skills. I didn't get any readings from back probing, so I'm going to have to try again.
Was this
answer
helpful?
Yes
No
Monday, March 31st, 2025 AT 10:16 AM
Tiny
STEVE W.
  • MECHANIC
  • 15,688 POSTS
No rush, we'll be here. Sounds like you have at least one voltage though.
Was this
answer
helpful?
Yes
No
Monday, March 31st, 2025 AT 10:57 AM
Tiny
BRIAN BAKER
  • MEMBER
  • 7 POSTS
Hello. I broke down and brought it to a local shop with a better scan tool. They had to reprogram the BCM. I'm not sure what would have caused it to fail or get corrupted, but all the messages, traction control light and codes are now green.
Was this
answer
helpful?
Yes
No
Monday, April 21st, 2025 AT 4:42 PM
Tiny
STEVE W.
  • MECHANIC
  • 15,688 POSTS
Thanks for the update.
Was this
answer
helpful?
Yes
No
Monday, April 21st, 2025 AT 6:17 PM

Please login or register to post a reply.