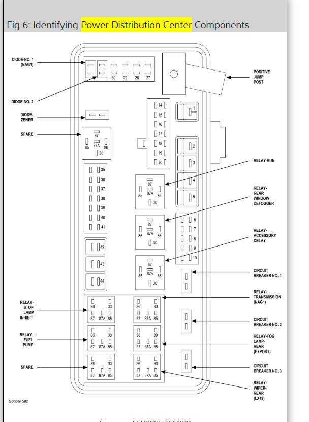
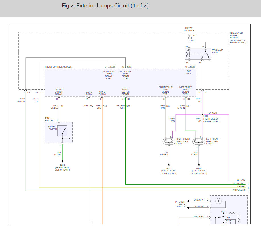
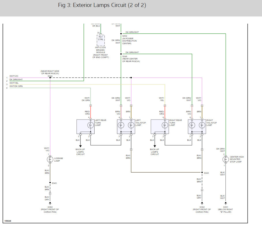
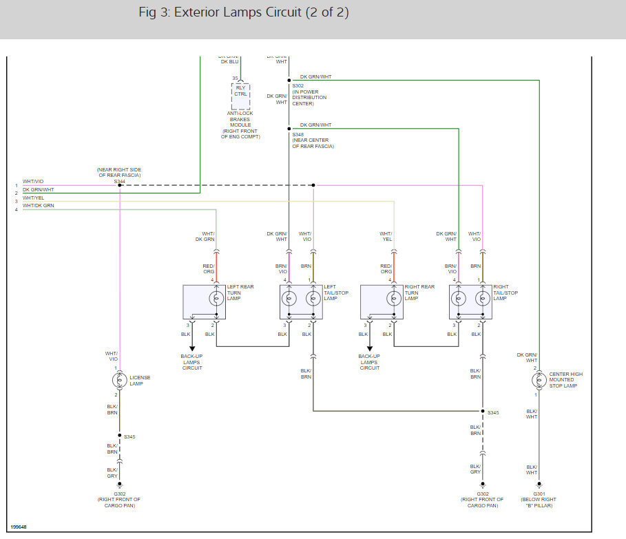
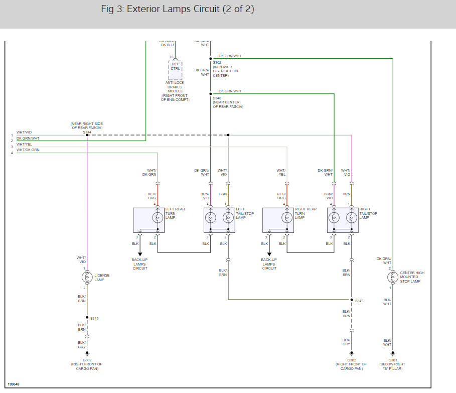
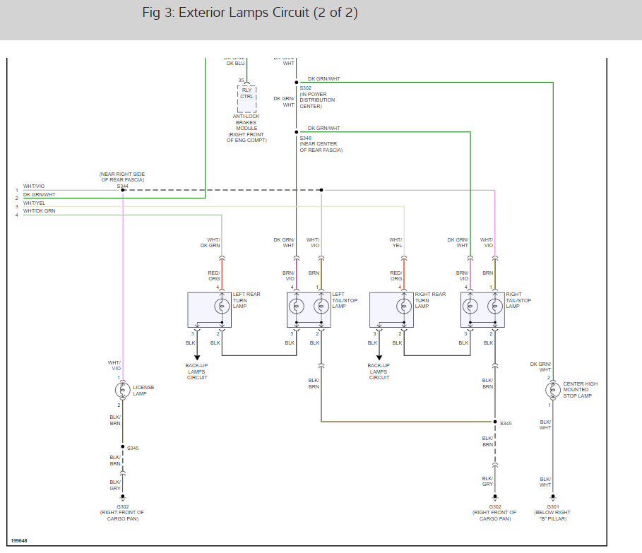
Saturday, July 20th, 2019 AT 9:00 PM
At first I had only the park light working, but no brake light, replaced the bulb. Now no park/brake light on the driver side rear. The passenger side works fine. What could it be, wouldn’t a fuse operate both lights? I’m confused. Also I’m not real good with electrical or diagrams. So explain it as if you were talking to student for the first time.













