Monday, October 31st, 2022 AT 2:41 PM
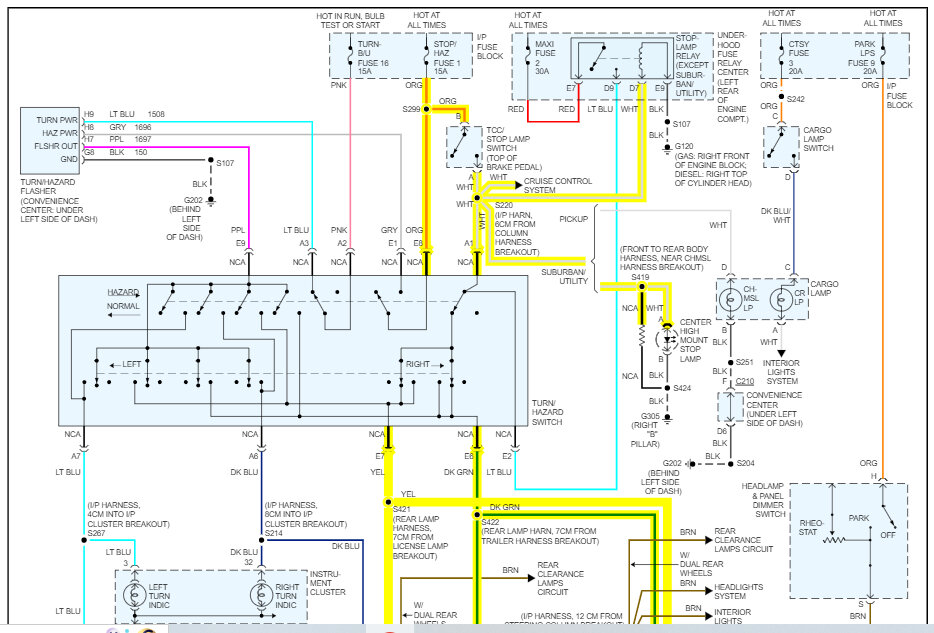
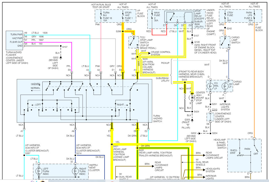
I bought this truck dirt cheap, runs and drives like a dream. The wiring for the rear lights was all cut up and all over the place, the actual plugs are gone, so I had to splice everything to make it work. And eventually after a few fuses and such I got the running lights, the signals/hazards and the reverse lights working. But I can’t seem to get the brake lights to work. I’ve been going crazy. All the fuses are okay, and I even changed out the brake switch but nothing. I’m about to lose my head over this. Any help would be appreciated.



