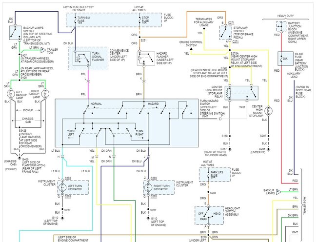
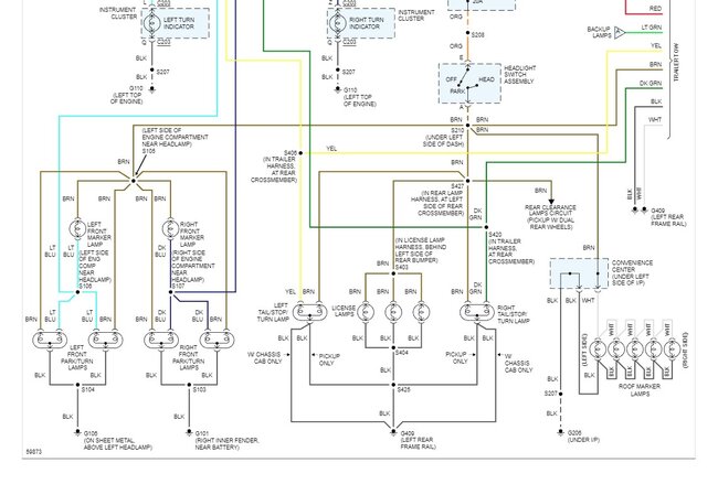
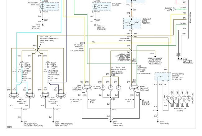
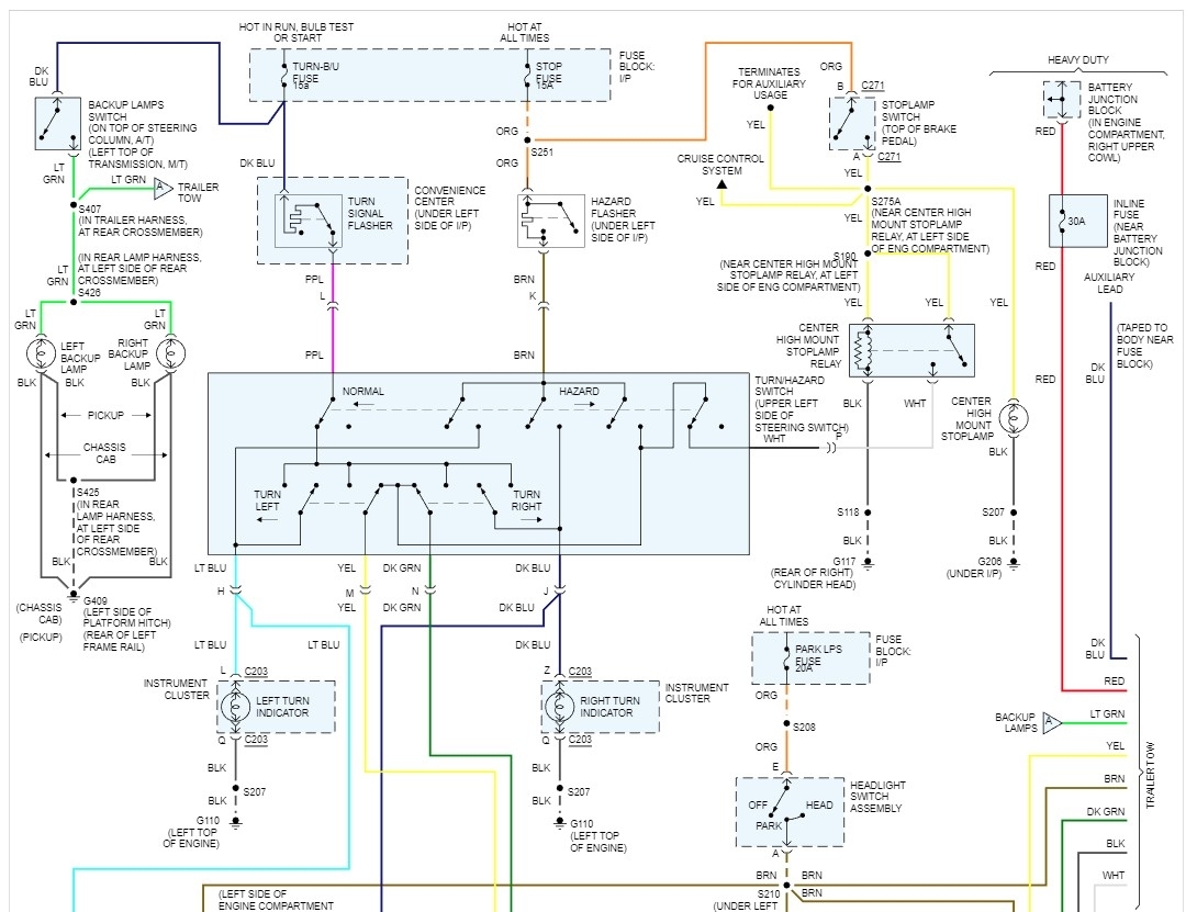
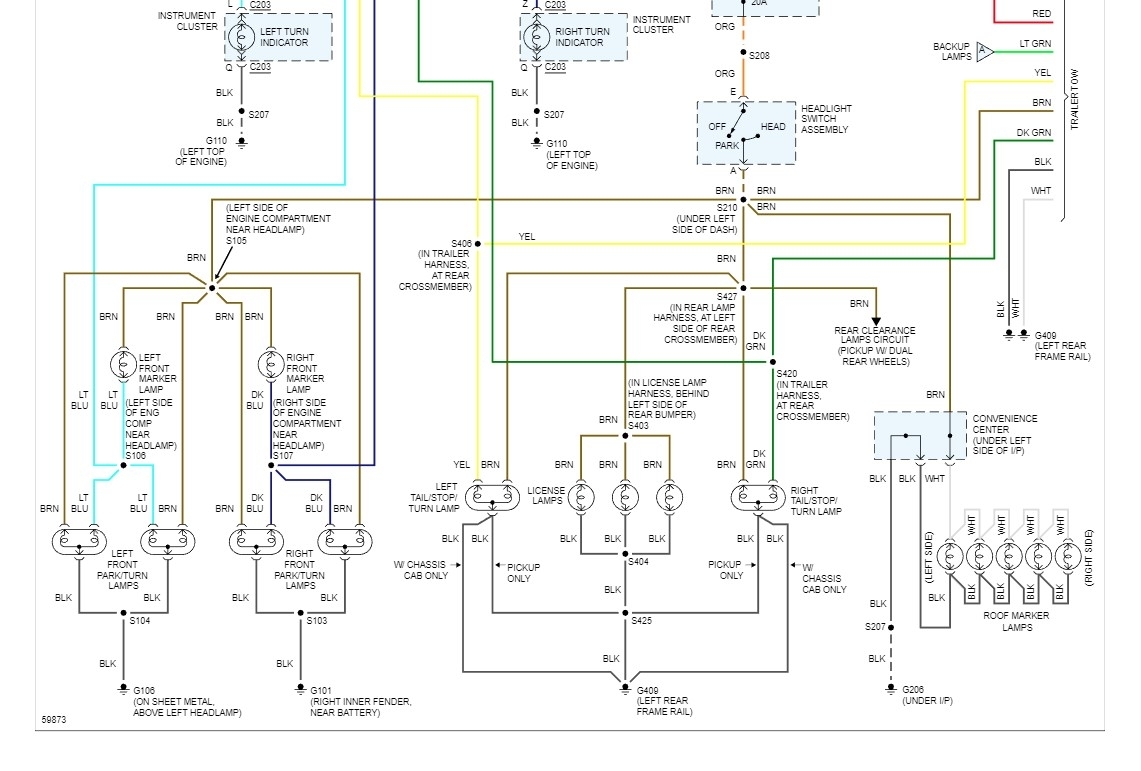
I have the truck listed above that has all three brake lights working when the truck is off. When I turn on the key the cab brake light works, but the back two don't. The windshield wipers also don't work, but if I hit the "sprayer" button, I can hear it running. I just replaced the wiper motor, the turn signal wiring harness, and the brake switch on the pedal. The only thing I can think of now, is it's the actual turn signal switch itself? Help!
Wednesday, May 10th, 2023 AT 4:57 PM





