Brake lights will not turn off

Tiny
GLEN HODSON
  • MEMBER
  • 2007 SUBARU IMPREZA
  • 2.5L
  • 4 CYL
  • 4WD
  • MANUAL
  • 209,500 MILES
I am unable to get my brake light to go out. I replaced the brake light switch and they still sat on. I tested it prior to reinstalling, so I know it is not an adjustment issue.

How do I check for the issue? Voltage check? Do you have a wiring diagram?
Friday, November 22nd, 2019 AT 12:33 PM

1 Reply

Tiny
JACOBANDNICKOLAS
  • MECHANIC
  • 110,192 POSTS
Hi,

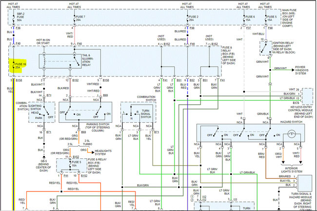
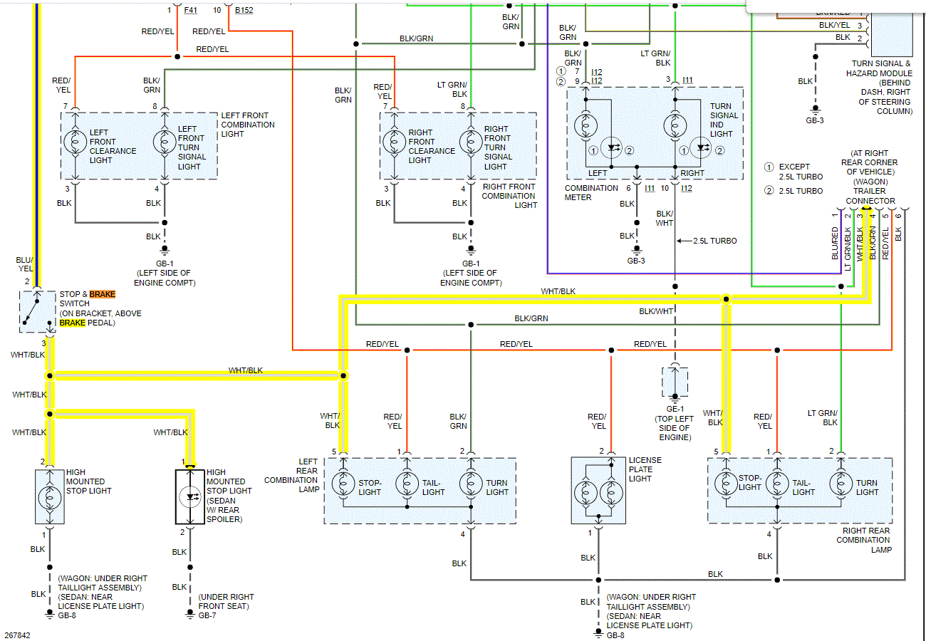
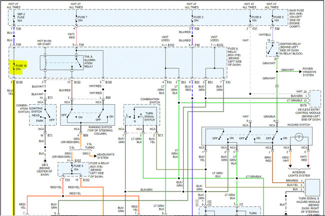
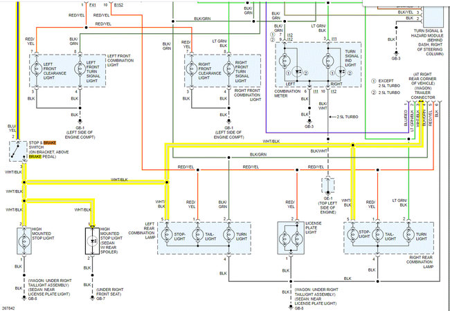
If the light will not turn off, even with the brake light switch disconnected, chances are you have a short to power. Basically, power is being supplied to the brake lights via an unknown power source.

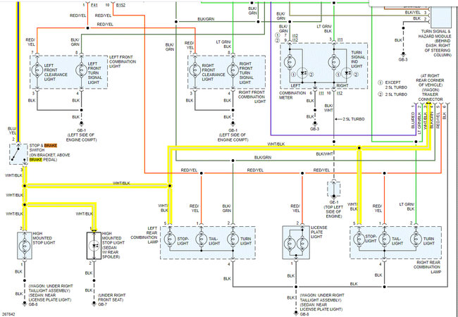
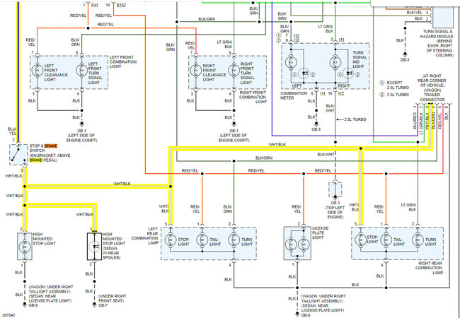
I attached the entire schematic below for the exterior lighting system. To help, I highlighted all the wiring related to the brake lights.

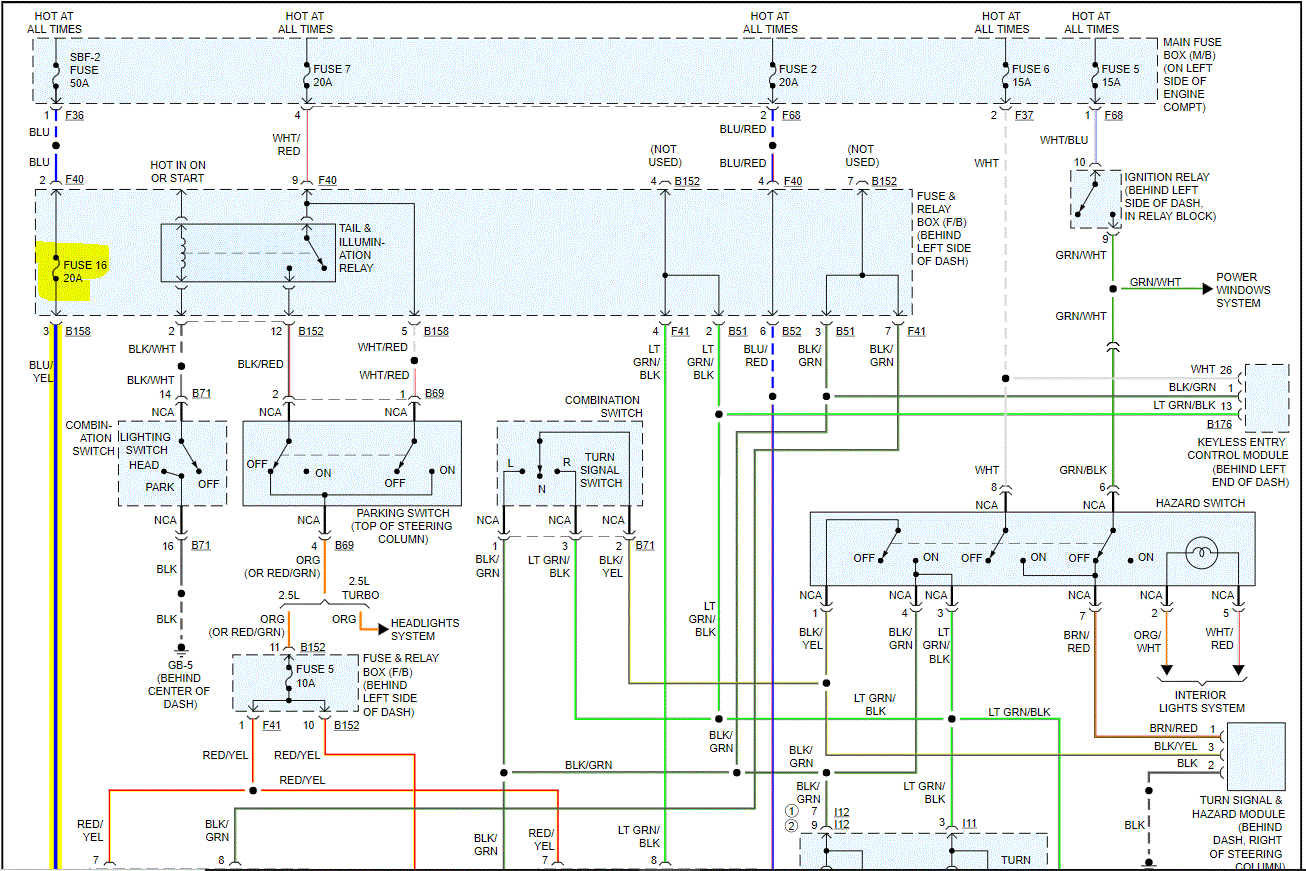
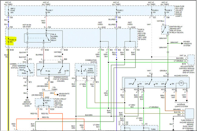
Here is what I suggest. If the lights are on, first remove the fuse for the brake lights. It is in the vehicle, left side under dash. See pic 3 below for location.

If the lights refuse to turn off with fuse 16 removed, then remove one fuse at a time near that fuse while a helper watches to see if the lights turn off. If they do, then we need to focus on the circuit of the affected fuse.

Here is a link you may find helpful when testing wiring:

https://www.2carpros.com/articles/how-to-check-wiring

I hope this helps. Let me know if you have other questions.

Take care,

Joe

See pics below.
Was this
answer
helpful?
Yes
No
Friday, July 16th, 2021 AT 9:32 PM

Please login or register to post a reply.